电脑桌面
添加小米粒文库到电脑桌面
安装后可以在桌面快捷访问

塔吊基础设计计算方案VIP免费

塔吊基础设计计算方案_第1页
1/7
塔吊基础设计计算方案_第2页
2/7
塔吊基础设计计算方案_第3页
3/7
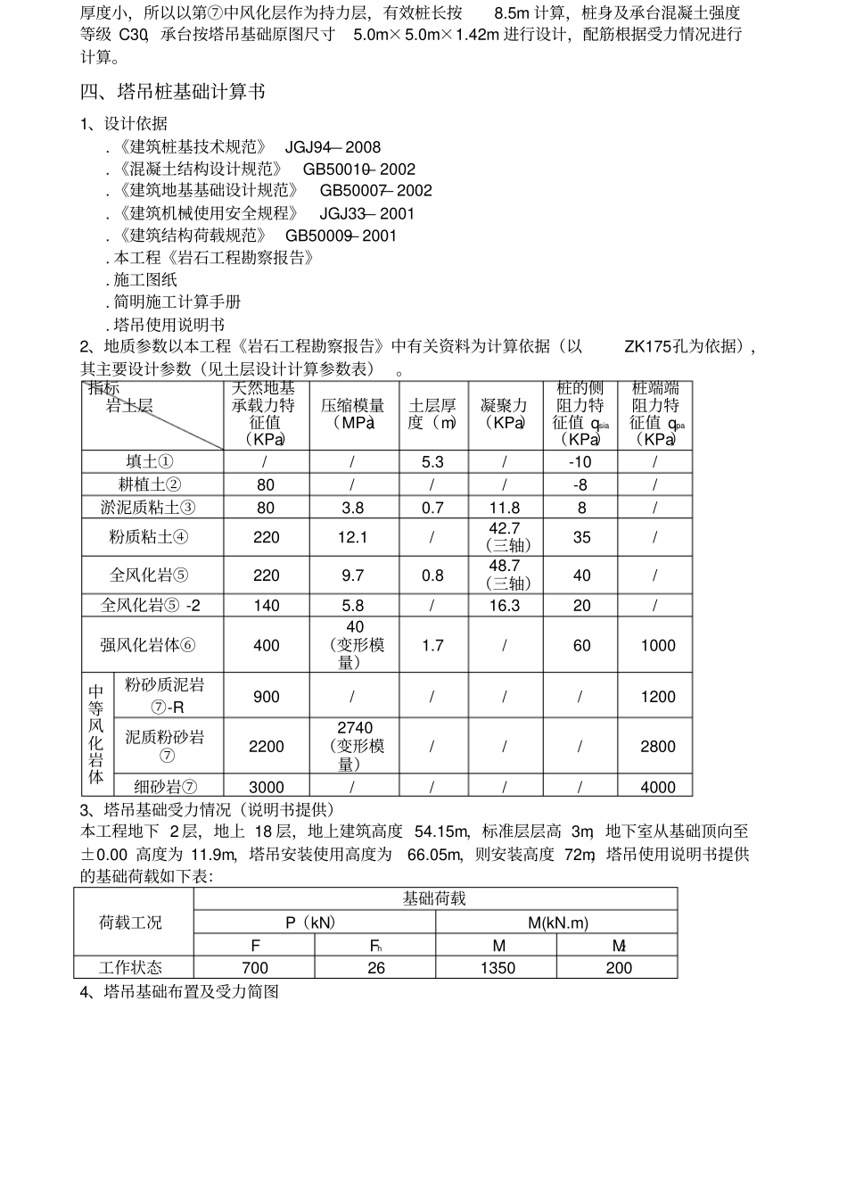
塔吊基础专项施工方案编制人:审核人:施工单位:日期: 2011 年 3 月 25 日一、工程概况1、地理位置2、设计概况本工程结构形式为框架剪力墙结构,人工挖孔桩承重,建筑高度为:楼54.15m一、二层为地下室,正负零以上为住房,层高3.00m。为:楼 18 层、建筑等级:一级,耐火等级为地下室一级,主体二级,安全等级二级,抗震设防烈度小于六度。主体结构设计使用年限为 50 年。二、塔吊选型和位置确定根据施工现场条件及周围环境条件和工程结构情况,该项目采用一台TC5510塔式起重机,臂长 55 米,用于栋施工,塔高安装高度72m。(塔吊安装位置见塔吊定位平面布置图)塔吊在此位置可满足塔臂就位与拆除以及工程施工的需要。三、塔吊基础设计方案本工程栋± 0.00 相当于绝对高程 57.6m,负二层地下室基础顶面标高-11.9m,则相等于绝对标高 45.70m,塔吊按保用说明书基础为高度1.42m,则塔吊基础底绝对标高为44.28m,按照塔吊定位图在确定其基础附近最近地勘钻孔为ZK165,根据 ZK165钻孔柱状图显示塔吊基础底板下为回填土,一直至第⑥岩土层(强风化岩体)方可作为持力层,基第⑥岩土层底绝对标高为 35.80m,相差 8.48m,故需采用桩基础方可用于塔吊基础持力。拟采用人工挖孔桩灌注桩,桩径 800mm共 4 根用于塔吊基础持力。由于第⑥岩土层风化程度高,强度较低且厚度小,所以以第⑦中风化层作为持力层,有效桩长按8.5m 计算,桩身及承台混凝土强度等级 C30,承台按塔吊基础原图尺寸5.0m×5.0m×1.42m 进行设计,配筋根据受力情况进行计算。四、塔吊桩基础计算书1、设计依据. 《建筑桩基技术规范》 JGJ94— 2008 . 《混凝土结构设计规范》GB50010— 2002 . 《建筑地基基础设计规范》GB50007— 2002 . 《建筑机械使用安全规程》JGJ33— 2001 . 《建筑结构荷载规范》 GB50009— 2001 . 本工程《岩石工程勘察报告》. 施工图纸. 简明施工计算手册. 塔吊使用说明书2、地质参数以本工程《岩石工程勘察报告》中有关资料为计算依据(以ZK175孔为依据),其主要设计参数(见土层设计计算参数表)。指标岩土层天然地基承载力特征值(KPa)压缩模量(MPa)土层厚度(m)凝聚力(KPa)桩的侧阻力特征值 qsia(KPa)桩端端阻力特征值 qpa(KPa)填土①/ / 5.3 / -10 / 耕植土②80 / / / -8 / 淤泥质粘土③80 3.8 0.7 11.8 8 / 粉质粘土④220 12.1 / 42.7 (三轴)35 / 全风化岩⑤220 9.7 ...

1、当您付费下载文档后,您只拥有了使用权限,并不意味着购买了版权,文档只能用于自身使用,不得用于其他商业用途(如 [转卖]进行直接盈利或[编辑后售卖]进行间接盈利)。
2、本站所有内容均由合作方或网友上传,本站不对文档的完整性、权威性及其观点立场正确性做任何保证或承诺!文档内容仅供研究参考,付费前请自行鉴别。
3、如文档内容存在违规,或者侵犯商业秘密、侵犯著作权等,请点击“违规举报”。

碎片内容

塔吊基础设计计算方案

您可能关注的文档

确认删除?
VIP
微信客服
  • 扫码咨询
会员Q群
  • 会员专属群点击这里加入QQ群
客服邮箱
回到顶部