电脑桌面
添加小米粒文库到电脑桌面
安装后可以在桌面快捷访问

塔吊说明书资料VIP免费

塔吊说明书资料_第1页
1/26
塔吊说明书资料_第2页
2/26
塔吊说明书资料_第3页
3/26
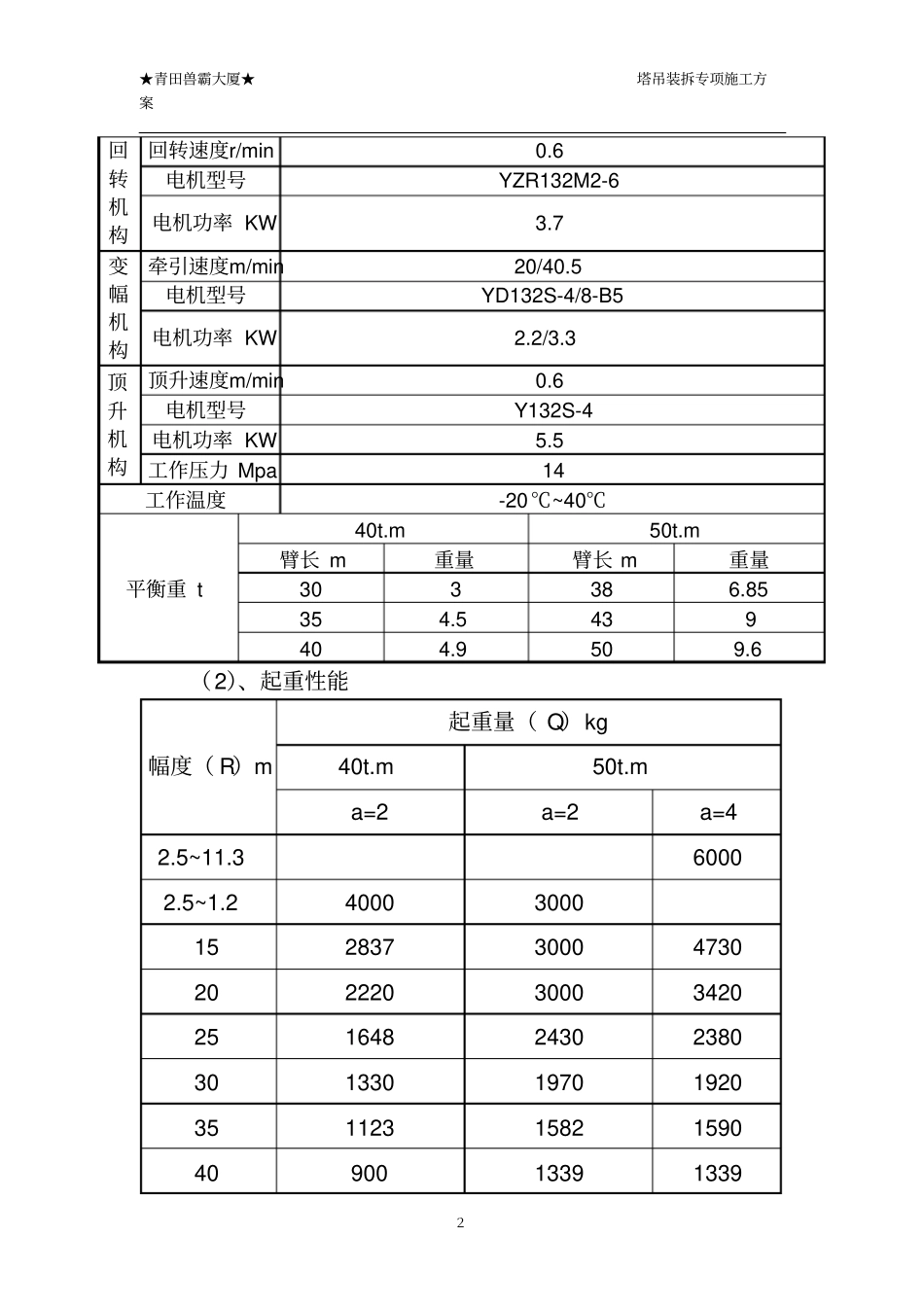
★青田兽霸大厦★塔吊装拆专项施工方案1一、工程概况本工程为青田兽霸大厦,位于青田县六号区块A 地段,建筑物最大高度为55.80 米。根据工程的需要,现设置一台QTZ60自升式塔机。二、塔机及简介1、QTZ60自升式塔机由浙江建设机械厂生产,其最大起重量为 6t ,最大变幅度处的最大起重量为1t 。2、塔式起重机技术性能:(1)、技术性能表机构工作级别起升机构M5 回转机构M4 牵引机构M4 起升高度40t.m 独立固定32 附着80 60t.m 独立固定40.1 附着100 最大起重量 t 40t.m 4 60t.m 6 幅度 m 最大幅度40t.m 40 60t.m 50 最小幅度2.5 起升机构塔机级别40t.m 60t.m 倍率a=2 a=2 a=4 机构型式Ⅰ型Ⅱ型起重量 t 4 4 3 2 2 0.5 4 4 0.5 3 3 1.5 6 6 3 起升速度m/min4.5 20 31 12 55 86 6 26 40 8 38 75 4 19 35.3最低稳定下降速度m/min5 12 12 6 电机型号YZD250M-4/6/24p YZD225L2-4/6/32 电机功率 KW 17/22/3.5 24/24/5.4 ★青田兽霸大厦★塔吊装拆专项施工方案2回转机构回转速度r/min0.6 电机型号YZR132M2-6 电机功率 KW 3.7 变幅机构牵引速度m/min20/40.5 电机型号YD132S-4/8-B5 电机功率 KW 2.2/3.3 顶升机构顶升速度m/min0.6 电机型号Y132S-4 电机功率 KW 5.5 工作压力 Mpa 14 工作温度-20℃~40℃平衡重 t 40t.m 50t.m 臂长 m 重量臂长 m 重量30 3 38 6.85 35 4.5 43 9 40 4.9 50 9.6 (2)、起重性能幅度( R)m 起重量( Q)kg 40t.m 50t.m a=2 a=2 a=4 2.5~11.3 6000 2.5~1.2 4000 3000 15 2837 3000 4730 20 2220 3000 3420 25 1648 2430 2380 30 1330 1970 1920 35 1123 1582 1590 40 900 1339 1339 ★青田兽霸大厦★塔吊装拆专项施工方案345 1150 1150 50 1000 1000 三、塔吊布置根据裙房的位置并考虑同时顾及每处的工作面,具体布置位置详见施工现场布置图。四、塔吊的安装1、安装流程:基础→底盘→标准节、套架→回转支承总成→过渡节→塔帽→司机室→平衡臂→起重臂总成→平衡重→接电源及试动转。2、塔吊地基基础①塔吊地基持力层为砂卵石层,承载力大于200Kpa,混凝土等级为C30,垫层混凝土强度C15,基础平面用1:2 水泥砂浆找平30mm厚,平面允许差小于1‰。②按图预埋地脚螺栓,并带上双螺母,外露螺纹部分应包扎保护,严禁碰坏螺纹。砼浇筑时应控制好地脚螺栓的尺寸、...

1、当您付费下载文档后,您只拥有了使用权限,并不意味着购买了版权,文档只能用于自身使用,不得用于其他商业用途(如 [转卖]进行直接盈利或[编辑后售卖]进行间接盈利)。
2、本站所有内容均由合作方或网友上传,本站不对文档的完整性、权威性及其观点立场正确性做任何保证或承诺!文档内容仅供研究参考,付费前请自行鉴别。
3、如文档内容存在违规,或者侵犯商业秘密、侵犯著作权等,请点击“违规举报”。

碎片内容

塔吊说明书资料

您可能关注的文档

确认删除?
VIP
微信客服
  • 扫码咨询
会员Q群
  • 会员专属群点击这里加入QQ群
客服邮箱
回到顶部