电脑桌面
添加小米粒文库到电脑桌面
安装后可以在桌面快捷访问

塔式起重机安装检查及旁站记录VIP免费

塔式起重机安装检查及旁站记录_第1页
1/2
塔式起重机安装检查及旁站记录_第2页
2/2
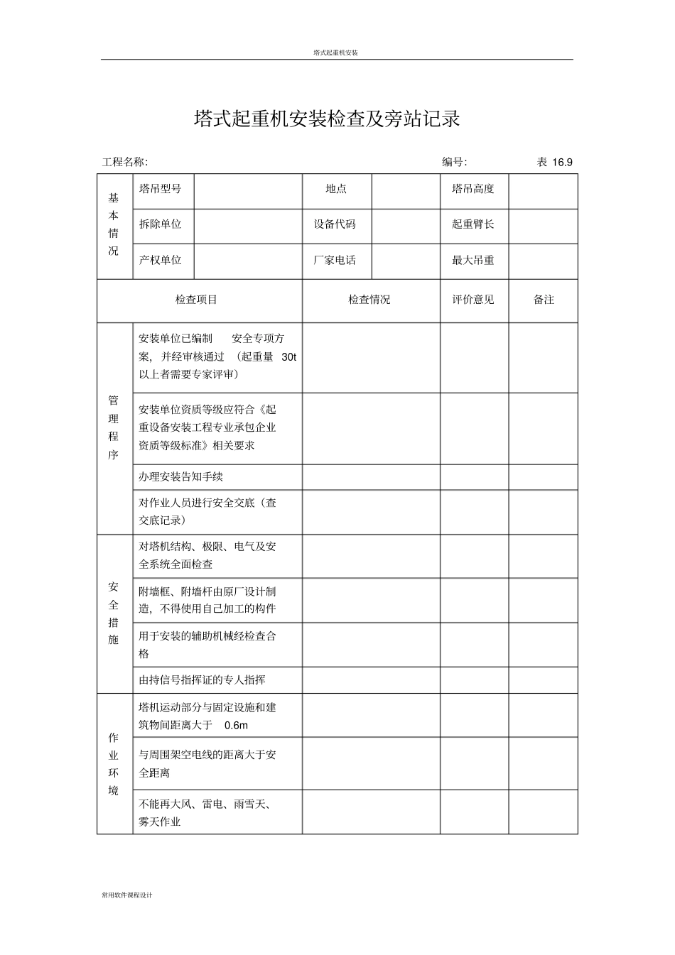
塔式起重机安装常用软件课程设计塔式起重机安装检查及旁站记录工程名称:编号:表 16.9 基本情况塔吊型号地点塔吊高度拆除单位设备代码起重臂长产权单位厂家电话最大吊重检查项目检查情况评价意见备注管理程序安装单位已编制安全专项方案,并经审核通过 (起重量 30t以上者需要专家评审)安装单位资质等级应符合《起重设备安装工程专业承包企业资质等级标准》相关要求办理安装告知手续对作业人员进行安全交底(查交底记录)安全措施对塔机结构、极限、电气及安全系统全面检查附墙框、附墙杆由原厂设计制造,不得使用自己加工的构件用于安装的辅助机械经检查合格由持信号指挥证的专人指挥作业环境塔机运动部分与固定设施和建筑物间距离大于0.6m 与周围架空电线的距离大于安全距离不能再大风、雷电、雨雪天、雾天作业塔式起重机安装常用软件课程设计塔机安装范围地面无人行通道和重要设备作业人员人员数量满足拆除工作需要安全帽、安全绳、安全网配置防护情况专业人员持有建筑起重机械安装拆卸工证件高空作业人员体检证明(或健康证)现场管理项目部指定专人对拆安装现场进行协调管控管理人员数量应满足全过程无管控间隙要求综合评价签署施工单位安全工程师监理单位旁站监理日期注: 1. 本表适用于塔吊、万能杆件拼装塔架的安装和拆除。2. 评价意见√为符合要求、〇为部分不符合、×为不符合。3. 监理、施工单位在安装、拆除作业时各填写一次旁站记录。

1、当您付费下载文档后,您只拥有了使用权限,并不意味着购买了版权,文档只能用于自身使用,不得用于其他商业用途(如 [转卖]进行直接盈利或[编辑后售卖]进行间接盈利)。
2、本站所有内容均由合作方或网友上传,本站不对文档的完整性、权威性及其观点立场正确性做任何保证或承诺!文档内容仅供研究参考,付费前请自行鉴别。
3、如文档内容存在违规,或者侵犯商业秘密、侵犯著作权等,请点击“违规举报”。

碎片内容

塔式起重机安装检查及旁站记录

您可能关注的文档

确认删除?
VIP
微信客服
  • 扫码咨询
会员Q群
  • 会员专属群点击这里加入QQ群
客服邮箱
回到顶部