电脑桌面
添加小米粒文库到电脑桌面
安装后可以在桌面快捷访问

填充墙砌体施工方案丁VIP免费

填充墙砌体施工方案丁_第1页
1/3
填充墙砌体施工方案丁_第2页
2/3
填充墙砌体施工方案丁_第3页
3/3
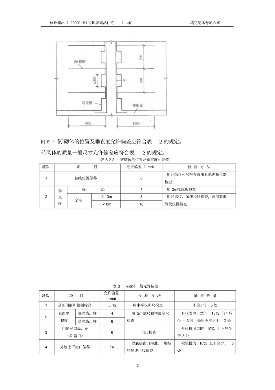
杭政储出( 2009) 51 号地块商品住宅(二标)填充砌体专项方案1 目录一、 工程概况⋯⋯⋯⋯⋯⋯⋯⋯⋯⋯⋯⋯⋯⋯⋯⋯⋯⋯⋯⋯2 二、 作业条件⋯⋯⋯⋯⋯⋯⋯⋯⋯⋯⋯⋯⋯⋯⋯⋯⋯⋯⋯⋯2 三、 施工准备⋯⋯⋯⋯⋯⋯⋯⋯⋯⋯⋯⋯⋯⋯⋯⋯⋯⋯⋯⋯3 四、 材料要求⋯⋯⋯⋯⋯⋯⋯⋯⋯⋯⋯⋯⋯⋯⋯⋯⋯⋯⋯⋯3 五、 ⋯⋯⋯⋯⋯⋯⋯⋯⋯⋯⋯⋯⋯⋯⋯⋯⋯⋯⋯4 六、 ⋯⋯⋯⋯⋯⋯⋯⋯⋯⋯⋯⋯⋯⋯4 七、 施工工艺⋯⋯⋯⋯⋯⋯⋯⋯⋯⋯⋯⋯⋯⋯⋯⋯⋯⋯⋯⋯5 八、 质量和验收程序控制⋯⋯⋯⋯⋯⋯⋯⋯⋯⋯⋯⋯⋯8 九、 ⋯⋯⋯⋯⋯⋯⋯⋯⋯⋯⋯⋯⋯⋯10 十、 成品保护措施⋯⋯⋯⋯⋯⋯⋯⋯⋯⋯⋯⋯⋯⋯⋯⋯⋯⋯12 十一、安全环保措施⋯⋯⋯⋯⋯⋯⋯⋯⋯⋯⋯⋯⋯⋯⋯⋯12 119306序号机械或设备名称型号规格数量用于施工部位1 砂浆搅拌机Jzc350 2 砂浆2 钢筋切割机CQ-40 1 拉结钢筋下料3 钢筋弯曲机GW-40 1 拉结钢筋加工4 钢筋调直机φ 10 以内1 拉结钢筋调直5 水准仪AL322-A 2 50 控制线6 人货梯5 台/5 栋砌体材料的垂直运输杭政储出( 2009) 51 号地块商品住宅(二标)填充砌体专项方案2 附图 -1 砖砌体的位置及垂直度允许偏差应符合表2 的规定。砖砌体的质量一般尺寸允许偏差应符合表3 的规定。表 6-2-2 砖砌体的位置及垂直度允许值项次项目允许偏差( mm)检 验 方 法1 轴线位置偏移8 用经纬仪和尺检查或用其他测量仪器检查2 垂直度每层4 用 2m托线板检查全高≤10m 8 用经纬仪、吊线和尺检查,或用其他测量仪器检查>10m 16 表 3 砖砌体一般允许偏差项次项目允许偏差(mm)检 验 方 法抽 检 数 量1 基础顶面和楼面标高± 12 用水平仪和尺检查不应少于 5 处2 表面平整度清水墙、柱4 用 2m靠尺和楔形塞尺检查有代表性自然间10%,但不应少于 3 间,每间不应少于2 处混水墙、柱6 3 门窗洞口高、宽(后塞口)6 用尺检查检验批洞口的10%,且不应少于 5 处4 外墙上下窗口偏移16 以底层窗口为准, 用经纬仪或吊线检查检验批的10%,且不应少于5处杭政储出( 2009) 51 号地块商品住宅(二标)填充砌体专项方案3 5 水平灰缝平直度清水墙5 拉 10m线和尺检查有代表性自然间10%,但不应少于 3 间,每间不应少于2 处混水墙8 6 清水墙游丁走缝16 吊线和尺检查,以每层第一皮砖为准有代表性自然间10%,但不应少于 3 间,每间不应少于2 处

1、当您付费下载文档后,您只拥有了使用权限,并不意味着购买了版权,文档只能用于自身使用,不得用于其他商业用途(如 [转卖]进行直接盈利或[编辑后售卖]进行间接盈利)。
2、本站所有内容均由合作方或网友上传,本站不对文档的完整性、权威性及其观点立场正确性做任何保证或承诺!文档内容仅供研究参考,付费前请自行鉴别。
3、如文档内容存在违规,或者侵犯商业秘密、侵犯著作权等,请点击“违规举报”。

碎片内容

填充墙砌体施工方案丁

确认删除?
VIP
微信客服
  • 扫码咨询
会员Q群
  • 会员专属群点击这里加入QQ群
客服邮箱
回到顶部