电脑桌面
添加小米粒文库到电脑桌面
安装后可以在桌面快捷访问

外墙内保温技术交底VIP免费

外墙内保温技术交底_第1页
1/7
外墙内保温技术交底_第2页
2/7
外墙内保温技术交底_第3页
3/7
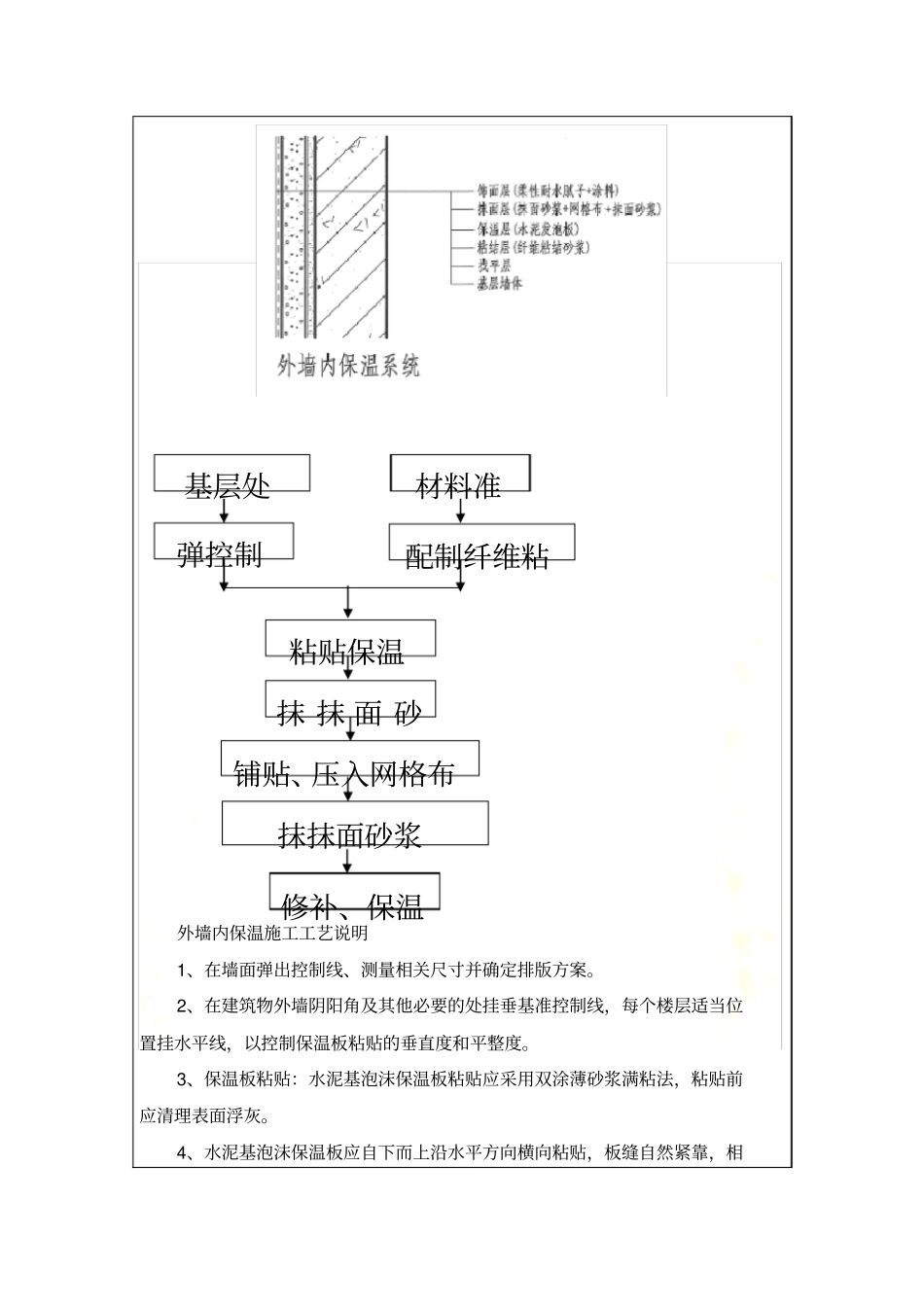
外墙内保温技术交底技 术 交 底 记 录工程名称丹郡兰庭施工单位成都建筑工程集团总公司交底部位内墙工序名称外墙内保温交底时间交底提要:外墙内保温工程交底内容 : 一、施工范围内墙热桥向内卷边400mm,保温厚度详统计表,所有的飘窗板的顶、底板均同墙面做法。二、作业条件1、水泥基泡沫保温板建筑保温工程施工应在设计文件要求的基层质量验收合格后进行。基层应进行水泥砂浆打底处理,基层坚实、平整、洁净。找平层垂直度和平整度应符合现行国家标准《建筑装饰装修工程质量验收规范》GB50210的规定。2、基层及门窗洞口的施工质量应经验收合格,门窗框及墙体基层上各种管线、支架等按设计位置安装完备,且应按墙体保温系统厚度留出间隙。水暖及装饰工程需要管卡、挂件等预埋件,应留出位置或预埋完整。3、伸出的管道、设备、基座或预埋件等,应在水泥基泡沫保温板建筑保温工程施工前安装完备,并做好密封及防水处理。4、保温材料及其配套材料进入现场应进行复检,包括材料的合格证、检测报告是否齐全,是否与所送材料配套;检查包装有无破损;需复检的材料和主要性能:粘结砂浆:拉伸粘结强度;水泥基泡沫保温板:导热系数、表观密度、压缩强度;抹面砂浆:拉伸强度;耐碱网格布:耐碱抗拉力、保留率;三、施工工艺水泥基发泡保温板外墙内保温技术的基本构造作法如下图: 外墙内保温施工工艺说明1、在墙面弹出控制线、测量相关尺寸并确定排版方案。2、在建筑物外墙阴阳角及其他必要的处挂垂基准控制线,每个楼层适当位置挂水平线,以控制保温板粘贴的垂直度和平整度。3、保温板粘贴:水泥基泡沫保温板粘贴应采用双涂薄砂浆满粘法,粘贴前应清理表面浮灰。4、水泥基泡沫保温板应自下而上沿水平方向横向粘贴,板缝自然紧靠,相材料准基层处配制纤维粘弹控制粘贴保温抹 抹 面 砂铺贴、压入网格布抹抹面砂浆修补、保温邻板面应齐平,上下排之间错缝1/2 板长;见下图:5、采用满粘法施工时,应先用锯齿抹刀在基层上均匀批刮一层厚度不小于3mm的纤维粘结砂浆,再在水泥基泡沫保温板上用锯齿刀批刮一层厚度宜为3mm的纤维粘结砂浆(水泥基泡沫保温板与基层上批刮的纤维纤维粘结砂浆的走向应相互垂直),再及时将水泥基泡沫保温板揉压铺贴在基层上,板与板之间的缝隙不得大于 1mm,板与板之间的高差不得大于2mm。 6、墙面转角处应按水泥基泡沫保温板的规格尺寸进行排版设计,粘贴时端面垂直交错互锁,并保证墙角垂直度。 7、在门窗洞口阳角...

1、当您付费下载文档后,您只拥有了使用权限,并不意味着购买了版权,文档只能用于自身使用,不得用于其他商业用途(如 [转卖]进行直接盈利或[编辑后售卖]进行间接盈利)。
2、本站所有内容均由合作方或网友上传,本站不对文档的完整性、权威性及其观点立场正确性做任何保证或承诺!文档内容仅供研究参考,付费前请自行鉴别。
3、如文档内容存在违规,或者侵犯商业秘密、侵犯著作权等,请点击“违规举报”。

碎片内容

外墙内保温技术交底

您可能关注的文档

文库当当响+ 关注
实名认证
内容提供者

该用户很懒,什么也没介绍

确认删除?
VIP
微信客服
  • 扫码咨询
会员Q群
  • 会员专属群点击这里加入QQ群
客服邮箱
回到顶部