电脑桌面
添加小米粒文库到电脑桌面
安装后可以在桌面快捷访问

天津园林建设工程监理用表和质量验收用表绿表VIP免费

天津园林建设工程监理用表和质量验收用表绿表_第1页
1/15
天津园林建设工程监理用表和质量验收用表绿表_第2页
2/15
天津园林建设工程监理用表和质量验收用表绿表_第3页
3/15
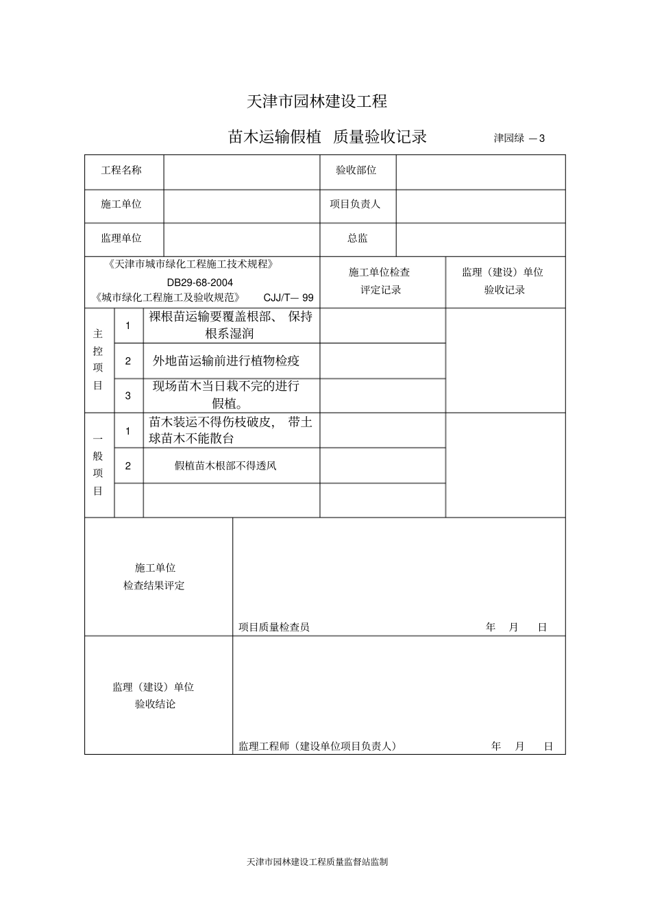
天津市园林建设工程质量监督站监制天津市园林建设工程绿地现场清理质量验收记录津园绿 — 1 工程名称验收部位施工单位项目负责人监理单位总监《天津市城市绿化工程施工技术规程》DB29-68-2004 《城市绿化工程施工及验收规范》CJJ/T— 99 施工单位检查评定记录监理(建设)单位验收记录主控项目1 绿地现场保留土壤理化性质符合规范要求2 工程废弃的水泥和白灰进行挖除、并运出绿地3 宿根性的草、芦根等有碍绿化的杂草进行清除一般项目1 地上堆积和地下种植土厚度要求内掩埋的砖、瓦、石块全部进行清理并运出绿地施工单位检查结果评定项目质量检查员年月日监理(建设)单位验收结论监理工程师(建设单位项目负责人)年月日天津市园林建设工程质量监督站监制天津市园林建设工程种植土及肥料质量验收记录津园绿 — 2 工程名称验收部位施工单位项目负责人监理单位总监主控项目《天津市城市绿化工程施工技术规程》DB29-68-2004 《城市绿化工程施工及验收规范》CJJ/T— 99 施工单位检查评定记录监理(建设)单位验收记录1 种植土土壤质地疏松、不板结、透水透气性能好2 种植土含盐量、 Ph 值符合规范、 设计要求3 种值土厚度符合规范设计要求4 有机肥料充分腐熟一般项目1 土壤中不应含水泥、白灰、砖瓦石块、无芦根、茅草等宿根杂草2 肥料中不含砖石瓦块等杂质施工单位检查结果评定项目质量检查员年月日监理(建设) 单位验收结论监理工程师(建设单位项目负责人)年月日天津市园林建设工程质量监督站监制天津市园林建设工程苗木运输假植 质量验收记录津园绿 — 3 工程名称验收部位施工单位项目负责人监理单位总监《天津市城市绿化工程施工技术规程》DB29-68-2004 《城市绿化工程施工及验收规范》CJJ/T— 99 施工单位检查评定记录监理(建设)单位验收记录主控项目1 裸根苗运输要覆盖根部、 保持根系湿润2 外地苗运输前进行植物检疫3 现场苗木当日栽不完的进行假植。一般项目1 苗木装运不得伤枝破皮, 带土球苗木不能散台2 假植苗木根部不得透风施工单位检查结果评定项目质量检查员年月日监理(建设)单位验收结论监理工程师(建设单位项目负责人)年月日天津市园林建设工程质量监督站监制天津市园林建设工程地形整理平整质量验收记录津园绿 —4 工程名称验收部位施工单位项目负责人监理单位总监《天津市城市绿化工程施工技术规程》 DB29-68-2004 《城市绿化工程施工及验收规范》CJJ/T— 99 施工单位检查评...

1、当您付费下载文档后,您只拥有了使用权限,并不意味着购买了版权,文档只能用于自身使用,不得用于其他商业用途(如 [转卖]进行直接盈利或[编辑后售卖]进行间接盈利)。
2、本站所有内容均由合作方或网友上传,本站不对文档的完整性、权威性及其观点立场正确性做任何保证或承诺!文档内容仅供研究参考,付费前请自行鉴别。
3、如文档内容存在违规,或者侵犯商业秘密、侵犯著作权等,请点击“违规举报”。

碎片内容

天津园林建设工程监理用表和质量验收用表绿表

爱的疯狂+ 关注
实名认证
内容提供者

该用户很懒,什么也没介绍

相关文档

确认删除?
VIP
微信客服
  • 扫码咨询
会员Q群
  • 会员专属群点击这里加入QQ群
客服邮箱
回到顶部