电脑桌面
添加小米粒文库到电脑桌面
安装后可以在桌面快捷访问

如何进行产能负荷计算VIP免费

如何进行产能负荷计算_第1页
1/4
如何进行产能负荷计算_第2页
2/4
如何进行产能负荷计算_第3页
3/4
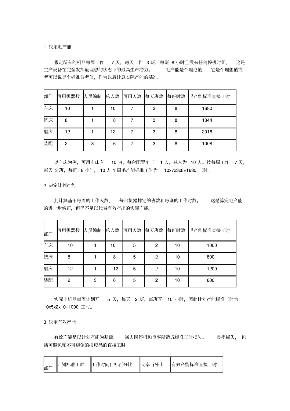
如何进行产能负荷计算产能分析主要针对产品1、做哪些产品。2、产品的制程。3、每个制程的使用机器设备(设备负荷)。4、产品的总标准时间,每个制程的标准时间(个人负荷)。5、材料的准备前置时间。6、生产线及他仓库需用之场所大小(场所负荷)一般,着重于 人力负荷 及机器设备的能力分析。一、人力负荷分析步骤1 、依椐期间月的销售计划所预订的生产计划,针对各种产品的数量、标准时间, 计算出生产该产品所需的人力。标准时间又称“标准工时”。标准时间 =实际时间×( 1+宽裕率)一般的宽裕可分为:物的宽裕:作业宽裕(清理作业台、工具不适用)。人的宽裕:需要宽裕(上洗手间、喝水)。疲劳宽裕(因工作疲劳降低工作速度)。--------------------------------------------------------------- 首先要确定标准工时,再确定标准产能。标准时间的定义所谓的标准时间,就是指在正常条件下,一位受过训练的熟练工作者,在不受外在不良影响的条件下以规定的作业方法和用具,完成一定的质和量的工作所需的时间。标准时间( ST)的构成=观测时间x 评比因素 +私事宽放 +疲劳宽放 +程序宽放 +特别宽放 +政策宽放净时间:用跑表法或其他方法进行实际观测而得到的结果(取平均值或代表值)乘以评估系数,而得到的在标准作业速度下的时间。净时间 =具有代表性的观测时间x 评估系数评估系数分为速读评估法、西屋法(熟练度、努力程度、工作条件、一致性四个因素)标准时间 =观测时间 x 评比率 x (1+ 宽放率 ) 例如:某一单元观测时间为0.8min ,评比率为110%,宽放为 5%,则=0.8*110*(1+0.05/100) =0.88*1.05 =0.924min 产能:是指生产设备在一定的时间内所能生产的产品数量,产能通常以标准直接工时为单位。1 决定毛产能假定所有的机器每周工作7 天,每天工作 3 班,每班 8 小时且没有任何停机时间,这是生产设备在完全发挥最理想的状态下的最高生产潜力。毛产能是个理论值,它是个理想值或者可以说是个标准参考值,作为以后计算实际产能的基准。部门可用机器数 人员编制总人数可用天数 每天班数每班时数 毛产能标准直接工时车床10 1 10 7 3 8 1680 铣床8 1 8 7 3 8 1344 磨床12 1 12 7 3 8 2016 装配2 3 6 7 3 8 1008 以车床为例,可用车床有10 台,每台配置车工1 人,总人为10 人。按每周工作7 天,每天 3 班,每班 8 小时, 10 人 1 周毛产能标准工时为10x7x3x8=1...

1、当您付费下载文档后,您只拥有了使用权限,并不意味着购买了版权,文档只能用于自身使用,不得用于其他商业用途(如 [转卖]进行直接盈利或[编辑后售卖]进行间接盈利)。
2、本站所有内容均由合作方或网友上传,本站不对文档的完整性、权威性及其观点立场正确性做任何保证或承诺!文档内容仅供研究参考,付费前请自行鉴别。
3、如文档内容存在违规,或者侵犯商业秘密、侵犯著作权等,请点击“违规举报”。

碎片内容

如何进行产能负荷计算

文库响当当+ 关注
实名认证
内容提供者

该用户很懒,什么也没介绍

确认删除?
VIP
微信客服
  • 扫码咨询
会员Q群
  • 会员专属群点击这里加入QQ群
客服邮箱
回到顶部