电脑桌面
添加小米粒文库到电脑桌面
安装后可以在桌面快捷访问

某医院旋转楼梯钢结构施工组织设计方案(DOC7页)VIP免费

某医院旋转楼梯钢结构施工组织设计方案(DOC7页)_第1页
1/7
某医院旋转楼梯钢结构施工组织设计方案(DOC7页)_第2页
2/7
某医院旋转楼梯钢结构施工组织设计方案(DOC7页)_第3页
3/7
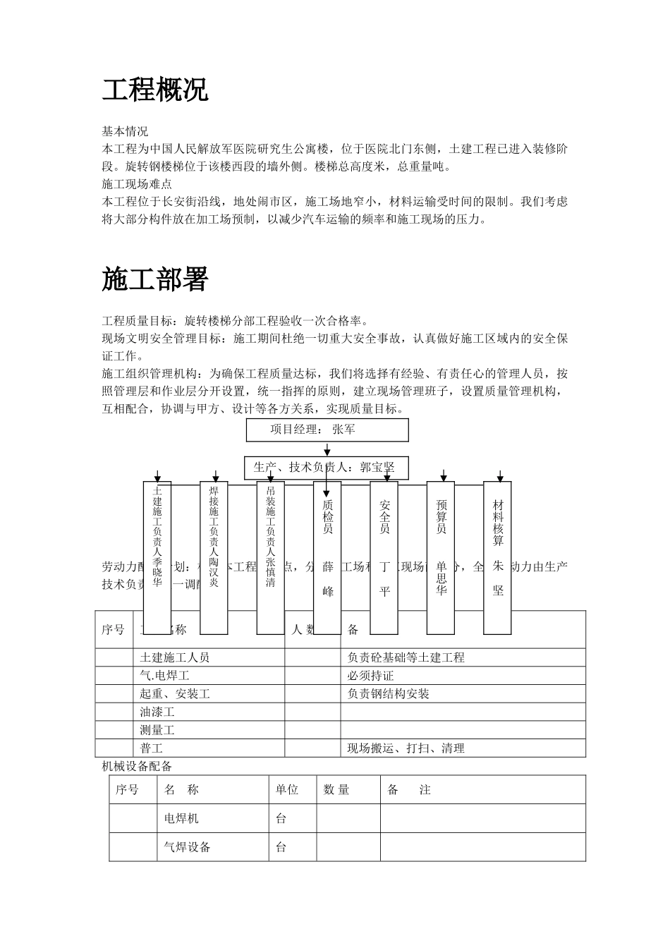
目录工程概况基本情况本工程为中国人民解放军医院研究生公寓楼,位于医院北门东侧,土建工程已进入装修阶段。旋转钢楼梯位于该楼西段的墙外侧。楼梯总高度米,总重量吨。施工现场难点本工程位于长安街沿线,地处闹市区,施工场地窄小,材料运输受时间的限制。我们考虑将大部分构件放在加工场预制,以减少汽车运输的频率和施工现场的压力。施工部署工程质量目标:旋转楼梯分部工程验收一次合格率。现场文明安全管理目标:施工期间杜绝一切重大安全事故,认真做好施工区域内的安全保证工作。施工组织管理机构:为确保工程质量达标,我们将选择有经验、有责任心的管理人员,按照管理层和作业层分开设置,统一指挥的原则,建立现场管理班子,设置质量管理机构,互相配合,协调与甲方、设计等各方关系,实现质量目标。劳动力配备计划:根据本工程的特点,分为加工场和施工现场两部分,全部劳动力由生产技术负责人统一调配。序号工程名称人 数备 注土建施工人员负责砼基础等土建工程气.电焊工必须持证起重、安装工负责钢结构安装油漆工测量工普工现场搬运、打扫、清理机械设备配备序号名 称单位数 量备 注电焊机台气焊设备台 项目经理: 张军生产、技术负责人:郭宝坚土建施工负责人季晓华焊接施工负责人陶汉炎吊装施工负责人张慎清质检员薛峰安全员丁平预算员 单思华材料核算 朱坚砂轮切割机台角线磨光机台烘箱台保温桶个倒链吨吨倒链吨吨台钻台施工中执行的规范、规定钢结构工程施工质量验收规范建筑钢结构焊接规程 建筑安装工程质量评定统一标准北京市建设工程现场管理环境保护工作基本标准第号京建施()南通四建质量手册、环保手册、程序文件、管理标准。施工准备技术准备3.1.1 图纸、图集、规范、规程等。3.1.2 人员准备:按北京市规定,配备持证人员上岗。3.1.3 组织有关人员熟悉图纸,进行图纸会审和交底,落实设计存在的问题和解决方法。3.1.4 编制分项施工方案生产准备3.2.1 与甲方现场代表协调,解决好现场用电、用水等问题。3.2.2 准备一切施工用机具、工具。主要施工方案及技术措施工程特点:4.1.1 地脚螺栓的预埋精度(标高、轴线位移)直接关系到钢楼梯的精度定位和节点处理。4.1.2 必须采用合理的安装顺序,以清除安装积累误差,确保垂直度。4.1.3 钢结构安装均为高空作业,如何保证人身安全,必须采取切合实际的安全措施。设计有关技术要求4.2.1 材料:按图纸设计要求材质均为、钢,焊条为型。4.2.2 钢柱下部用砼包至±...

1、当您付费下载文档后,您只拥有了使用权限,并不意味着购买了版权,文档只能用于自身使用,不得用于其他商业用途(如 [转卖]进行直接盈利或[编辑后售卖]进行间接盈利)。
2、本站所有内容均由合作方或网友上传,本站不对文档的完整性、权威性及其观点立场正确性做任何保证或承诺!文档内容仅供研究参考,付费前请自行鉴别。
3、如文档内容存在违规,或者侵犯商业秘密、侵犯著作权等,请点击“违规举报”。

碎片内容

某医院旋转楼梯钢结构施工组织设计方案(DOC7页)

您可能关注的文档

确认删除?
VIP
微信客服
  • 扫码咨询
会员Q群
  • 会员专属群点击这里加入QQ群
客服邮箱
回到顶部