电脑桌面
添加小米粒文库到电脑桌面
安装后可以在桌面快捷访问

欧本桁架檩条在重型钢结构厂房屋面的应用VIP免费

欧本桁架檩条在重型钢结构厂房屋面的应用_第1页
1/5
欧本桁架檩条在重型钢结构厂房屋面的应用_第2页
2/5
欧本桁架檩条在重型钢结构厂房屋面的应用_第3页
3/5
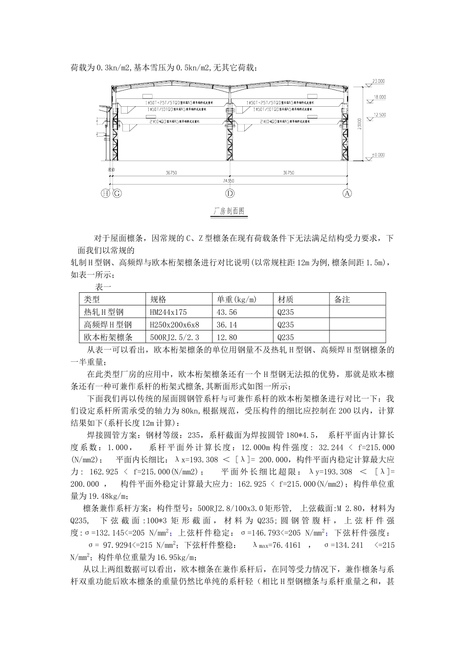
欧本桁架檩条在重型钢结构厂房屋面的应用唐鹏 田小川 陈明(上海欧本钢结构有限公司)摘 要:从分析模型和用量两方面阐述欧本桁架檩条与传统高频焊 H 型钢在大柱距重型吊车厂房中的应用。对欧本桁架檩条与传统的高频焊 H 型钢的计算结果进行对比,证明在大柱距的重型厂房屋面采用欧本桁架檩条的经济性与实用性。同时,结合已经或正在施工的实例工程 ,介绍欧本屋面桁架檩条的用法。关键词:欧本桁架 屋面檩条 应用引言金属建筑系统中屋面檩条是重要的次结构构件,檩条是搁置在屋面主结构上的水平构件,其上一般铺设金属屋面板(有的时候附保温)。通常 9 米柱距左右的檩条,采用冷弯C、Z 型形式,经济性良好。当建筑柱距(通常等于檩条跨距)大于 12 米时,冷弯型钢C、Z 型檩条无法通过计算,这种情况下可以考虑采用桁架檩条。重型工业厂房屋面系统重型工业厂房有别于普通的厂房,其吊车起重量大、厂房高度高、承受荷载大等。在布置柱网尺寸时,为满足生产工艺的要求,符合规范提出的经济合理、安全适用的要求,重型厂房的柱网通常较大。12m、15m、18m 等为常用柱距,也是重型工业厂房中比较经济的柱距。因跨度与荷载原因,此类厂房的屋面檩条通常采用焊接 H 型钢或高频焊 H 型钢,但屋面檩条折合每平米用钢量通常达到 15kg/m2 以上,而欧本桁架檩条系统,在这种结构形式中,就具有无可比拟的优势。欧本桁架檩条由上弦、下弦、腹杆组成,上下弦均采用 M 型冷弯薄壁型钢,腹杆采用焊接圆管,其主要经济性表现在“空腹”。其断面形式如下图一所示。图一由于桁架的每米重量跟桁架的高度关联度不高,而桁架的承重能力却与桁架高度成正比,利用这一特点,适当加大桁架的高度,其承重能力就大大提高。下面我们通过一个实例来说明欧本桁架檩条在重型吊车厂房屋面系统的经济性与实用性。黄海造船有限公司船体车间,总建筑面积 44000m2,分高跨与低跨二部分,因高跨与低跨情况类似,现以高跨为例进行说明。建筑剖面图如下图所示,常规柱距为 12m,局部包括 16m 柱距,基本风压为 0.55kn/m2,因近海,地面粗糙度为 A 类,恒载为 0.2kn/m2,吊挂荷载为 0.3kn/m2,基本雪压为 0.5kn/m2,无其它荷载;对于屋面檩条,因常规的 C、Z 型檩条在现有荷载条件下无法满足结构受力要求,下面我们以常规的轧制 H 型钢、高频焊与欧本桁架檩条进行对比说明(以常规柱距 12m 为例,檩条间距 1.5m),如表一所示;表一类型规格单重(kg/m)材...

1、当您付费下载文档后,您只拥有了使用权限,并不意味着购买了版权,文档只能用于自身使用,不得用于其他商业用途(如 [转卖]进行直接盈利或[编辑后售卖]进行间接盈利)。
2、本站所有内容均由合作方或网友上传,本站不对文档的完整性、权威性及其观点立场正确性做任何保证或承诺!文档内容仅供研究参考,付费前请自行鉴别。
3、如文档内容存在违规,或者侵犯商业秘密、侵犯著作权等,请点击“违规举报”。

碎片内容

欧本桁架檩条在重型钢结构厂房屋面的应用

您可能关注的文档

确认删除?
VIP
微信客服
  • 扫码咨询
会员Q群
  • 会员专属群点击这里加入QQ群
客服邮箱
回到顶部