电脑桌面
添加小米粒文库到电脑桌面
安装后可以在桌面快捷访问

机械设计-带式运输机的传动装置的设计VIP免费

机械设计-带式运输机的传动装置的设计_第1页
1/8
机械设计-带式运输机的传动装置的设计_第2页
2/8
机械设计-带式运输机的传动装置的设计_第3页
3/8
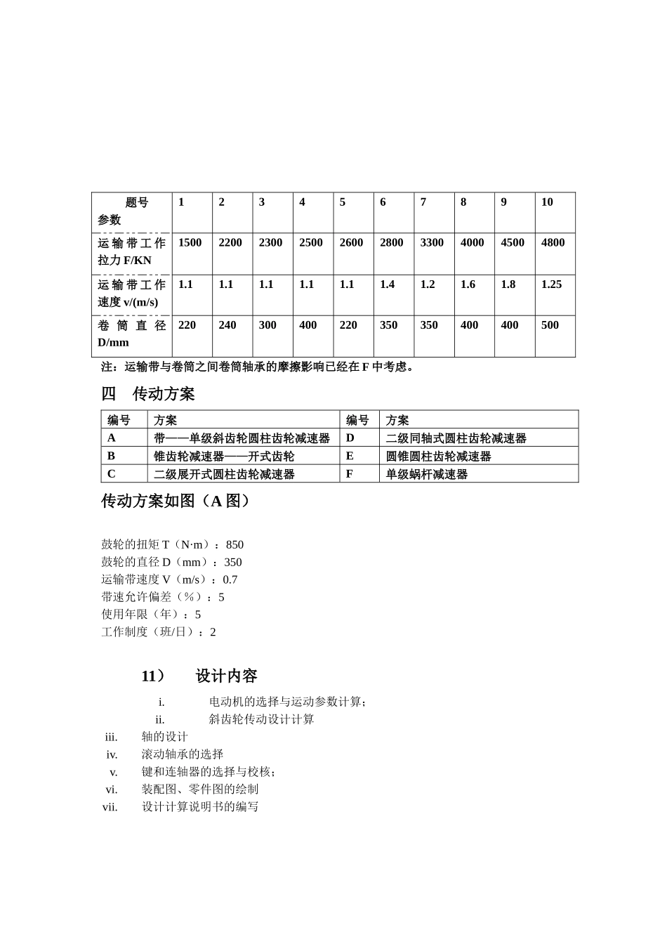
机械设计课程设计任务书设计题目:带式运输机的传动装置的设计一 带式运输机的工作原理带式运输机的传动示意图如图(A 图)二 工作情况:已知条件 1)输送带工作拉力 F=7KN 2)输送带工作速度 v=1.1m/s 3) 滚筒直径 D=400mm 4) 滚筒效率 η=0.96(包括滚筒与轴承的效率损失)5) 工作条件:两班制,连续单向运转,载荷较平稳,室内工作,有灰尘,环境最高温度 35℃;6) 使用折旧期;8 年;7) 检修间隔期:四年一次大修,两年一次中修,半年一次小修;8) 动力来源:电力,三相交流电,电压 380/220V;9) 运输带速度容许误差:±5%;10) 制造条件及生产批量:一般机械厂制造,小批量生产。三 原始数据题号参数12345678910运 输 带 工 作拉力 F/KN1500220023002500260028003300400045004800运 输 带 工 作速度 v/(m/s)1.11.11.11.11.11.41.21.61.81.25卷 筒 直 径D/mm220240300400220350350400400500注:运输带与卷筒之间卷筒轴承的摩擦影响已经在 F 中考虑。四 传动方案编号方案编号方案A带——单级斜齿轮圆柱齿轮减速器D二级同轴式圆柱齿轮减速器B锥齿轮减速器——开式齿轮E圆锥圆柱齿轮减速器C二级展开式圆柱齿轮减速器F单级蜗杆减速器传动方案如图(A 图)鼓轮的扭矩 T(N·m):850鼓轮的直径 D(mm):350运输带速度 V(m/s):0.7带速允许偏差(%):5使用年限(年):5工作制度(班/日):211)设计内容i.电动机的选择与运动参数计算;ii.斜齿轮传动设计计算iii.轴的设计iv.滚动轴承的选择v.键和连轴器的选择与校核;vi.装配图、零件图的绘制vii.设计计算说明书的编写12)设计任务a)减速器总装配图一张b)齿轮、轴零件图各一张c)设计说明书一份13)设计进度1、 第一阶段:总体计算和传动件参数计算2、 第二阶段:轴与轴系零件的设计3、 第三阶段:轴、轴承、联轴器、键的校核及草图绘制4、 第四阶段:装配图、零件图的绘制及计算说明书的编写传动方案的拟定及说明由题目所知传动机构类型为:同轴式二级圆柱齿轮减速器。故只要对本传动机构进行分析论证。本传动机构的特点是:减速器横向尺寸较小,两大吃论浸油深度可以大致相同。结构较复杂,轴向尺寸大,中间轴较长、刚度差,中间轴承润滑较困难。电动机的选择1. 电动机类型和结构的选择因为本传动的工作状况是:载荷平稳、单向旋转。所以选用常用的封闭式 Y(IP44)系列的电动机。2. 电动机容量的选择1) 工作机所需功率 Pw 初...

1、当您付费下载文档后,您只拥有了使用权限,并不意味着购买了版权,文档只能用于自身使用,不得用于其他商业用途(如 [转卖]进行直接盈利或[编辑后售卖]进行间接盈利)。
2、本站所有内容均由合作方或网友上传,本站不对文档的完整性、权威性及其观点立场正确性做任何保证或承诺!文档内容仅供研究参考,付费前请自行鉴别。
3、如文档内容存在违规,或者侵犯商业秘密、侵犯著作权等,请点击“违规举报”。

碎片内容

机械设计-带式运输机的传动装置的设计

书海行舟+ 关注
实名认证
内容提供者

热爱教学事业,对互联网知识分享很感兴趣

确认删除?
VIP
微信客服
  • 扫码咨询
会员Q群
  • 会员专属群点击这里加入QQ群
客服邮箱
回到顶部