电脑桌面
添加小米粒文库到电脑桌面
安装后可以在桌面快捷访问

公路运输量专项调查表式(客车)VIP免费

公路运输量专项调查表式(客车)_第1页
1/43
公路运输量专项调查表式(客车)_第2页
2/43
公路运输量专项调查表式(客车)_第3页
3/43
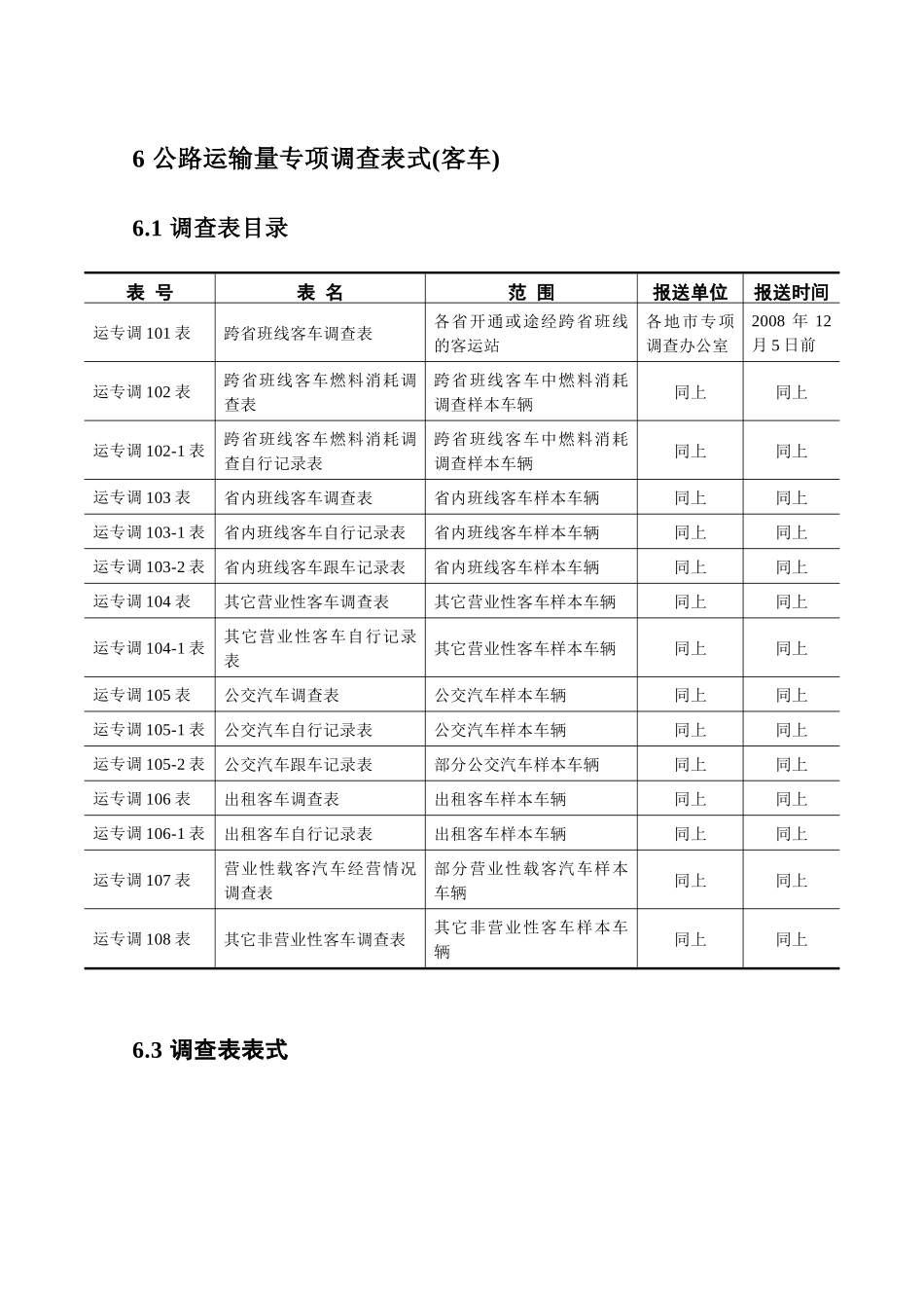
6 公路运输量专项调查表式(客车)6.1 调查表目录表 号表 名范 围报送单位报送时间运专调 101 表跨省班线客车调查表各省开通或途经跨省班线的客运站各地市专项调查办公室2008 年 12月 5 日前运专调 102 表跨省班线客车燃料消耗调查表跨省班线客车中燃料消耗调查样本车辆同上同上运专调 102-1 表跨省班线客车燃料消耗调查自行记录表跨省班线客车中燃料消耗调查样本车辆同上同上运专调 103 表省内班线客车调查表省内班线客车样本车辆同上同上运专调 103-1 表省内班线客车自行记录表省内班线客车样本车辆同上同上运专调 103-2 表省内班线客车跟车记录表省内班线客车样本车辆同上同上运专调 104 表其它营业性客车调查表其它营业性客车样本车辆同上同上运专调 104-1 表其它营业性客车自行记录表其它营业性客车样本车辆同上同上运专调 105 表公交汽车调查表公交汽车样本车辆同上同上运专调 105-1 表公交汽车自行记录表公交汽车样本车辆同上同上运专调 105-2 表公交汽车跟车记录表部分公交汽车样本车辆同上同上运专调 106 表出租客车调查表出租客车样本车辆同上同上运专调 106-1 表出租客车自行记录表出租客车样本车辆同上同上运专调 107 表营业性载客汽车经营情况调查表部分营业性载客汽车样本车辆同上同上运专调 108 表其它非营业性客车调查表其它非营业性客车样本车辆同上同上6.3 调查表表式全国公路水路运输量专项调查跨省班线客车调查表1. 客运站基本信息客运站名称经营许可证编号负责人姓名联系电话客运站级别1.一级 2.二级 3.三级 4.四级及以下跨省班线客车(辆) 2.跨省班线客车售票信息序号车牌号码车籍地区划代码分类汇总售票信息起点站名起点区划代码终点站名终点区划代码起终站之间线路里程(公里)车辆售票数量(张)12345678910表 号:运专调 101 表制表机关:交通部批准机关:国家统计局批准文号:国统函 号有效期至:2008 年 月 日客运站编码序号车牌号码车籍地区划代码分类汇总售票信息起点站名起点区划代码终点站名终点区划代码起终站之间线路里程(公里)车辆售票数量(张)1112131415填表说明: 1. 本表调查时间为 2008 年 11 月 1 日~11 月 30 日。2. 本调查表由开通或途经跨省班线的客运站负责填写。客运站根据调查期内本站所有的跨省班线客车售票记录,按车辆及其售票起终站分类汇总填写。3. 客运站名称、经营许可证编号、客运站级别:分别按道路运政管理机构核发...

1、当您付费下载文档后,您只拥有了使用权限,并不意味着购买了版权,文档只能用于自身使用,不得用于其他商业用途(如 [转卖]进行直接盈利或[编辑后售卖]进行间接盈利)。
2、本站所有内容均由合作方或网友上传,本站不对文档的完整性、权威性及其观点立场正确性做任何保证或承诺!文档内容仅供研究参考,付费前请自行鉴别。
3、如文档内容存在违规,或者侵犯商业秘密、侵犯著作权等,请点击“违规举报”。

碎片内容

公路运输量专项调查表式(客车)

书海行舟+ 关注
实名认证
内容提供者

热爱教学事业,对互联网知识分享很感兴趣

确认删除?
VIP
微信客服
  • 扫码咨询
会员Q群
  • 会员专属群点击这里加入QQ群
客服邮箱
回到顶部