电脑桌面
添加小米粒文库到电脑桌面
安装后可以在桌面快捷访问

电力基建项目管理实施规划(施工组织设计)(范本)VIP免费

电力基建项目管理实施规划(施工组织设计)(范本)_第1页
1/314
电力基建项目管理实施规划(施工组织设计)(范本)_第2页
2/314
电力基建项目管理实施规划(施工组织设计)(范本)_第3页
3/314
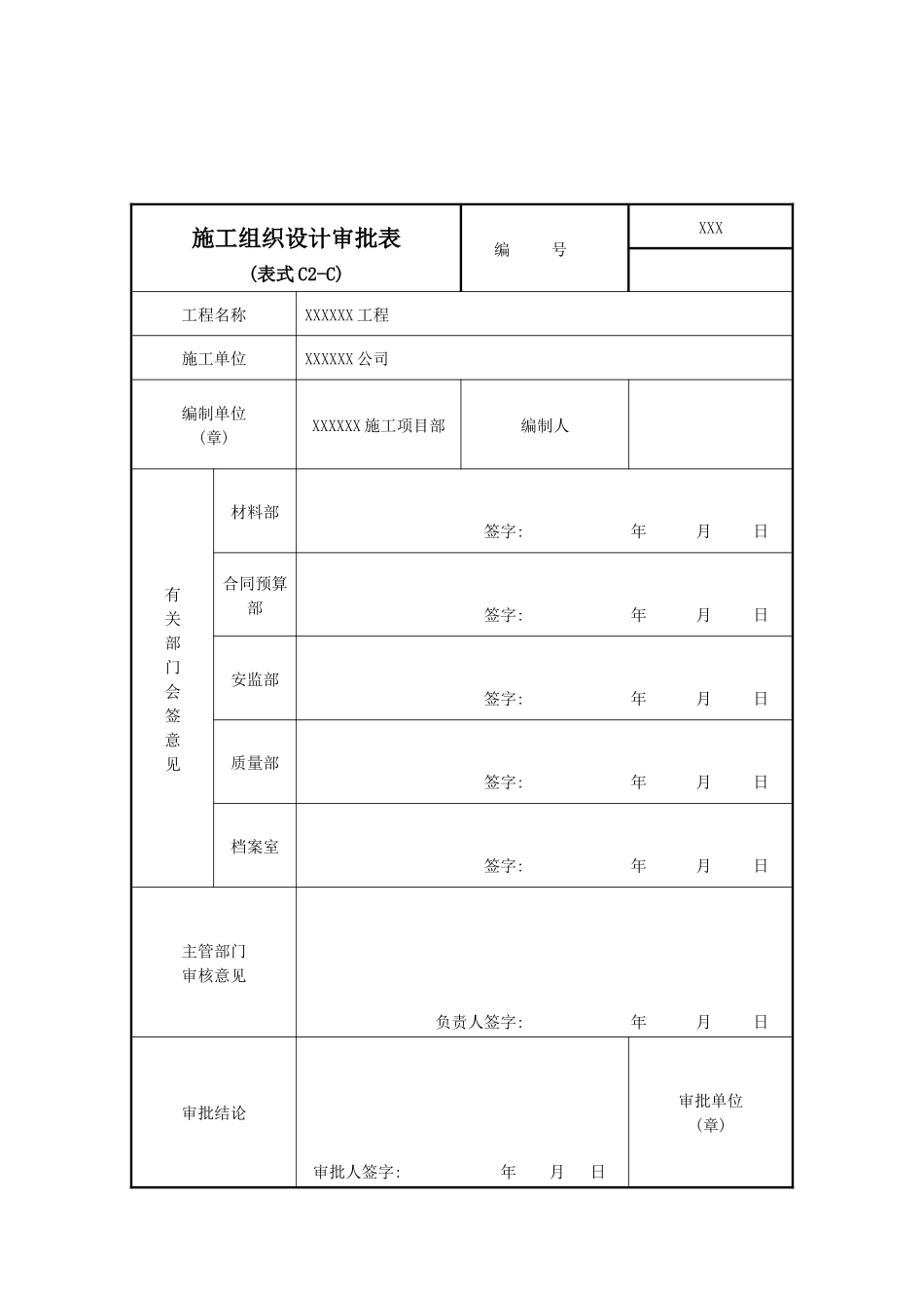
SXMB2*:项目管理实施规划(施工组织设计)XXXXXX 工程项目管理实施规划/施工组织设计(施工单位名称)(加盖施工单位公章) 年 月 日批 准: ( 企业技术负责人 ) 年 月 日审 核: ( 企业安全管理部门 ) 年 月 日 ( 企业质量管理部门 ) 年 月 日 ( 企业技术管理部门 ) 年 月 日编 写: ( 项目经理 ) 年 月 日 ( 主要编写人员 ) 年 月 日施工组织设计审批表(表式 C2-C)编 号XXX工程名称XXXXXX 工程施工单位XXXXXX 公司编制单位(章)XXXXXX 施工项目部编制人有关部门会签意见材料部签字: 年 月 日合同预算部 签字: 年 月 日安监部 签字: 年 月 日质量部 签字: 年 月 日档案室 签字: 年 月 日主管部门审核意见负责人签字: 年 月 日审批结论审批人签字: 年 月 日审批单位(章)目 录第一章 编制依据…………………………………………………………………1第二章 工程概况与工程实施条件分析…………………………………………62.1 工程概述……………………………………………………………… 62.2 工程设计特点、工程量……………………………………………… 62.3 施工实施条件及自然环境分析 ………………………………………6第三章 项目施工管理组织结构…………………………………………………73.1 项目管理组织结构 ……………………………………………………73.2 项目管理职责 …………………………………………………………83.3 工程主要负责人简介 …………………………………………………9第四章 工期目标和施工进度计划………………………………………………114.1 工期目标及分解 ………………………………………………………114.2 施工进度计划及编制说明 ……………………………………………114.3 进度计划图表 …………………………………………………………124.4 进度计划风险分析及控制措施 ………………………………………12第五章 质量管理体系……………………………………………………………165.1 质量目标及分解 ………………………………………………………165.2 质量管理组织机构 ……………………………………………………165.3 质量管理主要职责 ……………………………………………………175.4 质量控制措施 …………………………………………………………215.5 质量薄弱环节及预防措施 …………………………………...

1、当您付费下载文档后,您只拥有了使用权限,并不意味着购买了版权,文档只能用于自身使用,不得用于其他商业用途(如 [转卖]进行直接盈利或[编辑后售卖]进行间接盈利)。
2、本站所有内容均由合作方或网友上传,本站不对文档的完整性、权威性及其观点立场正确性做任何保证或承诺!文档内容仅供研究参考,付费前请自行鉴别。
3、如文档内容存在违规,或者侵犯商业秘密、侵犯著作权等,请点击“违规举报”。

碎片内容

电力基建项目管理实施规划(施工组织设计)(范本)

您可能关注的文档

确认删除?
VIP
微信客服
  • 扫码咨询
会员Q群
  • 会员专属群点击这里加入QQ群
客服邮箱
回到顶部