电脑桌面
添加小米粒文库到电脑桌面
安装后可以在桌面快捷访问

中国建筑标准设计研究所工程设计图纸图幅&图签&首页管理规定VIP免费

中国建筑标准设计研究所工程设计图纸图幅&图签&首页管理规定_第1页
1/8
中国建筑标准设计研究所工程设计图纸图幅&图签&首页管理规定_第2页
2/8
中国建筑标准设计研究所工程设计图纸图幅&图签&首页管理规定_第3页
3/8
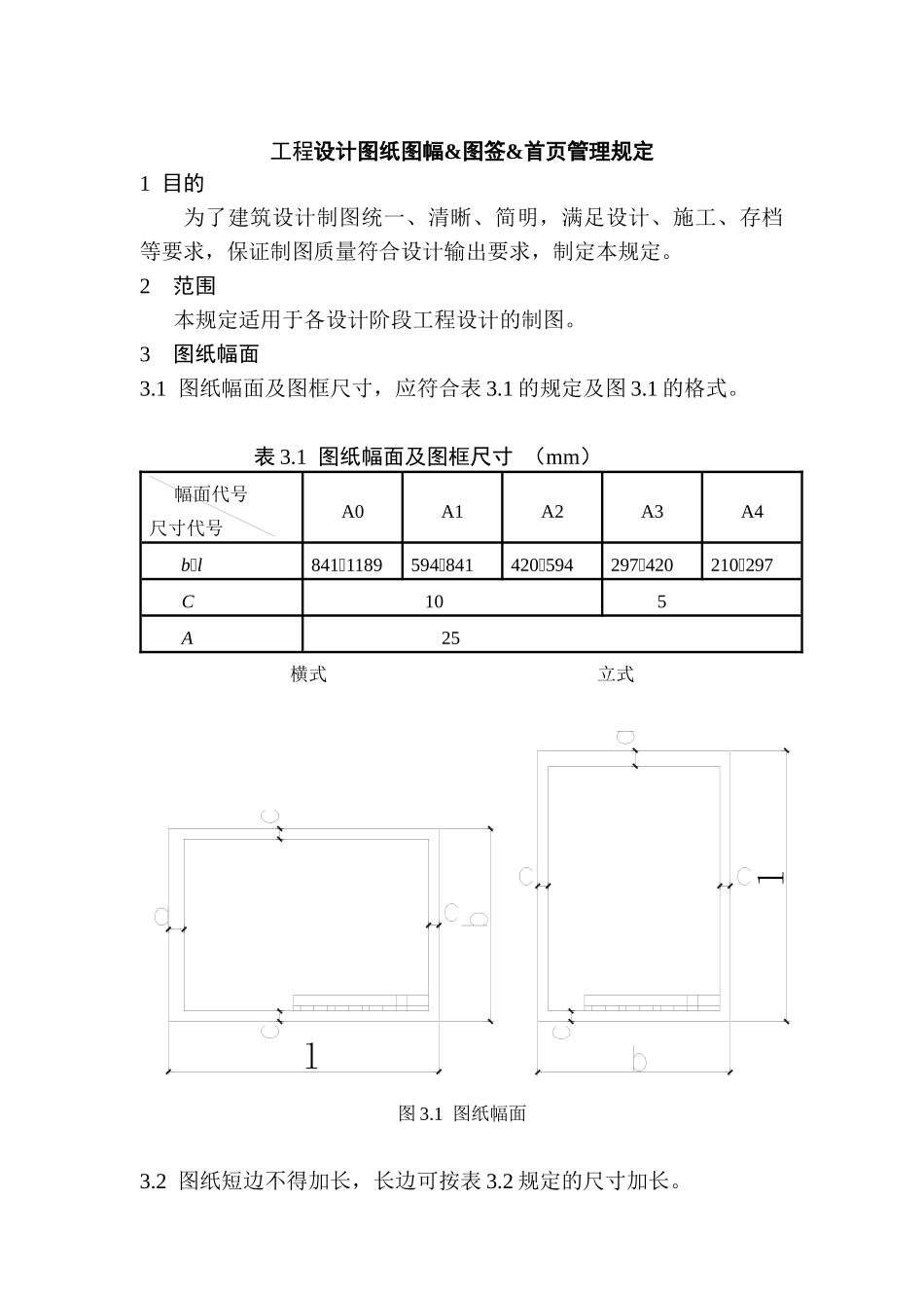
工程设计图纸图幅&图签&首页管理规定1 目的为了建筑设计制图统一、清晰、简明,满足设计、施工、存档等要求,保证制图质量符合设计输出要求,制定本规定。2 范围本规定适用于各设计阶段工程设计的制图。3 图纸幅面3.1 图纸幅面及图框尺寸,应符合表 3.1 的规定及图 3.1 的格式。 表 3.1 图纸幅面及图框尺寸 (mm) 幅面代号尺寸代号A0A1A2A3A4 bl8411189594841420594297420210297 C 10 5 A 25横式 立式 图 3.1 图纸幅面3.2 图纸短边不得加长,长边可按表 3.2 规定的尺寸加长。ll 表 3.2 图纸长边加长尺寸(mm) 幅面代号 长边尺寸 长边加长后尺寸 A0 1189 1338 1487 1635 1784 1932 2081 A1 841 1051 1261 1472 1682 1892 2102 A2 594 743 892 1041 1189 1338 1487 A3 420 631 841 1051 1261 1472 16823.3 A0—A2 图一般宜横式使用,必要时也可立式使用。3.4 一个专业所用图纸,不宜多于两种幅面。4 标题栏与会签栏4.1 标题栏均设置在图纸的右下角(见图 2.1)。4.2 标题栏的尺寸为 18040,按图 3.2 的格式分区。审定、审核、校对、设计主持人、工种负责人及设计,除本人签字外,还应有宋体字打印的实名栏。标题采用黑体字(图 4.2)。4.3 会签栏的格式见图 3.3。会签人的姓名也设置为实名栏和签名栏。一个会签栏不够时,可并列两个。不需会签的图纸可不设会签栏。 图 4.2 标题栏 图 4.3 会签栏5 图线、字体、比例、符号、定位轴线、常用建筑材料图例、画法及尺寸注法等,均按《房《屋建筑制图统一标准》的规定执行。6 图号图号的编写按以下规定:首字以“总、建、结、水、暖、电、弱、动、讯”标注。后面文字根据设计阶段确定:初步设计为“初”;施工图设计为“施”。特殊的编号方式应在图纸目录备注中加以说明。7 扉页中国建筑标准设计研究所交付的方案设计和初步设计,均应有扉页。7.1 扉页格式见图 7.1。7.2 扉页上的签字7.2.1 重要项目的方案设计和初步设计,扉页上应有所长、总建筑(工程)师、设计主持人和方案设计人的签名,签署必须完备。7.2.2. 一般项目的方案设计和初步设计,扉页上应有室主任、主任建筑(工程)师、设计主持人和方案设计人的签名,签署必须完备。8 图纸目录 8.1 作为报批图纸的初步设计图纸,在装订本的所有图纸前应填写全部图纸目录。8.2 施工图设计,各专业在施工图中应列出图纸目录,格式见图8.2...

1、当您付费下载文档后,您只拥有了使用权限,并不意味着购买了版权,文档只能用于自身使用,不得用于其他商业用途(如 [转卖]进行直接盈利或[编辑后售卖]进行间接盈利)。
2、本站所有内容均由合作方或网友上传,本站不对文档的完整性、权威性及其观点立场正确性做任何保证或承诺!文档内容仅供研究参考,付费前请自行鉴别。
3、如文档内容存在违规,或者侵犯商业秘密、侵犯著作权等,请点击“违规举报”。

碎片内容

中国建筑标准设计研究所工程设计图纸图幅&图签&首页管理规定

您可能关注的文档

确认删除?
VIP
微信客服
  • 扫码咨询
会员Q群
  • 会员专属群点击这里加入QQ群
客服邮箱
回到顶部