电脑桌面
添加小米粒文库到电脑桌面
安装后可以在桌面快捷访问

软基加固中的塑料排水板施工技术VIP免费

软基加固中的塑料排水板施工技术_第1页
1/4
软基加固中的塑料排水板施工技术_第2页
2/4
软基加固中的塑料排水板施工技术_第3页
3/4
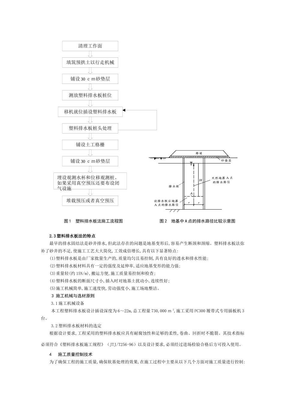
软基加固中的塑料排水板施工技术□广东省航盛工程有限公司 林旺孙 蔡福旺摘 要:结合工程实例,分析了软基加固中塑料排水板法的加固原理,介绍了施工质量控制的技术措施。关键词:软基加固 塑料排水板 加固原理 质量控制1 工程概况国内某港口工程的后方集装箱堆场面积 110,000 m 2。根据地质勘察报告得知该工程位于第四系平原区,地质为上更新统的海积、冲洪积的含粘性土、砂砾石层及海相堆积。海相堆积的亚粘土、淤泥质土厚度大,极疏松,属软土区域,具有以下特点:(1)天然含水量高、孔隙比大。含水量在 39%~72%之间,孔隙比在 1.0~1.9 之间,饱和度一般大于95%,液限一般为 35%~60%,塑性指数为 13~20,天然重力密度为 15~19kN/m 3;(2)透水性差。大部分软土的渗透系数为 1×10-3~1×10-7cm/s;(3)压缩性高。压缩系数为 0 5~2 0 M Pa-1,属高压缩性土;(4)抗剪强度低。地基土快剪试验的粘聚力在 10kPa 左右,快剪试验的内摩擦角在 10°~15°之间;(5)流变性显著。长期抗剪强度只有一般抗剪强度的 0.4~0.8 倍。基于地基土的以上特点,若对软基不加处理或处理措施不当,都将导致集装箱堆场使用过程中的过量沉降或不均匀沉降以及码头岸坡失稳等不良后果。根据设计要求,该工程的软土地基处理方法主要有两种:塑料排水板处理和粉喷桩处理。其中塑料排水板法处理面积为 82500 m 2,占软基总面积的 75%,为本工程软基处理的主要方法。以下简单介绍施工过程中一些关于塑料排水板处理软基的技术措施。2 塑料排水板法的加固原理及特点2.1 塑料排水板法的工艺流程塑料排水板法的施工工艺流程一般如图 1 所示。2.2 塑料排水板法的加固原理塑料排水板法是排水固结法的一种形式。排水固结法或是先在地基中设置砂井或塑料排水板法等竖向排水体,然后利用建(构)筑物本身重量分级逐渐加载;或是在建(构)筑物建造以前,在场地先行加载预压(或者真空预压),使土体中的孔隙水排出,逐渐固结,地基发生沉降,同时强度提高的方法。该方法是处理软土地基的有效方法之一,它可以解决以下两个问题:(1)沉降问题,使地基的沉降在加载预压期间大部分或基本完成,使构筑物在使用期间不致产生不利的沉降或沉降差。(2)稳定问题,加速地基土的抗剪强度的增长,从而提高地基的承载力和稳定性。塑料排水板法的加固原理是:利用插板机械在含水量大、孔隙比大、压缩性高、深厚的软土地基中插设具有良好透水性的塑料排水板...

1、当您付费下载文档后,您只拥有了使用权限,并不意味着购买了版权,文档只能用于自身使用,不得用于其他商业用途(如 [转卖]进行直接盈利或[编辑后售卖]进行间接盈利)。
2、本站所有内容均由合作方或网友上传,本站不对文档的完整性、权威性及其观点立场正确性做任何保证或承诺!文档内容仅供研究参考,付费前请自行鉴别。
3、如文档内容存在违规,或者侵犯商业秘密、侵犯著作权等,请点击“违规举报”。

碎片内容

软基加固中的塑料排水板施工技术

文泉书屋+ 关注
实名认证
内容提供者

热爱教学事业,对互联网知识分享很感兴趣

确认删除?
VIP
微信客服
  • 扫码咨询
会员Q群
  • 会员专属群点击这里加入QQ群
客服邮箱
回到顶部