电脑桌面
添加小米粒文库到电脑桌面
安装后可以在桌面快捷访问

某房地产某小区天然气工程施工组织设计方案VIP免费

某房地产某小区天然气工程施工组织设计方案_第1页
1/17
某房地产某小区天然气工程施工组织设计方案_第2页
2/17
某房地产某小区天然气工程施工组织设计方案_第3页
3/17
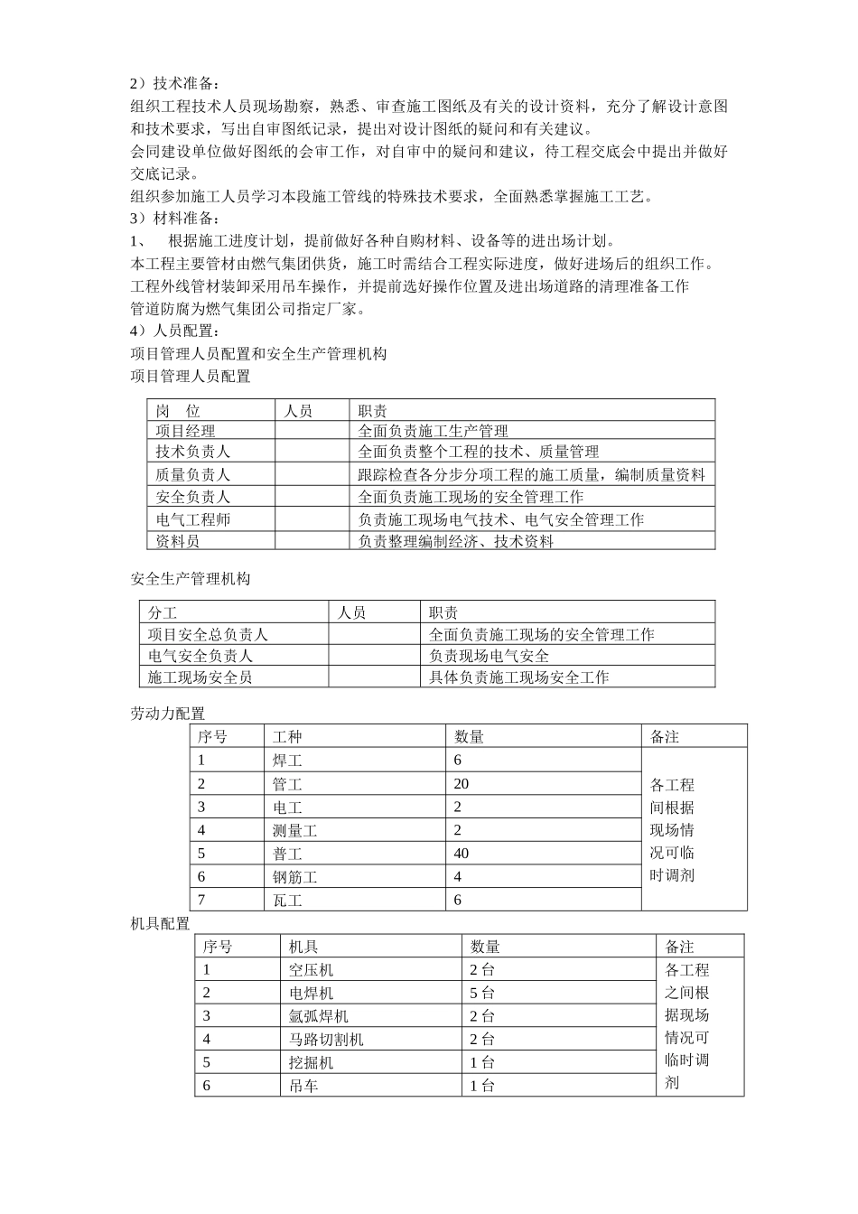
目录第一章 编制依据、工程概况.施工部署.施工方案等.doc............................2第二章 施工进度计划............................................................9第三章 主要资源计划表.........................................................10第四章 临时用地表.............................................................12第五章 主要施工工艺及施工方案.................................................13第六章 质量保证措施...........................................................27第七章 环境保护、文明施工措施.................................................34第八章 安全施工措施...........................................................36第九章 确保工期的技术组织措施.................................................38第十章 其他主要技术方案(雨季施工措施).......................................39编制依据、工程概况.施工部署.施工方案等.doc编制依据北京市液化石油气工程设计所设计的《某房地产某小区天然气工程》全套图纸《城镇燃气设计规范》(GB50028-93)2002 年版《城镇燃气埋地钢质管道腐蚀控制技术规程》(CJJ95-2003/J273-2003)《城镇燃气室内工程施工及验收规范》(CJJ94-2003)《北京市地下煤气管道设计、施工、验收技术规定》 《城镇燃气输配送工程施工及验收规范》(CJJ33-89)《工业金属管道工程施工及验收规范》(GB50235-97)《城镇燃气埋地钢质管道腐蚀控制技术规程》(CJJ95-2003/J273-2003)《北京市地下煤气管道设计、施工、验收技术规定》DBJ01-701-89(天然气参用)(10)《现场设备、工业管道焊接工程施工及验收规范》(GB50236-98)(11)《建筑设备施工安装通用图集》(91SB8)(12)《装配式管道支吊架选用及安装》(13)《施工现场临时用电安全技术规程》(JGJ46-88)(14)北京市市政工程施工规程及有关燃气工程施工的法规和技术标准2、工程概况本工程为某房地产某小区天然气工程,工程地点在朝阳区平房乡黄杉木店。在平房西路有现状天然气 DN400 中压管线,本设计由上述 DN400 中压线接气向西铺设 DN300 中压天然气管线,在 0+50 米处设闸井一座,西行 246 米后进入小区,在小区东南角设中低压调压站一座,供民用户用气,站前 11 米处做双管双阀闸井一座;在 DN300 中压燃气管线 0+317 米位置接出 DN200 中压天...

1、当您付费下载文档后,您只拥有了使用权限,并不意味着购买了版权,文档只能用于自身使用,不得用于其他商业用途(如 [转卖]进行直接盈利或[编辑后售卖]进行间接盈利)。
2、本站所有内容均由合作方或网友上传,本站不对文档的完整性、权威性及其观点立场正确性做任何保证或承诺!文档内容仅供研究参考,付费前请自行鉴别。
3、如文档内容存在违规,或者侵犯商业秘密、侵犯著作权等,请点击“违规举报”。

碎片内容

某房地产某小区天然气工程施工组织设计方案

您可能关注的文档

确认删除?
VIP
微信客服
  • 扫码咨询
会员Q群
  • 会员专属群点击这里加入QQ群
客服邮箱
回到顶部