电脑桌面
添加小米粒文库到电脑桌面
安装后可以在桌面快捷访问

钢桩施工工艺标准VIP免费

钢桩施工工艺标准_第1页
1/9
钢桩施工工艺标准_第2页
2/9
钢桩施工工艺标准_第3页
3/9
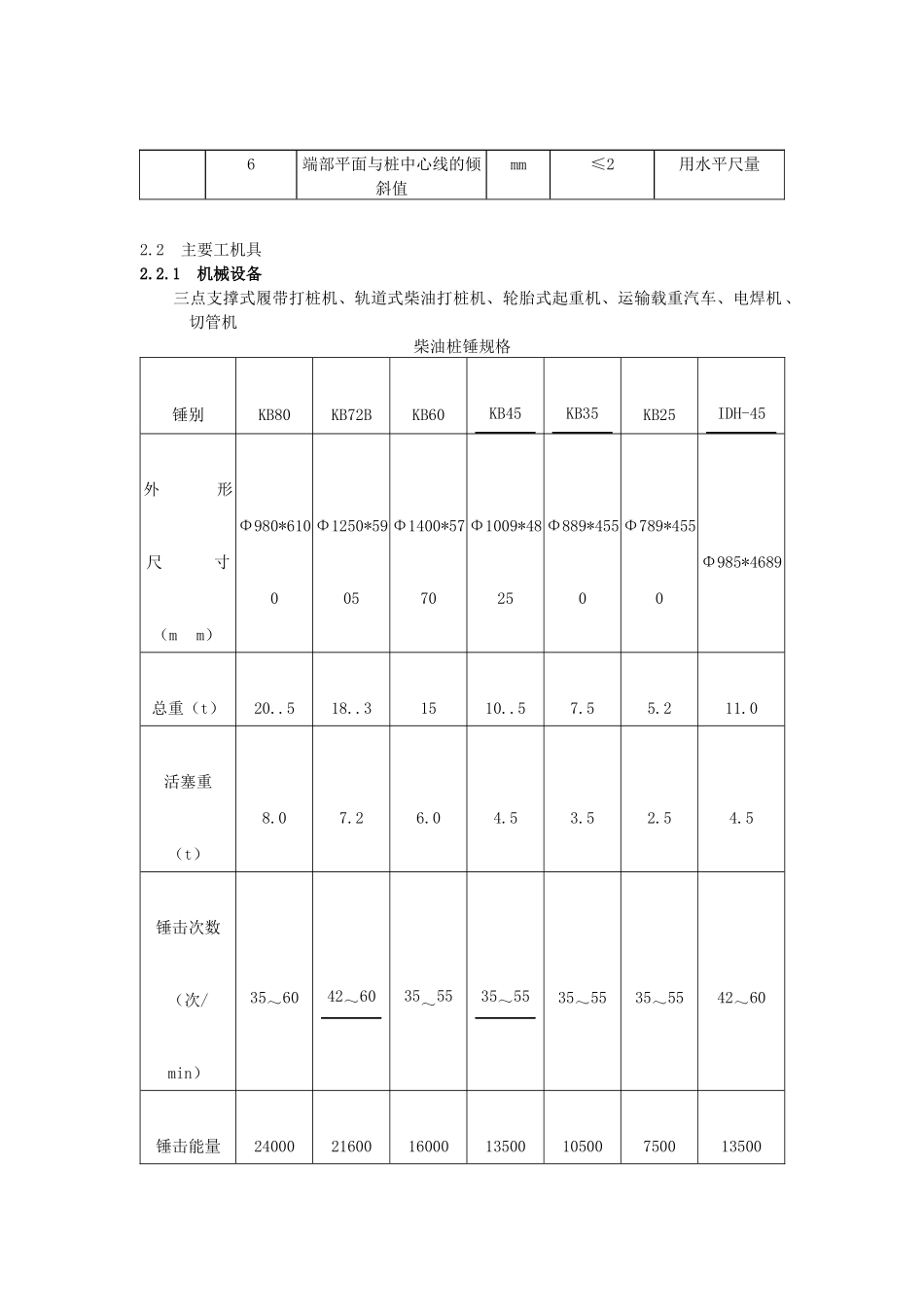
钢桩施工工艺标准1 适用范围 本工艺标准适用于一般钢管桩或 H 型钢桩基础工程。2 施工准备2. 1 原材料要求2.1.1 钢桩的材料(含其它半成品)进场后,应按规格、品种、牌号堆放,抽样检验,检验结果与合格证相符者方可使用,未经进货检验或未经检验合格的物资不得投入使用。2.1.2 钢管质量验收:按设计图纸规格尺寸及有关规范,允许误差,实测实量及外观全数检查验货,特别是钢管的垂直度和内外径是否达到要求,作为重点检查,经检查验收合格后,方能进货安装。2.1.3 螺旋焊管钢桩钢管:壁厚为 6~19mm 长度不限,卷板焊管钢桩钢管:壁厚为 6~47mm 长度不超过 6m。型号为 STK、SKK 号钢卷制。2.1.4 H 型钢,为标准型钢,材质为普通碳素钢、16Mn 钢或海港工程用防氯盐钢材。2.1.5 钢管桩顶部抗锤击和底部为减少摩擦抗变形的加强箍,用宽 200~300mm、厚 6~12mm 和钢管桩材质相同的钢板制作,用电焊满焊,焊接时箍板的纵缝要和卷焊桩管的纵缝错开 90 度。2.1.6 钢桩应按规格分别堆放(即上节桩、中节桩、下节桩)一般堆叠层数为三层(高度控制在 2m 以内)。支点用枕木两侧用木楔塞牢,防止变形。2.1.7 成品钢桩的质量检验标准 成品钢桩的质量检验标准 项序检查项目允许偏差或允许值检查方法单位数值主控项目1钢 桩 外 径 或 断 面 尺寸:桩端 桩身0.5%D1D 用钢尺量,D 为外径或边长2矢高<1/1000L用 钢 尺 量 , L为桩长3长度mm+10用钢尺量4端部平整度mm≤2用水平尺量5H 钢桩的方正度 h > 300h 300hT′mmT+T′≤8T+T′≤8用钢尺量,h、T、T′见图示6端部平面与桩中心线的倾斜值mm≤2用水平尺量2.2 主要工机具2.2.1 机械设备 三点支撑式履带打桩机、轨道式柴油打桩机、轮胎式起重机、运输载重汽车、电焊机、切管机柴油桩锤规格锤别KB80KB72BKB60KB45KB35KB25IDH-45外 形 尺 寸 (m m)Φ980*6100Φ1250*5905Φ1400*5770Φ1009*4825Φ889*4550Φ789*4550Φ985*4689总重(t)20..518..31510..57.55.211.0活塞重(t)8.07.26.04.53.52.54.5锤击次数(次/min)35~6042~6035~5535~5535~5535~5542~60锤击能量2400021600160001350010500750013500击至设计深度(内切钢管桩)割桩头修坡口焊装盖(kg·.m)爆发力(t)3002802461911501081912.2.2 主要工具 钢丝绳吊索、卡环、撬杠、气焊工具、扁铲。2.3 作业条件 2.3.1 打桩现场三通一平,处理打桩地基上面障碍物,清理、...

1、当您付费下载文档后,您只拥有了使用权限,并不意味着购买了版权,文档只能用于自身使用,不得用于其他商业用途(如 [转卖]进行直接盈利或[编辑后售卖]进行间接盈利)。
2、本站所有内容均由合作方或网友上传,本站不对文档的完整性、权威性及其观点立场正确性做任何保证或承诺!文档内容仅供研究参考,付费前请自行鉴别。
3、如文档内容存在违规,或者侵犯商业秘密、侵犯著作权等,请点击“违规举报”。

碎片内容

钢桩施工工艺标准

您可能关注的文档

确认删除?
VIP
微信客服
  • 扫码咨询
会员Q群
  • 会员专属群点击这里加入QQ群
客服邮箱
回到顶部