电脑桌面
添加小米粒文库到电脑桌面
安装后可以在桌面快捷访问

初中物理密度测量方法总汇(老师版)VIP免费

初中物理密度测量方法总汇(老师版)_第1页
1/6
初中物理密度测量方法总汇(老师版)_第2页
2/6
初中物理密度测量方法总汇(老师版)_第3页
3/6
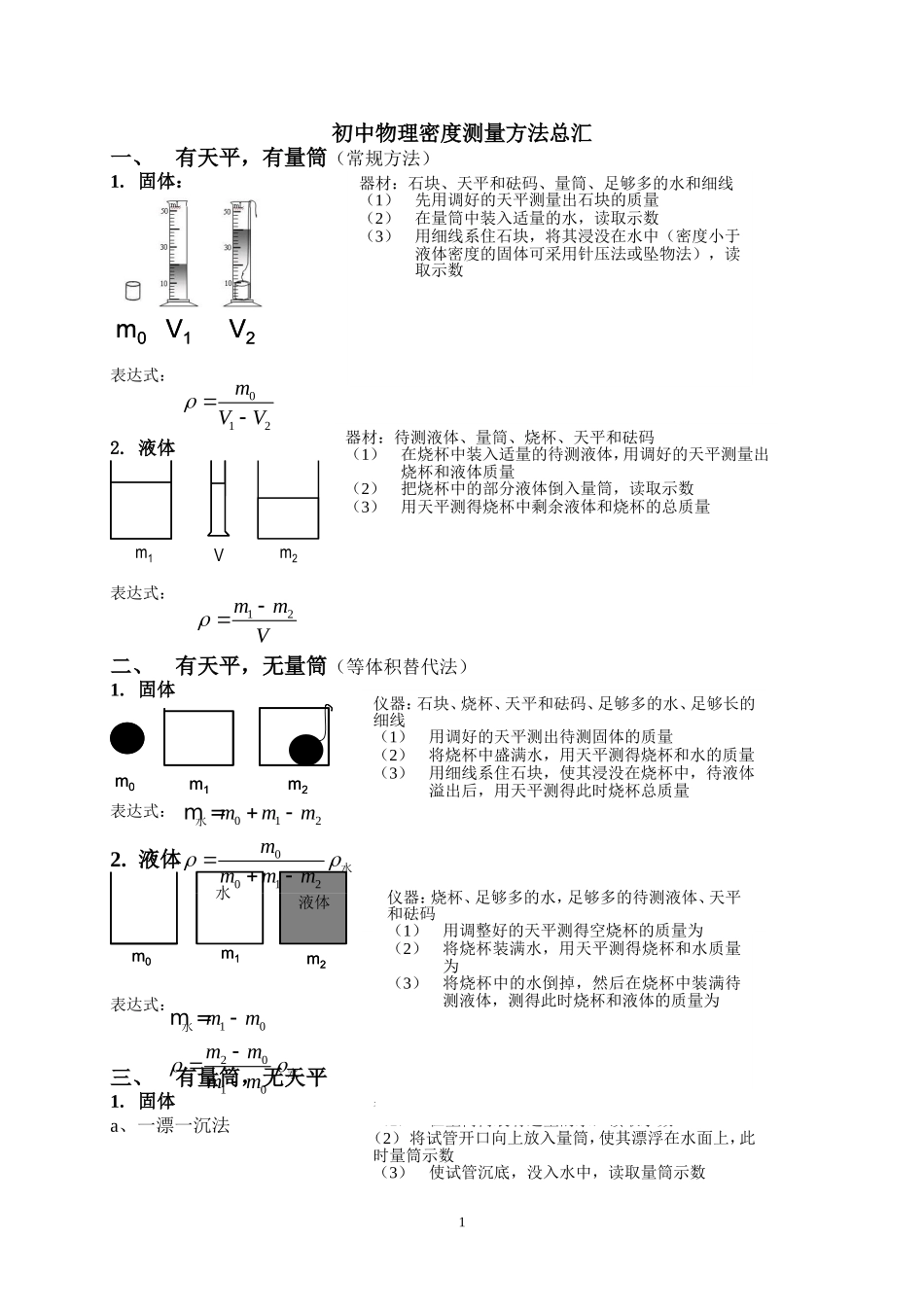
器材:天平、待测试管,足够多的水(1)在量筒内装有适量的水,读取示数(2)将试管开口向上放入量筒,使其漂浮在水面上,此时量筒示数(3)使试管沉底,没入水中,读取量筒示数初中物理密度测量方法总汇一、有天平,有量筒(常规方法)1.固体:m0V1V2m0V1V2表达式:2.液体m1Vm2表达式:二、有天平,无量筒(等体积替代法)1.固体m0m1m2m0m1m2表达式:2.液体m0m1m2水液体m0m1m2水液体表达式:三、有量筒,无天平1.固体a、一漂一沉法1012mVV12mmV器材:石块、天平和砝码、量筒、足够多的水和细线(1)先用调好的天平测量出石块的质量(2)在量筒中装入适量的水,读取示数(3)用细线系住石块,将其浸没在水中(密度小于液体密度的固体可采用针压法或坠物法),读取示数器材:待测液体、量筒、烧杯、天平和砝码(1)在烧杯中装入适量的待测液体,用调好的天平测量出烧杯和液体质量(2)把烧杯中的部分液体倒入量筒,读取示数(3)用天平测得烧杯中剩余液体和烧杯的总质量0120012mmmmmmm水水m=仪器:石块、烧杯、天平和砝码、足够多的水、足够长的细线(1)用调好的天平测出待测固体的质量(2)将烧杯中盛满水,用天平测得烧杯和水的质量(3)用细线系住石块,使其浸没在烧杯中,待液体溢出后,用天平测得此时烧杯总质量102010mmmmmm水水m=仪器:烧杯、足够多的水,足够多的待测液体、天平和砝码(1)用调整好的天平测得空烧杯的质量为(2)将烧杯装满水,用天平测得烧杯和水质量为(3)将烧杯中的水倒掉,然后在烧杯中装满待测液体,测得此时烧杯和液体的质量为器材:水槽、烧杯、量筒、足够多的水和细线、石块、笔或橡皮筋(1)用细线系住石块,将其放入烧杯内,然后烧杯放入盛有水的水槽内,用笔在烧杯上标记出液面(2)取出烧杯内的固体,往烧杯里缓慢倒入水,直到水槽内液面达到标记的高度(3)将烧杯内水倒入量筒内,读取示数为V1(4)在量筒内装有适量的水,示数为V2,然后通过细线将固体放入液体内,测得此时示数为V3器材:量筒、足够的水、待测液体、密度较小的固体(1)量筒内装有体积为的水(2)将一密度较小的固体放入水中,测得体积为(3)在量筒内装入适量的液体,测得体积为(4)再将固体放入该液体内,测得体积为V1V2V3V1V1V2V3表达式:b、(曹冲称象法)V1V2V3V1V2V3V1V2V3V1V1V2V3表达式:c、V2V3V1V2V3V1公式:3.液体a、等浮力法V1V2V3V4水液水液V1V2V2V3V4V4水液水液公式:b、(曹冲称象法)2212131VVVVVV水水m=()2131VVVV水43212143VVVVVVVV液水水g()=g()132VVV水器材:量筒、待测固体、足够的水和细线、木块或塑料盒(1)将一木块放入盛有水的量筒内,测得体积为(2)将待测固体放在木块上,测得量筒示数为(3)然后通过细线将固体也放入量筒内,此时量筒示数为器材:小烧杯、水槽、量筒、待测液体、足够的水(1)在小烧杯中倒入适量的水,然后将小烧杯放入一个水槽内,标记出液面高度(2)将小烧杯中的水倒入量筒内测得体积为(3)将小烧杯放在大烧杯内,将待测液体缓慢的倒入小烧杯内,直到水槽内液面上升到标记处(4)将小烧杯内的待测液体倒入量筒内测得体积为V1V2水液V1V1V2水液表达式:四、只有弹簧测力计1.固体(双提法)G0FG0F表达式:2.液体(三提法)G0F1F2水液G0F1F2水液表达式:五、只有刻度尺1.土密度计法表达式:器材:刻度尺,烧杯、足够的水和待测液体、粗细均匀的塑料棒或木棒,足够的金属丝(1)取粗细均匀的木棒,用刻度尺测量其长度h,底部缠上足够的金属丝(2)烧杯中装入足够多的水,将木棒放入烧杯内竖直漂浮,用刻度尺测量露出水面的高度321VV水000水排水GgV=G-F,G-F0120201FF水排液排液水GgV=gVG-FG-F1212hhhh水液液水gh=gh器材:弹簧测力计、待测液体、石块、烧杯、足够多的水和细线(1)用细线系住石块,用调整好的弹簧测力计测得金属块的重力(2)将烧杯中装入足够多的水,用弹簧测力计悬挂着金属块浸没在水中,不触及烧杯侧壁和底部此时示数为(3)将烧杯中装入足够多的待测液体,用...

1、当您付费下载文档后,您只拥有了使用权限,并不意味着购买了版权,文档只能用于自身使用,不得用于其他商业用途(如 [转卖]进行直接盈利或[编辑后售卖]进行间接盈利)。
2、本站所有内容均由合作方或网友上传,本站不对文档的完整性、权威性及其观点立场正确性做任何保证或承诺!文档内容仅供研究参考,付费前请自行鉴别。
3、如文档内容存在违规,或者侵犯商业秘密、侵犯著作权等,请点击“违规举报”。

碎片内容

初中物理密度测量方法总汇(老师版)

您可能关注的文档

文章天下+ 关注
实名认证
内容提供者

各种文档应有尽有

确认删除?
VIP
微信客服
  • 扫码咨询
会员Q群
  • 会员专属群点击这里加入QQ群
客服邮箱
回到顶部