电脑桌面
添加小米粒文库到电脑桌面
安装后可以在桌面快捷访问

OCL音频功率放大器VIP免费

OCL音频功率放大器_第1页
1/9
OCL音频功率放大器_第2页
2/9
OCL音频功率放大器_第3页
3/9
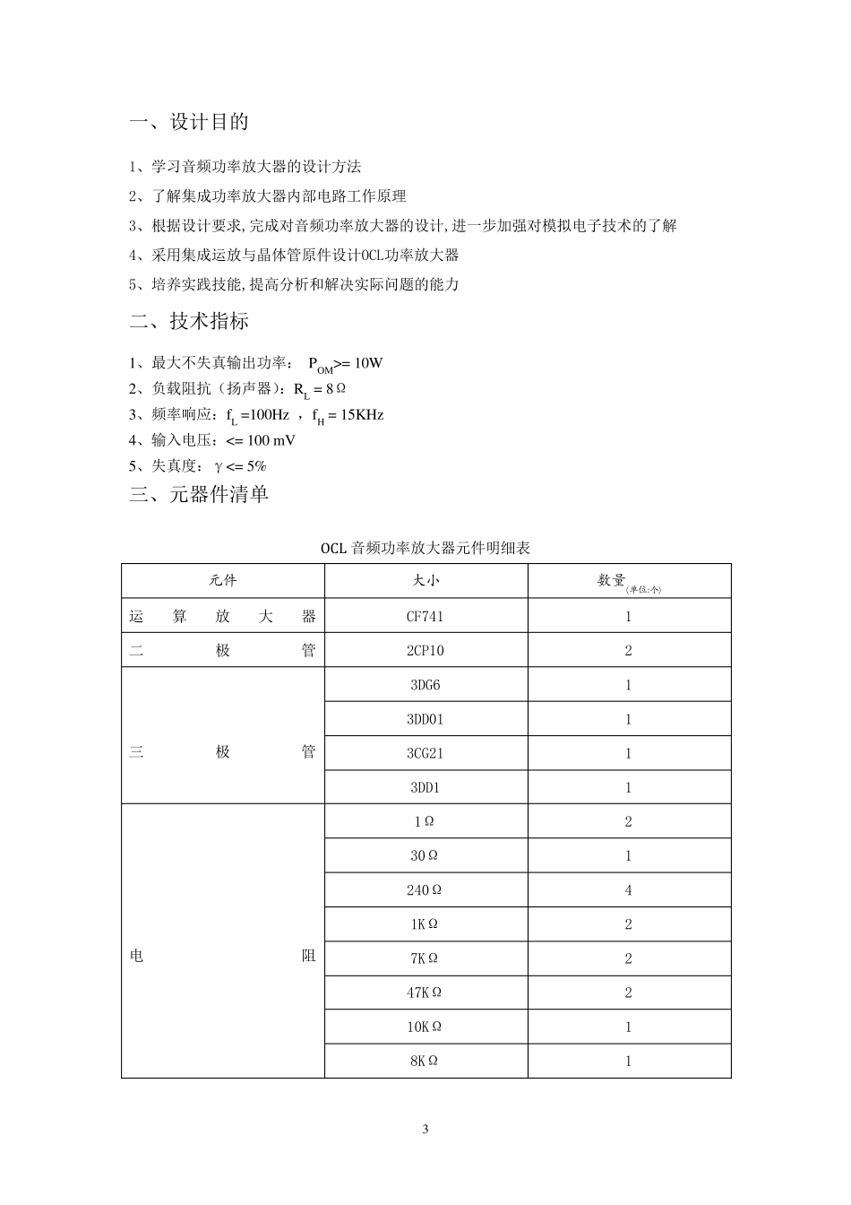
1 《模拟电子技术基础》 课程设计报告 设计题目:OCL 音频功率放大器 院 系: 专 业: 班 级: 姓 名: 同组人员: 学 号:********* 二0 一三年 六月 三十日 2 目录 首页 .................................................................................................................. 错误!未定义书签。 目录 .................................................................................................................................................. 2 一、设计目的 ................................................................................................................................... 3 二、技术指标 ................................................................................................................................... 3 三、元器件清单 ............................................................................................................................... 3 四、电路框图 ................................................................................................................................... 4 五、单元电路的设计 ....................................................................................................................... 4 <1>总体方案设计 .................................................................................................................... 4 <2>单元电路的选择与设计 .................................................................................................... 5 <3>总电路图及工作原理 ........................................................................................................ 6 <4>问题及解决 ........................................................................................................................ 8 六、心得体会 ................................................................................................... 错误!未定义书签。 七、参考文献 ...............................................................................................

1、当您付费下载文档后,您只拥有了使用权限,并不意味着购买了版权,文档只能用于自身使用,不得用于其他商业用途(如 [转卖]进行直接盈利或[编辑后售卖]进行间接盈利)。
2、本站所有内容均由合作方或网友上传,本站不对文档的完整性、权威性及其观点立场正确性做任何保证或承诺!文档内容仅供研究参考,付费前请自行鉴别。
3、如文档内容存在违规,或者侵犯商业秘密、侵犯著作权等,请点击“违规举报”。

碎片内容

OCL音频功率放大器

您可能关注的文档

确认删除?
VIP
微信客服
  • 扫码咨询
会员Q群
  • 会员专属群点击这里加入QQ群
客服邮箱
回到顶部