电脑桌面
添加小米粒文库到电脑桌面
安装后可以在桌面快捷访问

创优计划及方案VIP免费

创优计划及方案_第1页
1/24
创优计划及方案_第2页
2/24
创优计划及方案_第3页
3/24
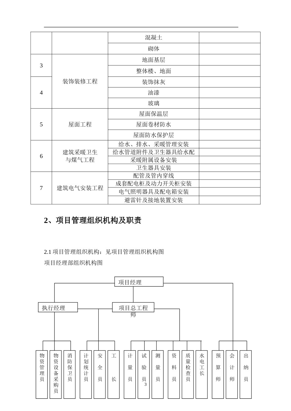
1、概述1.1本计划依据公司签订的《唐山市师范学院图书馆改扩建工程施工总承包合同》施工合同和本公司《质量手册》及相关程序文件编制,使用于该工程全部施工过程的质量管理和控制,与本项目施工有关的所有人员必须遵照执行。1.2本项目的质量目标是:唐山市优质结构,力争“长城杯”工程,本工程创优计划如下:序号创优分部创优子分部创优分项备注1地基与基础工程支护土方土方开挖土方回填地下防水防水砼工程卷材防水工程混凝土基础钢筋工程混凝土工程2主体结构工程混凝土结构钢筋工程混凝土工程砌体结构砌筑工程钢结构钢结构制作、安装3建筑装饰装修工程地面地面基层工程整体楼、地面工程门窗木门安装工程铝合金门窗工程塑料门窗安装工程吊顶暗龙骨吊顶轻质隔墙骨架隔墙外墙保温、岩片漆抹灰装饰抹灰工程涂饰涂料涂饰饰面板(砖)饰面砖安装细部门窗套制作、护栏和扶手制作安装4建筑屋面工程卷材防水屋面屋面保温层工程屋面卷材防水层工程屋面防水保护层工程5建筑给水、排水及采暖室内给水系统给水管道安装工程给水管道附件及配件安装室内排水系统排水管道及配件安装工程室内采暖系统采暖管道安装工程采暖附属设备安装工程卫生器具安装卫生器具安装工程室外给水管网给水管道安装室外排水管网排水管道安装供热锅炉及辅助设备安装锅炉安装6建筑电气工程变配电室成套配电柜、控制柜安装供电干线电缆沟内和竖井内电缆敷设电气动力成套配电柜、控制柜安装电气照明安装专业灯具安装备用和不间断电源安装成套配电柜、照明配电箱安装防雷及接地安装避雷针及接地装置安装工程7智能建筑通讯网络系统通讯系统办公自动化系统计算机网络系统建筑设备系统变配电系统、照明系统、电梯系统等火灾报警及消防联动系统火灾和可可燃气体探测系统、火灾报警及消防联动系统综合布线系统线缆敷设、机柜、机架、配线架安装等电源与接地智能建筑电源、防雷接地环境空间环境、视觉照明环境住宅智能化系统各分项工程8通风与空调工程送排风系统风管制作安装、风机安装调试等防排烟系统风管制作安装、风机安装调试等除尘系统风管制作安装、风机安装调试等9电梯安装工程电力驱动的曳引式或强制式电梯安装曳引装置组装工程导轨组装、轿箱、层门电器装置安装工程安全保护装置试运转序号创优分部创优分项备注1地基与基础工程土方防水砼钢筋混凝土2主体工程钢筋2混凝土砌体3装饰装修工程地面基层整体楼、地面4装饰抹灰油漆玻璃5屋面工程屋面保温层屋面卷材防水屋面防水保护层6建筑采暖卫生与煤气工程给水、排水、采暖管理安装给水管道附件及卫生器具给水配采暖附属设备安装卫生器具安装7建筑电气安装工程配管及管内穿线成套配电柜及动力开关柜安装电气照明器具及配电箱安装避雷针及接地装置安装2、项目管理组织机构及职责2.1项目管理组织机构:见项目管理组织机构图项目经理部组织机构图3项目经理项目总工程师消防保卫员计划统计员安全员工长物资管理员物资设备采购员计量员试验员测量员资料员质量检查员水电工长预算师会计师出纳员执行经理2.2各职位人员名单职位姓名职位姓名职位姓名项目经理1人材料员1人预算员1人项目总工1人机械员1人土建施工员2人安全员1人安装施工员2人试验员1人质量检查员2人库管员1人2.3.1项目经理a)履行合同,执行公司质量方针,实现工程质量目标:唐山市优良工程;b)组织建立和完善本项目管理机构,明确项目管理人员职责,建立健全项目内各种责任制;c)组织项目质量策划和质量计划的编制、实施及修改工作;d)组织制定项目其它各项规划、计划,对本工程项目的成本、质量、安全、工期及现场文明施工等日常管理工作全面负责;e)合理配置并组织落实项目的各种资源,按公司质量体系要求组织项目的施工生产活动;f)对工程分包商实施管理。2.3.2项目总工a)组织项目人员进行图纸会审(包括图纸发放);b)编制施工组织设计;并发放至有关部门和人员;c)确定施工关键过程和特殊过程,并编制质量控制要点;d)组织编制技术交底书,并逐级交底至作业班组;e)负责项目技术洽商,处理设计变更有关事宜;f)负责项目的技术复核工作;g)参与质量事故和不合格品的处理,编制技术处理方案;h)组织对工程质量进行...

1、当您付费下载文档后,您只拥有了使用权限,并不意味着购买了版权,文档只能用于自身使用,不得用于其他商业用途(如 [转卖]进行直接盈利或[编辑后售卖]进行间接盈利)。
2、本站所有内容均由合作方或网友上传,本站不对文档的完整性、权威性及其观点立场正确性做任何保证或承诺!文档内容仅供研究参考,付费前请自行鉴别。
3、如文档内容存在违规,或者侵犯商业秘密、侵犯著作权等,请点击“违规举报”。

碎片内容

创优计划及方案

确认删除?
VIP
微信客服
  • 扫码咨询
会员Q群
  • 会员专属群点击这里加入QQ群
客服邮箱
回到顶部