电脑桌面
添加小米粒文库到电脑桌面
安装后可以在桌面快捷访问

PCB表面处理工艺VIP免费

PCB表面处理工艺_第1页
1/13
PCB表面处理工艺_第2页
2/13
PCB表面处理工艺_第3页
3/13
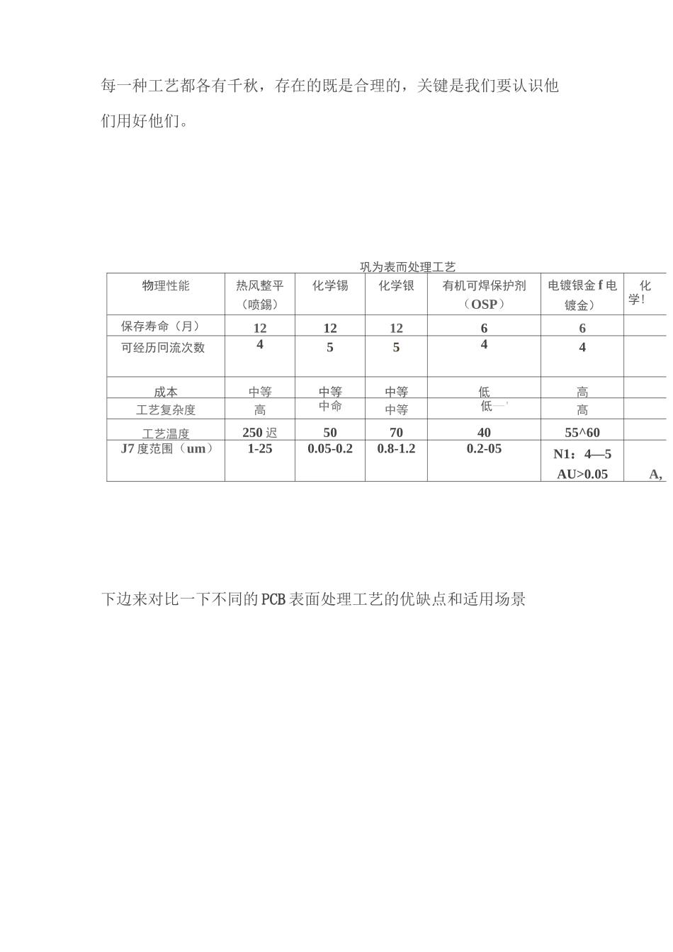
我们在画好 PCB 后,将其发送给 PCB 板厂打样或者是批量生产,我们在给板厂下单时,会附上一份 PCB 加工工艺说明文档,其中有一项就是要注明选用哪种 PCB 表面处理工艺,而且不同的 PCB 表面处理工艺,其会对最终的 PCB 加工报价产生比较大的影响,不同的 PCB 表面处理工艺会有不同的收费。老 wu 想在这里跟大家聊一下目前多内 PCB 板厂常见的 PCB 表面处理工艺、不同的 PCB 表面处理工艺的优缺点和适用场景。那为什么要对 PCB 表面进行特殊的处理呢?因为铜在空气中很容易氧化,铜的氧化层对焊接有很大的影响,很容易形成假焊、虚焊,严重时会造成焊盘与元器件无法焊接,正因如此,PCB 在生产制造时,会有一道工序,在焊盘表面涂(镀)覆上一层物质,保护焊盘不被氧化。目前国内板厂的 PCB 便面处理工艺有:喷锡(HASL,hotairsolderleveling 热风平整)、沉锡、沉银、OSP(防氧化)、化学沉金(ENIG)、电镀金等等,当然,特殊应用场合还会有一些特殊的 PCB 表面处理工艺。对比不同的 PCB 表面处理工艺,他们的成本不同,当然所用的场合也不同,只选对的不选贵的,目前还没有最完美的 PCB 表面处理工艺能够(这里讲的是性价比,即以最低的价格就能满足所有的 PCB 应用场景),所以才会有这么多的工艺来让我们选择,当然每一种工艺都各有千秋,存在的既是合理的,关键是我们要认识他们用好他们。巩为表而处理工艺物理性能热风整平(喷錫)化学锡化学银有机可焊保护剂(OSP)电镀银金 f 电镀金)化学!保存寿命(月)12121266可经历冋流次数45544成本中等中等中等低高工艺复杂度高中命中等低—'髙工艺温度250 迟50704055^60J7 度范围(um)1-250.05-0.20.8-1.20.2-05N1:4—5AU>0.05A,下边来对比一下不同的 PCB 表面处理工艺的优缺点和适用场景TTYWTTTWmwnTWTWl]fiT 需 iil^fiiia*0rntlimiHiiinHiTTTTTITrTinnT裸铜板优点:成本低、表面平整,焊接性良好(在没有被氧化的情況下)。缺点:容易受到酸及湿度影响,不能久放,拆封后需在 2 小时内用完,因为铜暴露在空气中容易氧化;无法使用于双面板,因为经过第一次回流焊后第二面就已经氧化了。如果有测试点必须加印锡膏以防止氧化,否则后续将无法与探针接触良好。喷锡板(HASL,HotAirSolderLevelling,热风平整)优点:价格较低,焊接性能佳。缺点:不适合用来焊接细间隙的引脚以及过小的元器件,因为喷锡板的表面平整度较差。在 PCB 加工中容易产生...

1、当您付费下载文档后,您只拥有了使用权限,并不意味着购买了版权,文档只能用于自身使用,不得用于其他商业用途(如 [转卖]进行直接盈利或[编辑后售卖]进行间接盈利)。
2、本站所有内容均由合作方或网友上传,本站不对文档的完整性、权威性及其观点立场正确性做任何保证或承诺!文档内容仅供研究参考,付费前请自行鉴别。
3、如文档内容存在违规,或者侵犯商业秘密、侵犯著作权等,请点击“违规举报”。

碎片内容

PCB表面处理工艺

确认删除?
VIP
微信客服
  • 扫码咨询
会员Q群
  • 会员专属群点击这里加入QQ群
客服邮箱
回到顶部