电脑桌面
添加小米粒文库到电脑桌面
安装后可以在桌面快捷访问

回旋钻施工方案VIP免费

回旋钻施工方案_第1页
1/17
回旋钻施工方案_第2页
2/17
回旋钻施工方案_第3页
3/17
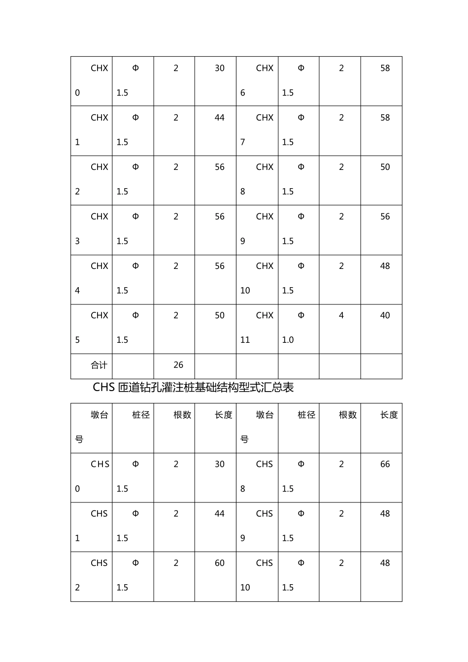
外 环 北 路 、通 宁 大 道 快 速 化 改 造 工 程 B 标 高 架 桥 回 旋 钻 孔 灌 注 桩 施 工 方 案 施 工 方 案 第 一 章 工 程 概 况 外 环 北 路 、 通 宁 大 道 快 速 化 改 造 工 程B 标 高 架 桥 起 于K2+328.821,终 于K4+321.321,全 长1992.5m。 沿 线 跨 长 华 路 、友谊 路 、计 划 路 、石 桥 路 、工 农 北 路 、最 后 和 C 标 的 高 架 桥 起 点 相 接 。 本 工 程 高 架 桥 工 程 桩 基 均 为 钻 孔 灌 注 桩 。 采 用 回 旋 钻 孔 的 灌 注 桩为 主 线 1 联 至 7 联 ( 墩 台 号 WHB02- WHB23) 和 CHX 匝 道 、CHS匝 道 。主 线 1 联 至 7 联 灌 注 桩 桩 径 有 Φ1.5m、Φ1.2m 两 种 ,桩 长 54m -66m; CHX 匝 道 、CHS 匝 道 钻 孔 灌 注 桩 桩 径 Φ1.5m、Φ1.2m 两 种 ,桩 长 30m-66m(详 见 钻 孔 灌 注 桩 结 构 型 式 汇 总 表 )。 主 线 1 联 至 7 联 主 线 钻 孔 灌 注 桩 基 础 结 构 型 式 汇 总 表 墩 台号 桩 径 根 数 长 度 墩 台号 桩 径 根 数 长 度 WHB02 Ф1.2 11 66 WHB13 Ф1.5 6 60 WHB03 Ф1.2 11 66 WHB14 Ф1.5 6 54 WHФ6 60 WHФ11 60 B04 1.5 B15 1.2 WHB05 Ф1.5 6 60 WHB16 Ф1.2 11 60 WHB06 Ф1.5 6 60 WHB17 Ф1.5 6 54 WHB07 Ф1.5 6 62 WHB18 Ф1.5 6 54 WHB08 Ф1.5 6 60 WHB19 Ф1.5 6 54 WHB09 Ф1.5 6 60 WHB20 Ф1.5 6 54 WHB10 Ф1.5 6 60 WHB21 Ф1.5 6 58 WHB11 Ф1.5 6 62 WHB22 Ф1.5 6 58 WHB12 Ф1.5 6 60 WHB23 Ф1.5 6 66 合计 152 CHX 匝道 钻 孔 灌 注 桩 基 础 结 构 型 式 汇 总 表 墩 台号 桩 径 根 数 长 度 墩 台号 桩 径 根 数 长 度 CHX0 Ф1.5 2 30 CHX6 Ф1.5 2 58 CHX1 Ф1.5 2 44 CHX7 Ф1.5 2 58 CHX2 Ф1.5 2 56 CHX8 Ф1.5 2 50 CHX3 Ф1.5 2 56 CHX9 Ф1.5 2 56 CHX4 Ф1.5 2 56 CHX10 Ф1.5 2 48 CHX5 Ф1.5 2 50 CHX11 Ф1.0 4 40 合 计 26 CHS 匝道 钻 孔 灌 注 桩 基 础 结 构 型 式 汇 总 表 墩 台...

1、当您付费下载文档后,您只拥有了使用权限,并不意味着购买了版权,文档只能用于自身使用,不得用于其他商业用途(如 [转卖]进行直接盈利或[编辑后售卖]进行间接盈利)。
2、本站所有内容均由合作方或网友上传,本站不对文档的完整性、权威性及其观点立场正确性做任何保证或承诺!文档内容仅供研究参考,付费前请自行鉴别。
3、如文档内容存在违规,或者侵犯商业秘密、侵犯著作权等,请点击“违规举报”。

碎片内容

回旋钻施工方案

精品文库+ 关注
实名认证
内容提供者

该用户很懒,什么也没介绍

确认删除?
VIP
微信客服
  • 扫码咨询
会员Q群
  • 会员专属群点击这里加入QQ群
客服邮箱
回到顶部