电脑桌面
添加小米粒文库到电脑桌面
安装后可以在桌面快捷访问

完整版10kV架空线路柱上隔离开关、真空断路器技术规范VIP免费

完整版10kV架空线路柱上隔离开关、真空断路器技术规范_第1页
1/8
完整版10kV架空线路柱上隔离开关、真空断路器技术规范_第2页
2/8
完整版10kV架空线路柱上隔离开关、真空断路器技术规范_第3页
3/8
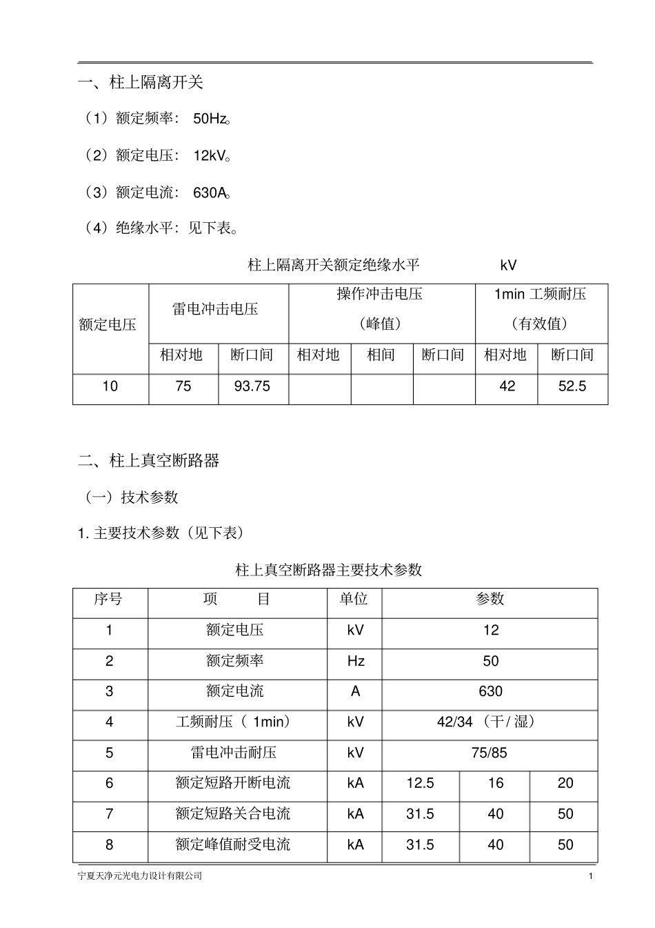
宁夏天净元光电力设计有限公司1 一、柱上隔离开关(1)额定频率: 50Hz。(2)额定电压: 12kV。(3)额定电流: 630A。(4)绝缘水平:见下表。柱上隔离开关额定绝缘水平 kV 额定电压雷电冲击电压操作冲击电压(峰值)1min 工频耐压(有效值)相对地断口间相对地相间断口间相对地断口间10 75 93.75 42 52.5 二、柱上真空断路器(一)技术参数1. 主要技术参数(见下表)柱上真空断路器主要技术参数序号项目单位参数1 额定电压kV 12 2 额定频率Hz 50 3 额定电流A 630 4 工频耐压( 1min)kV 42/34 (干/ 湿)5 雷电冲击耐压kV 75/85 6 额定短路开断电流kA 12.5 16 20 7 额定短路关合电流kA 31.5 40 50 8 额定峰值耐受电流kA 31.5 40 50 宁夏天净元光电力设计有限公司2 9 额定短时耐受电流kA 12.5 16 20 10 操作顺序分— 0.3s —合分— 180s—合分11 额定短路电流开断次数次30 12 机械寿命次10000 13 额定操作电压分闸线圈V AC 220 合闸线圈AC 220 14 过电流脱扣器额定电流A 5 15 合闸时间s ≤0.1 16 分闸时间s ≤0.06 17 质量kg ≤150 2. 技术规范(1)环境条件1)海拔高度:≤ 3000m。2)最大风速: 30m/s。3)环境相对湿度:日平均值95%;月平均值 90%。4)地震烈度: 8 度。5)污秽等级: 3 级。(2)使用条件1)系统电压: 10kV;系统最高电压: 12kV;系统额定频率: 50Hz;系统中性点接地方式:非有效。2)安装地点:户外。3)安装方式:柱上垂直。(3)技术性能要求宁夏天净元光电力设计有限公司3 1)断路器应在规定的各种工作情况下达到开断性能的要求而不发生拒动或误动。2)噪声:户外不大于55dB。3)操动机构。形式:弹簧机构或永磁电动机构;操作方式:手动操作或电动操作。4)辅助回路。辅助回路应能长期承载10A电流,温升不超过 GB/T 11022— 1999《高压开关设备和控制设备标准的共用技术要求》规定值。辅助触点10 对,其中 5 对动合触点, 5 对动断触点,并能按需要改换。采用阻燃端子,留有 15%备用端子排。5)一次端子。断路器提供连接导线的板式端子,端子受力:水平750N;垂直 500N;横向 400N。断路器端子型式和尺寸应满足GB/T 5273 — 1985《高压器、高压电器和套管的接线端子》标准中有关规定。6)断路器瓷套的爬电距离不小于31mm/kV(42kV以下)。7)接地。每台断路器应装设满足接地热稳定电流要求的接地极板,并...

1、当您付费下载文档后,您只拥有了使用权限,并不意味着购买了版权,文档只能用于自身使用,不得用于其他商业用途(如 [转卖]进行直接盈利或[编辑后售卖]进行间接盈利)。
2、本站所有内容均由合作方或网友上传,本站不对文档的完整性、权威性及其观点立场正确性做任何保证或承诺!文档内容仅供研究参考,付费前请自行鉴别。
3、如文档内容存在违规,或者侵犯商业秘密、侵犯著作权等,请点击“违规举报”。

碎片内容

完整版10kV架空线路柱上隔离开关、真空断路器技术规范

您可能关注的文档

确认删除?
VIP
微信客服
  • 扫码咨询
会员Q群
  • 会员专属群点击这里加入QQ群
客服邮箱
回到顶部