电脑桌面
添加小米粒文库到电脑桌面
安装后可以在桌面快捷访问

电器试题答案VIP免费

电器试题答案_第1页
1/4
电器试题答案_第2页
2/4
电器试题答案_第3页
3/4
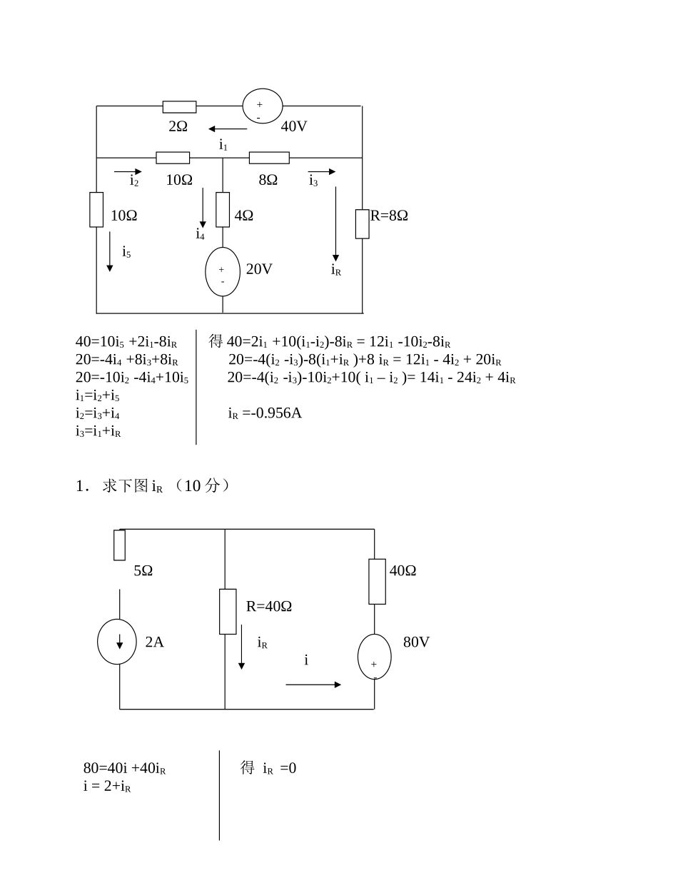
电 器 试 题答案 1.般单相异步电动机有几种类型:(5 分)(1) 单相电阻分相启动异步电动机(2) 单相电容分相启动异步电动机(3) 单相电容运转异步电动机(4) 单相电容启动与运转异步电动机(5) 单相罩极异步电动机2、型同步电动机根据转子不同分几种类型:(5 分)(1) 永磁式同步电动机(2) 反应式同步电动机(3) 磁滞式同步电动机2.步进电动机根据转子不同分几种类型:(5 分)(1) 永磁式步进电动机(2) 反应式步进电动机(3) 感应子式步进电动机3.异步电动机定子基波磁势转速为:(5 分) 60f n0= P4.异步电动机滑差公式为:(5 分) n0-n S = n05.一台直流电动机,其 Pe = 160kw,Ue = 220V,ηe = 90%,ne =1500rpm,求该电动机的输入功率 P1及额定电流 Ie是多少?(10 分) Pe P1 = =177.8kw ηe P1Ie = =808.1AUe 7.求下图 iR (20 分) 2Ω 40V i1 i2 10Ω 8Ω i3 10Ω 4Ω R=8Ω i4 i5 20V iR 40=10i5 +2i1-8iR 得 40=2i1 +10(i1-i2)-8iR = 12i1 -10i2-8iR 20=-4i4 +8i3+8iR 20=-4(i2 -i3)-8(i1+iR )+8 iR = 12i1 - 4i2 + 20iR 20=-10i2 -4i4+10i5 20=-4(i2 -i3)-10i2+10( i1 – i2 )= 14i1 - 24i2 + 4iR i1=i2+i5 i2=i3+i4 iR =-0.956A i3=i1+iR 1.求下图 iR (10 分) 5Ω 40Ω R=40Ω 2A iR 80V i 80=40i +40iR 得 iR =0 i = 2+iR+ - + - + -9.已知 V2=10V,计算 VL(5 分) D1 D2 V1 V2 RL VL D3 D4 VL = 0.9 V2 = 9V10.计算下图电路静态工作点(10 分) +12V 4kΩ 200kΩ 10uF T 6kΩ IB = 60μAVCE = 6VIC = 1.5mA 11. 计算整流电路的平均电压 Ud ,已知 U2=100V,α=600 (10 分) T1 T2 U1 U2 R Ud T3 T4 1+cosαU d =0.9U2 =66.5V 212.请根据下面窗式空调电气原理图,写出选择开关 7 个档位的功能。(10 分) 1 2 3 4 5 6 7220V/50HZ 风扇电机 选择开关 温控器 换向阀 压缩机 答案:1---低热,2---高热,3---低风,4---关,5---高风,6---高冷,7---低冷

1、当您付费下载文档后,您只拥有了使用权限,并不意味着购买了版权,文档只能用于自身使用,不得用于其他商业用途(如 [转卖]进行直接盈利或[编辑后售卖]进行间接盈利)。
2、本站所有内容均由合作方或网友上传,本站不对文档的完整性、权威性及其观点立场正确性做任何保证或承诺!文档内容仅供研究参考,付费前请自行鉴别。
3、如文档内容存在违规,或者侵犯商业秘密、侵犯著作权等,请点击“违规举报”。

碎片内容

电器试题答案

您可能关注的文档

确认删除?
VIP
微信客服
  • 扫码咨询
会员Q群
  • 会员专属群点击这里加入QQ群
客服邮箱
回到顶部