电脑桌面
添加小米粒文库到电脑桌面
安装后可以在桌面快捷访问

完整版弹簧设计技术条件VIP专享VIP免费

完整版弹簧设计技术条件_第1页
1/5
完整版弹簧设计技术条件_第2页
2/5
完整版弹簧设计技术条件_第3页
3/5
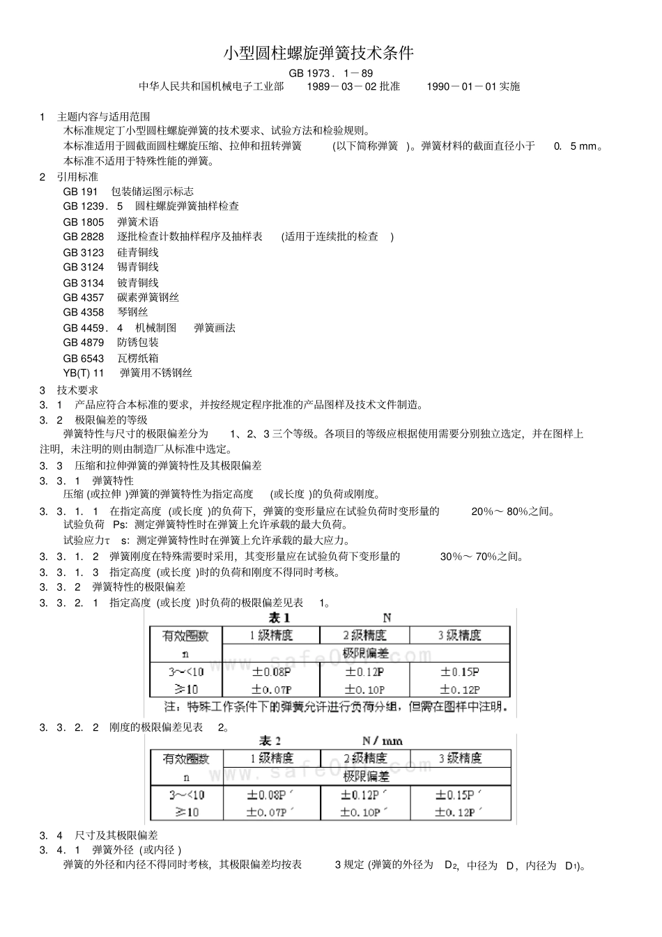
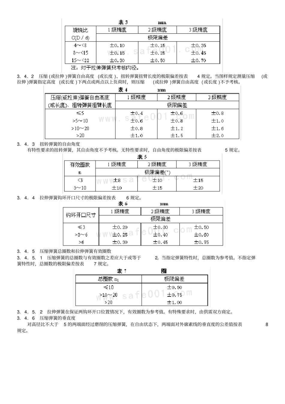
小型圆柱螺旋弹簧技术条件GB 1973 .1-89 中华人民共和国机械电子工业部1989-03-02 批准1990-01-01 实施1 主题内容与适用范围木标准规定丁小型圆柱螺旋弹簧的技术要求、试验方法和检验规则。本标准适用于圆截面圆柱螺旋压缩、拉伸和扭转弹簧(以下简称弹簧 )。弹簧材料的截面直径小于0.5 mm。本标准不适用于特殊性能的弹簧。2 引用标准GB 191 包装储运图示标志GB 1239.5 圆柱螺旋弹簧抽样检查GB 1805 弹簧术语GB 2828 逐批检查计数抽样程序及抽样表(适用于连续批的检查) GB 3123 硅青铜线GB 3124 锡青铜线GB 3134 铍青铜线GB 4357 碳素弹簧钢丝GB 4358 琴钢丝GB 4459.4 机械制图弹簧画法GB 4879 防锈包装GB 6543 瓦楞纸箱YB(T) 11 弹簧用不锈钢丝3 技术要求3.1 产品应符合本标准的要求,并按经规定程序批准的产品图样及技术文件制造。3.2 极限偏差的等级弹簧特性与尺寸的极限偏差分为1、2、3 三个等级。各项目的等级应根据使用需要分别独立选定,并在图样上注明,未注明的则由制造厂从标准中选定。3.3 压缩和拉伸弹簧的弹簧特性及其极限偏差3.3.1 弹簧特性压缩 (或拉伸 )弹簧的弹簧特性为指定高度(或长度 )的负荷或刚度。3.3.1. 1 在指定高度 (或长度 )的负荷下,弹簧的变形量应在试验负荷时变形量的20%~ 80%之间。试验负荷 Ps:测定弹簧特性时在弹簧上允许承载的最大负荷。试验应力τs:测定弹簧特性时在弹簧上允许承载的最大应力。3.3.1. 2 弹簧刚度在特殊需要时采用,其变形量应在试验负荷下变形量的30%~ 70%之间。3.3.1. 3 指定高度 (或长度 )时的负荷和刚度不得同时考核。3.3.2 弹簧特性的极限偏差3.3.2. 1 指定高度 (或长度 )时负荷的极限偏差见表1。3.3.2. 2 刚度的极限偏差见表2。3.4 尺寸及其极限偏差3.4.1 弹簧外径 (或内径 ) 弹簧的外径和内径不得同时考核,其极限偏差均按表3 规定 (弹簧的外径为D2,中径为 D,内径为 D1)。3.4.2 压缩 (或拉伸 )弹簧自由高度 (或长度 )、扭转弹簧扭臂长度的极限偏差按表4 规定。当图样规定测量压缩(或拉伸 )弹簧指定高度 (或长度 )下两点或两点以上负荷时,则压缩(或拉伸 )弹簧自由高度 (或长度 )不予考核。3.4.3 扭转弹簧的自由角度有特性要求的扭转弹簧,其自由角度不予考核。无特性要求时,自由角度的极限偏差按表5 规定。3.4.4 拉伸弹簧钩环开口尺寸的极...

1、当您付费下载文档后,您只拥有了使用权限,并不意味着购买了版权,文档只能用于自身使用,不得用于其他商业用途(如 [转卖]进行直接盈利或[编辑后售卖]进行间接盈利)。
2、本站所有内容均由合作方或网友上传,本站不对文档的完整性、权威性及其观点立场正确性做任何保证或承诺!文档内容仅供研究参考,付费前请自行鉴别。
3、如文档内容存在违规,或者侵犯商业秘密、侵犯著作权等,请点击“违规举报”。

碎片内容

完整版弹簧设计技术条件

确认删除?
VIP
微信客服
  • 扫码咨询
会员Q群
  • 会员专属群点击这里加入QQ群
客服邮箱
回到顶部