电脑桌面
添加小米粒文库到电脑桌面
安装后可以在桌面快捷访问

555定时器工作原理VIP专享VIP免费

555定时器工作原理_第1页
1/17
555定时器工作原理_第2页
2/17
555定时器工作原理_第3页
3/17
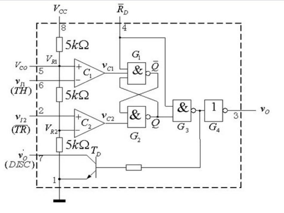
NE555P定时器555定时器的组成以及作用555定时器由3个阻值为5KΩ的电阻组成的分压器,两个比较器C1和C2,基本RS触发器、放电三极管TD和缓冲反相器G4组成。(1)电阻分压器为电压分压器C1和C2提供参考电压。可以通过引脚5外加控制电压改变C1和C2的参考电压。(2)电压比较器C1和C2的的作用是把6脚和2脚的输入电压与参考电压进行比较,根据输入电压的不同,他们的输出可能是高电压或低电压。从而使基本RS触发器置1或置0(3)基本RS触发器其作用有两个:1是Q输出端,二是Q非端决定了三极管的饱和导通或截止,触发器的复位端平时保持高电平,当在端上加上负脉冲可强迫触发器置0.(4)放电管TT是集电极开路的三极管。相当于一个受控电子开关输出为Q非等于0时,T导通,输出为1时T截止555定时器的工作原理5脚经0.01uF电容接地,比较器C1和C2的比较电压为UR1=2/3Vcc,UR2=1/3Vcc当VI1>2/3Vcc,VI2>1/3Vcc时,比较器C1输出低电平,比较器C2输出高电平,基本RS触发器置0,G3输出高电平,放电二极管TD导通,定时器输出低电平。当VI1<2/3Vcc,VI2>1/3Vcc时,比较器C1输出高电平,比较器C2输出高电平,基本RS触发器保持原状态不变,555定时器输出状态保持不变。当VI1>2/3Vcc,VI2<1/3Vcc时,比较器C1输出低电平,比较器C2输出低电平,基本RS触发器两端都被置1,G3输出低电平,放电二极管TD截止,定时器输出高电平。当VI1<2/3Vcc,VI2<1/3Vcc时,比较器C1输出高电平,比较器C2输出低电平,基本RS触发器置1,G3输出低电平,放电二极管TD截止,定时器输出高电平。555定时器各引脚的功能1脚为接地端2脚为低电平触发器。当2端的输入电压高于1/3Vcc时,C2的输出为高电平,基本RS触发器保持不变,当输入电压低于1/3Vcc时,C2的输出为低电平,使基本RS触发器置13脚为输出端,输出电流可达200mA,因此可直接驱动继电器,发光二极管,扬声器等,输出高电平电压低于电源电压Vcc大约1-3V4脚为基本RS触发器的复位端,在此输入负脉冲(或使其低于0.7v)而使触发器复位-5脚为电压控制端在此端可以加一电压,以改变比较器的参考电压,不用时,经0.01uF的电容接地以防止引入干扰6脚为高电平触发端。当输入电压低于2/3Vcc时,C1的输出为高电平,基本RS触发器保持不变;当输入电压高于2/3Vcc时,C1的输出为低电压,使基本RS触发器置“0”。7脚为放电端,当触发器Q端为“0”时,放电三极管T导通,常用于给外接电容元件提供放电通路。8脚电源端,可在5-18V范围内使用。用555定时器组成的多谐振荡器无稳态电路,两个暂缓态不断地交替利用放电管T作为一个受控电子开关,使电容充电,放电而改变TH=TR,则交替置0,置1.多谐振荡器是产生矩形波的自激振荡器,由于矩形波包含基波和高次谐波等较多的谐波成分,因此称为多谐振荡器,另外,这类电路不存在稳态,称为无稳态电路。振荡器输出脉冲U0的工作周期为:T=0.7(R1+2R2)C在接通电源后,Vcc通过R1、R2对电容C充电,在Uc未达到1/3Vcc和2/3Vcc之前,6号、2号引脚状态为0、0和0、1,输出U0为1,放电管T截止,当电容C被充电达到Uc>=2/3Vcc时,6号,2号引脚状态为1,1,则输出U0翻转为0,放电管T导通,此时电容C开始通过R2和T放电,使Uc按指数曲线下降。当Uc处于2/3Vcc和1/3Vcc之间时,6号、2号引脚状态为0,1,输出维持为0,电容C继续放电,直到Uc<=1/3Vcc,使6号,2号引脚状态为0,0,输出U0又翻转为1态,放电管T截止,电容C又开始充电,这样周而复始震荡下去,输出U0位矩形波充电时间:T1=(R1+R2)Cln(Vcc-VT-/Vcc-VT+)发电时间:T2=R2Cln(0-VT+/0-VT+)=R2Cln2电路的振荡周期:T=T1+T2=(R1+2R2)Cln2震荡频率:f=1/T=1/(R1+2R2)Cln2

1、当您付费下载文档后,您只拥有了使用权限,并不意味着购买了版权,文档只能用于自身使用,不得用于其他商业用途(如 [转卖]进行直接盈利或[编辑后售卖]进行间接盈利)。
2、本站所有内容均由合作方或网友上传,本站不对文档的完整性、权威性及其观点立场正确性做任何保证或承诺!文档内容仅供研究参考,付费前请自行鉴别。
3、如文档内容存在违规,或者侵犯商业秘密、侵犯著作权等,请点击“违规举报”。

碎片内容

555定时器工作原理

您可能关注的文档

确认删除?
VIP
微信客服
  • 扫码咨询
会员Q群
  • 会员专属群点击这里加入QQ群
客服邮箱
回到顶部