电脑桌面
添加小米粒文库到电脑桌面
安装后可以在桌面快捷访问

完整版材料设备的供应实施方案VIP免费

完整版材料设备的供应实施方案_第1页
1/7
完整版材料设备的供应实施方案_第2页
2/7
完整版材料设备的供应实施方案_第3页
3/7
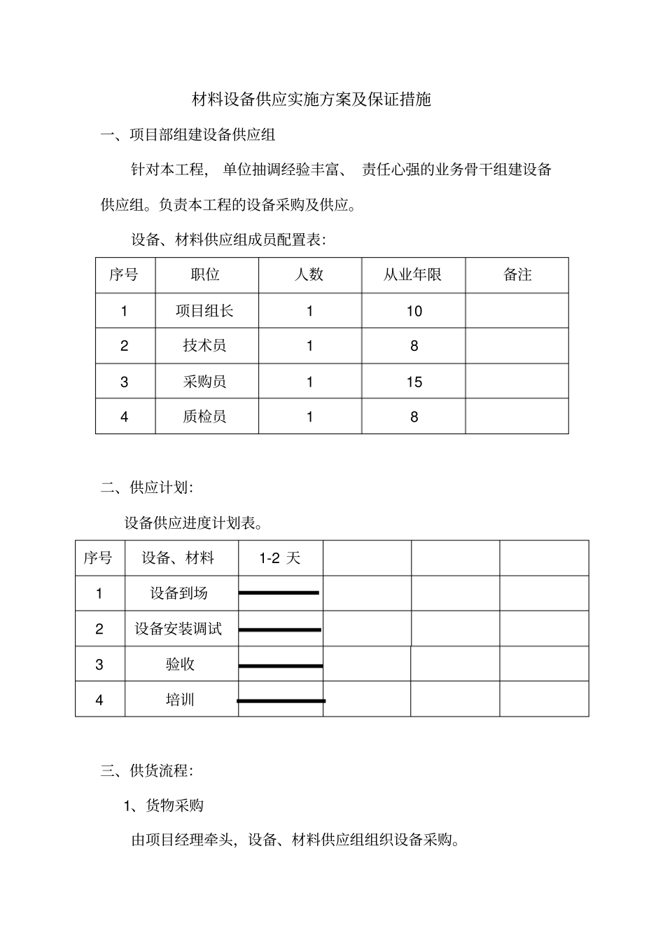
材料设备供应实施方案及保证措施一、项目部组建设备供应组针对本工程, 单位抽调经验丰富、 责任心强的业务骨干组建设备供应组。负责本工程的设备采购及供应。设备、材料供应组成员配置表:序号职位人数从业年限备注1 项目组长1 10 2 技术员1 8 3 采购员1 15 4 质检员1 8 二、供应计划:设备供应进度计划表。序号设备、材料1-2 天1 设备到场2 设备安装调试3 验收4 培训三、供货流程:1、货物采购由项目经理牵头,设备、材料供应组组织设备采购。2、到货检验设备到货后,甲方和监理参加该设备在交货地进行的设备到货检查。检查前我方将提前通知甲方参加。3. 开箱检验在仓库或工地现场进行的开箱检验由甲方、我公司等有关人员共同参加,对设备的内外包装设备外观进行检查,若发现设备短缺和外观破损,我公司将及时处理。4. 安装调试、验收安装验收是我公司和施工单位共同对设备安装工程根据有关的设备安装技术指标进行验收。安装验收后双方签署安装验收证书。5. 培训针对本项目所供应设备提供全面培训。6. 质保期系统验收合格后开始进入质保期,正式投入使用, 期间将进行抽查各种测试项目,检查系统运行的可靠性和稳定性。设备质保期按设备生产厂家质保期进行质保。四、供货质量控制:1、设备采购、制造过程质量管理流程设备采购严格按照以下流程,并重点作好流程中质量控制:2、设备采购过程的质量控制主要设备及各种配套附属设备,均是项目的重要组成部分,为确保项目的整体质量, 我公司将做好设备购置过程中设备质量的控制工作。考察评估供货厂家确定设备材料厂家采购计划编制及审核鉴定采购合同及技术协议设备厂家提供生产计划提供设备材料相关质量报告生产过程质量检验业主方、承包商现场监造设备材料整体质检业主方、承包商现场检验设备至现场由业主方、监理验货复检技术培训收集设备材料生产商资料安装、试运行指导设备的购置是直接影响设备质量的关键环节,设备能否满足生产工艺要求、配套投产、正常运转、充分发挥效能,确保精度和质量;设备是否技术先进、经济适用、操作灵活、安全可靠、维修方便、经久耐用;这些,均与设备的购置密切相关。采购设备,可采取市场采购,向制造厂商订货或招标采购等方式,采购质量控制主要是采购方案的审查及工作计划中明确的质量要求。2.1 市场采购设备的质量控制2.1.1 设备采购方案的质量控制由我公司编制的设备采购方案将提交业主方及监理单位,并由业主单位和监理单位要对...

1、当您付费下载文档后,您只拥有了使用权限,并不意味着购买了版权,文档只能用于自身使用,不得用于其他商业用途(如 [转卖]进行直接盈利或[编辑后售卖]进行间接盈利)。
2、本站所有内容均由合作方或网友上传,本站不对文档的完整性、权威性及其观点立场正确性做任何保证或承诺!文档内容仅供研究参考,付费前请自行鉴别。
3、如文档内容存在违规,或者侵犯商业秘密、侵犯著作权等,请点击“违规举报”。

碎片内容

完整版材料设备的供应实施方案

确认删除?
VIP
微信客服
  • 扫码咨询
会员Q群
  • 会员专属群点击这里加入QQ群
客服邮箱
回到顶部