电脑桌面
添加小米粒文库到电脑桌面
安装后可以在桌面快捷访问

完整版洁净室调试方案VIP免费

完整版洁净室调试方案_第1页
1/4
完整版洁净室调试方案_第2页
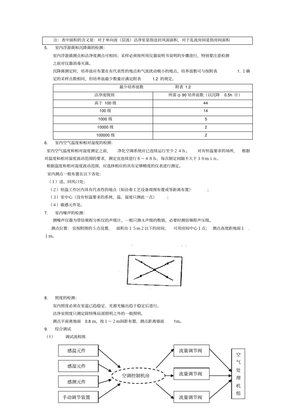
2/4
完整版洁净室调试方案_第3页
3/4
净化空调系统调试方案一、调试及测定项目:1)净化空调机组的转速、余压、振动、噪声、功率、送风量、新风量、回风量、排风量的调整与测定。2)净化空调系统总送风量和新风量的调整与测定。3)洁净室送风口风量的测定与调整。4)洁净室正压的测定与调整。5)高效送风口的检漏与补漏。6)洁净室噪声的测定。7)洁净室洁净度的测定。8)洁净室温湿度的测定。9)洁净室照度的测定。二、 要求1)、 熟悉空调系统相关技术文件、图纸,室内、外空气计算参数,风量冷热负荷、温湿度控制精度要求等,了解送(回)风系统—供冷、供热系统,自动调节系统的全过程。调试人员会同设计、施工和建设单位深入现场,查清空调系统安装质量不合格的地方,查清施工与设计不符的地方,记录在缺陷明细表中,限期修改完。 2)、备好调试所需的仪器、仪表和必要的工具和有关记录事宜;消除《缺陷明细表》中的各种毛病。 3)、对通风空调系统进行运转前的检查。包括:1. 核对通风机、电动机的型号、规格应与设计相符2. 检查紧固部位是否牢固,减振底座应调平,皮带轮或联轴器应调正。轴承处的润滑油应足够,而且润滑油的种类和数量应符合设备技术文件的要求;3. 电气部位应有防护、保护安全措施。三、调试使用的主要仪器1)球风速仪2)风量罩3)压力表4)尘埃粒子计数器5)精密声级计6)电流计7)光电测速仪8)温度计9)超声波测距仪10) 接触式测振仪11) 照度计12) 数字温度计四、调整与测试依据1)洁净室施工及验收规范JGJ71-90 2)通风与空调工程质量检验评定标准GBJ304-88 3)通风与空调工程施工及验收规范GB50243-2002 4)组合式空调机组GBJ14294-93 5)采暖与卫生工程施工及验收规范GBJ242-82 五、测试方案目的:满足净化要求,达到空调运行正常,电气系统供电良好,自动控制准确可靠。方法:通风空调系统的风量测定与调整(1) 、按实绘制系统单线透视图,标识风管尺寸,测点位置。风口位置,同时标明设计风量、风速,截面积及风口外框面积。(2) 、开风机之前,将风道和风口本身的调节阀门放在全开位置(3) 、开启风机进行风量测定与调整,先初测总风量是否满足设计风量要求,做到心中有数,有利于下步调试工作。(4) 、系统风量测定与调整,干管和支管的风量可用毕托管、微压计进行测试。对送(回)风系统的调整采用“基准风口调整法”,从系统的最不利环路开始,逐步调向通风机。(5) 、风量测试可用热电风速仪,用定点法测出平均风速,计量出风量,测量次数不少于3-5 次。(6...

1、当您付费下载文档后,您只拥有了使用权限,并不意味着购买了版权,文档只能用于自身使用,不得用于其他商业用途(如 [转卖]进行直接盈利或[编辑后售卖]进行间接盈利)。
2、本站所有内容均由合作方或网友上传,本站不对文档的完整性、权威性及其观点立场正确性做任何保证或承诺!文档内容仅供研究参考,付费前请自行鉴别。
3、如文档内容存在违规,或者侵犯商业秘密、侵犯著作权等,请点击“违规举报”。

碎片内容

完整版洁净室调试方案

您可能关注的文档

确认删除?
VIP
微信客服
  • 扫码咨询
会员Q群
  • 会员专属群点击这里加入QQ群
客服邮箱
回到顶部