电脑桌面
添加小米粒文库到电脑桌面
安装后可以在桌面快捷访问

完整版滴灌工程设计计算公式汇总VIP免费

完整版滴灌工程设计计算公式汇总_第1页
1/5
完整版滴灌工程设计计算公式汇总_第2页
2/5
完整版滴灌工程设计计算公式汇总_第3页
3/5
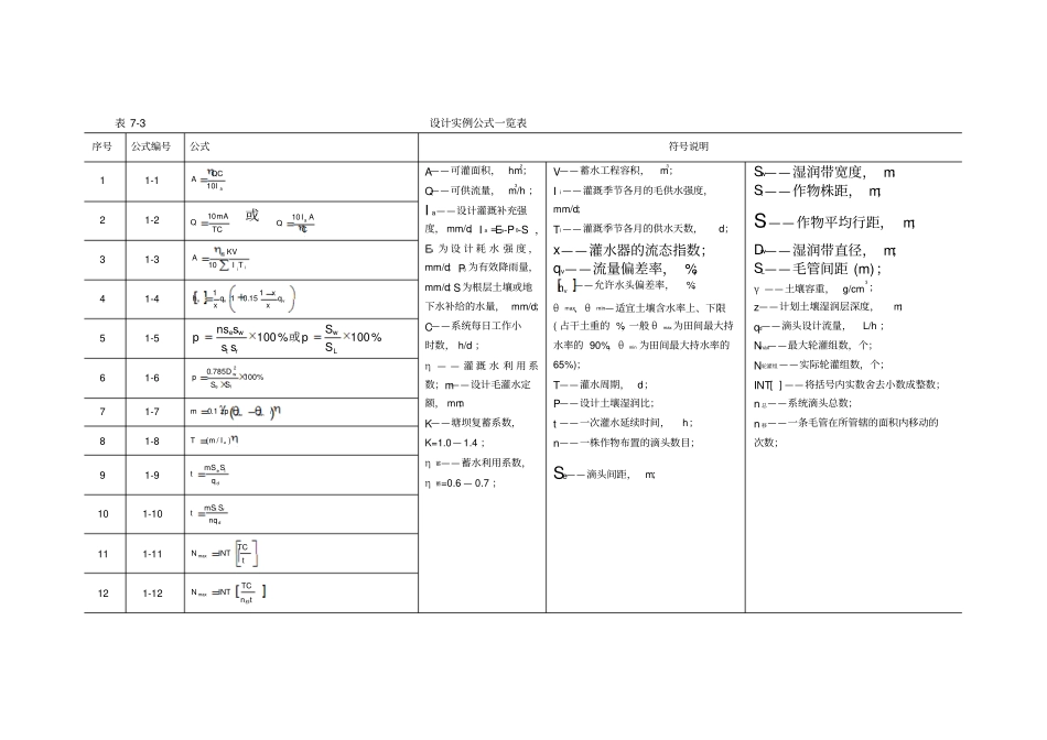
表 7-3 设计实例公式一览表序号公式编号公式符号说明1 1-1 aIQCA10A——可灌面积, hm2;Q——可供流量, m3/h ;I a——设计灌溉补充强度, mm/d,I a =Ea-P0-S ,Ea 为 设 计 耗 水 强 度 ,mm/d;P0 为有效降雨量,mm/d;S为根层土壤或地下水补给的水量, mm/d;C——系统每日工作小时数, h/d ;η — — 灌 溉 水 利 用 系数;m——设计毛灌水定额, mm;K——塘坝复蓄系数,K=1.0— 1.4 ;η蓄——蓄水利用系数,η蓄=0.6 — 0.7 ;V——蓄水工程容积,m3;I i ——灌溉季节各月的毛供水强度,mm/d;Ti ——灌溉季节各月的供水天数,d;x——灌水器的流态指数;qv——流量偏差率, %;vh——允许水头偏差率,%;θmax、θmin—适宜土壤含水率上、下限( 占干土重的 %,一般 θmax为田间最大持水率的 90%,θmin 为田间最大持水率的65%);T——灌水周期, d;P——设计土壤湿润比;t ——一次灌水延续时间,h;n——一株作物布置的滴头数目;Se——滴头间距,m;Sw——湿润带宽度, m;St——作物株距, m;Sr ——作物平均行距, m;Dw——湿润带直径, m;SL——毛管间距 (m);γ ——土壤容重, g/cm3;z——计划土壤湿润层深度,m;qd——滴头设计流量,L/h ;Nmax——最大轮灌组数,个;N轮灌组 ——实际轮灌组数,个;INT[ ] ——将括号内实数舍去小数成整数;n 总——系统滴头总数;n 移——一条毛管在所管辖的面积内移动的次数;2 1-2 TCmAQ10或CAIQa103 1-3 iiTIKVA10蓄4 1-4 vvvqxxqxh115.0115 1-5 %100%100LwrtweSSpsssnsp或6 1-6 %100785.02lewSSDp7 1-7 /1.0minmaxzpm8 1-8 )/(aImT9 1-9 dleqSmSt10 1-10 drtnqSmSt11 1-11 tTCINTN max12 1-12 tnTCINTN移max13 1-13 QqnNd总轮灌组14 1-14 m axNN 轮灌组15 3-1 DLdd101~71dL——要求的过滤器过滤能力, mm;dd——采用的灌水器出水孔等效直径, mm;M——筛网目数,目;D——网丝直径, in ;a——网孔的净边长, in ;V——施肥罐容积, L;F——一次施肥量, kg/ 亩;A——一次施肥面积,亩;C0——施肥罐中允许肥料溶液最大浓度,kg/L ;H泵——系统总扬程, m;h0——水泵出口所需最大压力,m;Δ Z——水泵出口轴心高程与水源水位平均高程之差;f进——进水管水头损失, m;h1——井口所需最大压力, m;h2——井下管路水头损失, m;h3——动水位到井口的高...

1、当您付费下载文档后,您只拥有了使用权限,并不意味着购买了版权,文档只能用于自身使用,不得用于其他商业用途(如 [转卖]进行直接盈利或[编辑后售卖]进行间接盈利)。
2、本站所有内容均由合作方或网友上传,本站不对文档的完整性、权威性及其观点立场正确性做任何保证或承诺!文档内容仅供研究参考,付费前请自行鉴别。
3、如文档内容存在违规,或者侵犯商业秘密、侵犯著作权等,请点击“违规举报”。

碎片内容

完整版滴灌工程设计计算公式汇总

文库响当当+ 关注
实名认证
内容提供者

该用户很懒,什么也没介绍

相关文档

确认删除?
VIP
微信客服
  • 扫码咨询
会员Q群
  • 会员专属群点击这里加入QQ群
客服邮箱
回到顶部