电脑桌面
添加小米粒文库到电脑桌面
安装后可以在桌面快捷访问

完整版砂轮的特性及种类VIP免费

完整版砂轮的特性及种类_第1页
1/6
完整版砂轮的特性及种类_第2页
2/6
完整版砂轮的特性及种类_第3页
3/6
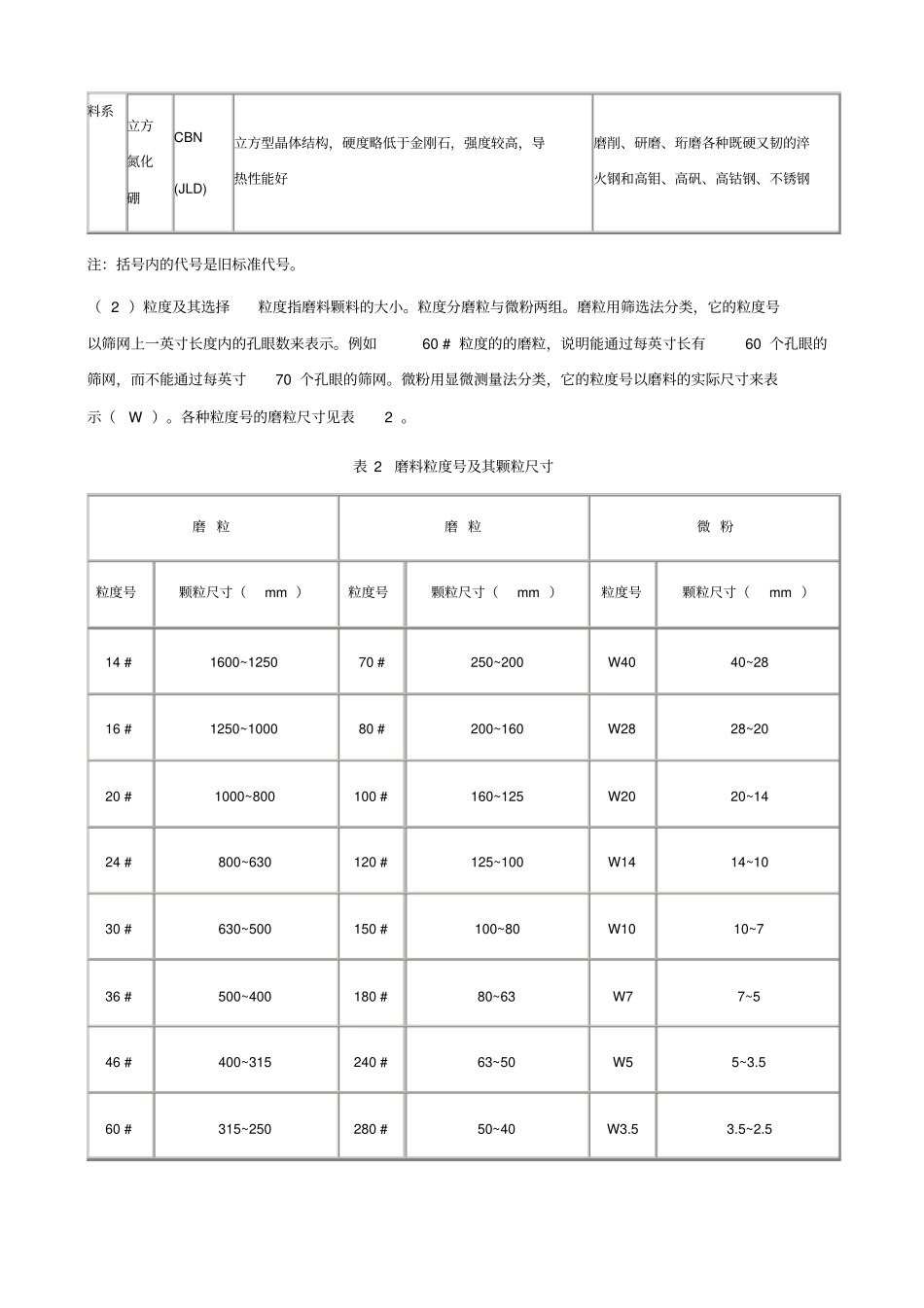
砂轮的特性及种类砂轮是磨削的主要工具,它是由磨料和结合剂构成的多孔物体。其中磨料、结合剂和孔隙是砂轮的三个基本组成要素。 随着磨料、 结合剂及砂轮制造工艺等的不同,砂轮特性可能差别很大,对磨削加工的精度、粗糙度和生产效率有着重要的影响。因此,必须根据具体条件选用合适的砂轮。砂轮的特性由磨料、粒度、硬度、结合剂、形状及尺寸等因素来决定,现分别介绍如下。( 1 )磨料及其选择磨料是制造砂轮的主要原料,它担负着切削工作。因此,磨料必须锋利,并具备高的硬度、良好的耐热性和一定的韧性。常用磨料的名称、代号、特性和用途见表1 。表 1 常用磨料类别名 称代号特 性用 途氧化物系棕刚玉A(GZ) 含 91~96% 氧化铝。棕色,硬度高,韧性好,价格便宜磨削碳钢、合金钢、可锻铸铁、硬青铜等白刚玉WA(GB) 含 97~99% 的氧化铝。白色,比棕刚玉硬度高、韧性低,自锐性好,磨削时发热少精磨淬火钢、高碳钢、高速钢及薄壁零件碳化物系黑色碳化硅C(TH) 含 95% 以上的碳化硅。呈黑色或深蓝色,有光泽。硬度比白刚玉高,性脆而锋利,导热性和导电性良好磨削铸铁。黄铜、铝、耐火材料及非金属材料绿色碳化硅GC(TL) 含 97% 以上的碳化硅。呈绿色,硬度和脆性比TH 更高,导热性和导电性好磨削硬质合金、光学玻璃、宝石、玉石、陶瓷、珩磨发动机气缸套等高硬磨人造金刚石D(JR) 无色透明或淡黄色、黄绿色、黑色。硬度高,比天然金刚石性脆。价格比其它磨料贵好多倍磨削硬质合金、宝石等高硬度材料料系立方氮化硼CBN (JLD) 立方型晶体结构,硬度略低于金刚石,强度较高,导热性能好磨削、研磨、珩磨各种既硬又韧的淬火钢和高钼、高矾、高钴钢、不锈钢注:括号内的代号是旧标准代号。( 2 )粒度及其选择粒度指磨料颗料的大小。粒度分磨粒与微粉两组。磨粒用筛选法分类,它的粒度号以筛网上一英寸长度内的孔眼数来表示。例如60 # 粒度的的磨粒,说明能通过每英寸长有60 个孔眼的筛网,而不能通过每英寸70 个孔眼的筛网。微粉用显微测量法分类,它的粒度号以磨料的实际尺寸来表示(W )。各种粒度号的磨粒尺寸见表2 。表 2 磨料粒度号及其颗粒尺寸磨 粒磨 粒微 粉粒度号颗粒尺寸(mm )粒度号颗粒尺寸(mm )粒度号颗粒尺寸(mm )14 # 1600~1250 70 # 250~200 W40 40~28 16 # 1250~1000 80 # 200~160 W28 28~20 20 # 1000~800 100 # 160~125 W20 20~14 24 # 800~630 120 # ...

1、当您付费下载文档后,您只拥有了使用权限,并不意味着购买了版权,文档只能用于自身使用,不得用于其他商业用途(如 [转卖]进行直接盈利或[编辑后售卖]进行间接盈利)。
2、本站所有内容均由合作方或网友上传,本站不对文档的完整性、权威性及其观点立场正确性做任何保证或承诺!文档内容仅供研究参考,付费前请自行鉴别。
3、如文档内容存在违规,或者侵犯商业秘密、侵犯著作权等,请点击“违规举报”。

碎片内容

完整版砂轮的特性及种类

您可能关注的文档

确认删除?
VIP
微信客服
  • 扫码咨询
会员Q群
  • 会员专属群点击这里加入QQ群
客服邮箱
回到顶部