电脑桌面
添加小米粒文库到电脑桌面
安装后可以在桌面快捷访问

测量放大电路的基本要求VIP免费

测量放大电路的基本要求_第1页
1/6
测量放大电路的基本要求_第2页
2/6
测量放大电路的基本要求_第3页
3/6
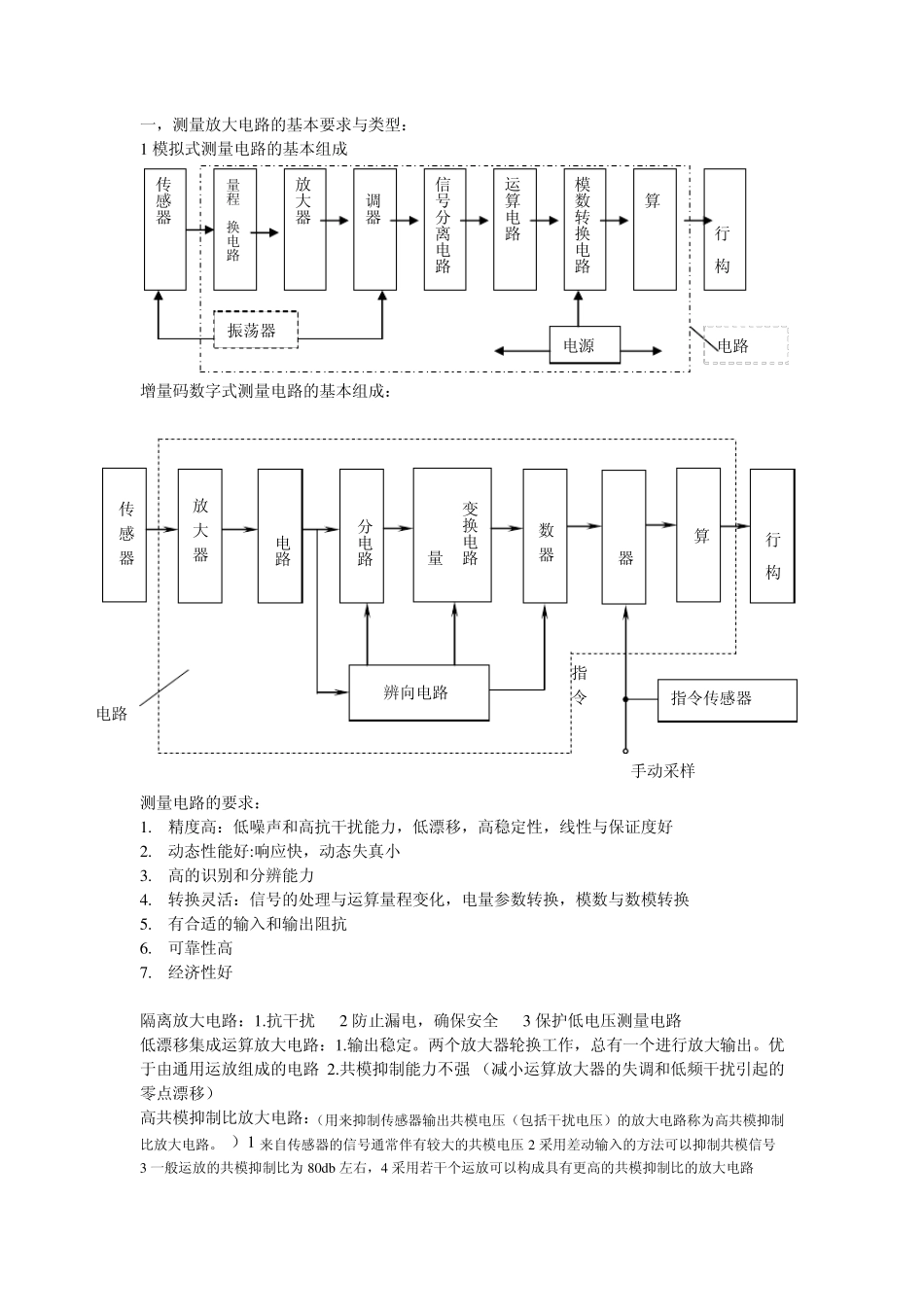
一,测量放大电路的基本要求与类型: 1 模拟式测量电路的基本组成 增量码数字式测量电路的基本组成: 测量电路的要求: 1. 精度高:低噪声和高抗干扰能力,低漂移,高稳定性,线性与保证度好 2. 动态性能好:响应快,动态失真小 3. 高的识别和分辨能力 4. 转换灵活:信号的处理与运算量程变化,电量参数转换,模数与数模转换 5. 有合适的输入和输出阻抗 6. 可靠性高 7. 经济性好 隔离放大电路:1.抗干扰 2 防止漏电,确保安全 3 保护低电压测量电路 低漂移集成运算放大电路:1.输出稳定。两个放大器轮换工作,总有一个进行放大输出。优于由通用运放组成的电路 2.共模抑制能力不强 (减小运算放大器的失调和低频干扰引起的零点漂移) 高共模抑制比放大电路:(用来抑制传感器输出共模电压(包括干扰电压)的放大电路称为高共模抑制比放大电路。 )1 来自传感器的信号通常伴有较大的共模电压2 采用差动输入的方法可以抑制共模信号 3 一般运放的共模抑制比为 80d b 左右,4 采用若干个运放可以构成具有更高的共模抑制比的放大电路 传感器 量程切换电路 放大器 解调器 信号分离电路 运算电路 模数转换电路 计算机 显示执行机构 振荡器 电源 电路 传 感 器 显示执行机构 计 算 机 锁 存 器 计 数 器 变换电路 脉冲当量 放 大 器 整形电路 细分电路 辨向电路 指令传感器 电路 手动采样 锁 存 指 令 高输入阻抗电路:某些传感器的输出阻抗很高,如电容式、压电式,达到 108Ω 。 自举式组合高输入阻抗电路:Ri=(R1R)/(R - R1)(当 R=R1 时输入阻抗无穷大) UO= - R2/R1(Ui) 电桥放大电路:由传感器电桥和运算放大器组成的放大电路或由传感器和运算放大器构成的电桥都称为电桥放大电路 应用场合:应用于电参量式传感器,如电感式、电阻应变式、电容式传感器等,经常通过电桥转换电路输出电压或电流信号,并用运算放大器作进一步放大,或由传感器和运算放大器直接构成电桥放大电路,输出放大了的电压信号。 特点:1.增益与桥臂电阻无关 2.增益比较稳定 3,电源要浮置 4.只有当δ <<1 时,u o 才与δ 近似呈线形关系 线形电桥放大电路: 特点:1.输出电压 u o 与δ 呈线形关系 2.共模抑止能力较强 3.量程大 4.灵敏度较低 四.什么是信号调制? 调制就是用一个信号(称为调制信号)去控制另一个做为载体的信号(称为载波信号),让后者的某一...

1、当您付费下载文档后,您只拥有了使用权限,并不意味着购买了版权,文档只能用于自身使用,不得用于其他商业用途(如 [转卖]进行直接盈利或[编辑后售卖]进行间接盈利)。
2、本站所有内容均由合作方或网友上传,本站不对文档的完整性、权威性及其观点立场正确性做任何保证或承诺!文档内容仅供研究参考,付费前请自行鉴别。
3、如文档内容存在违规,或者侵犯商业秘密、侵犯著作权等,请点击“违规举报”。

碎片内容

测量放大电路的基本要求

您可能关注的文档

确认删除?
VIP
微信客服
  • 扫码咨询
会员Q群
  • 会员专属群点击这里加入QQ群
客服邮箱
回到顶部