电脑桌面
添加小米粒文库到电脑桌面
安装后可以在桌面快捷访问

跨天然气管道方案VIP免费

跨天然气管道方案_第1页
1/8
跨天然气管道方案_第2页
2/8
跨天然气管道方案_第3页
3/8
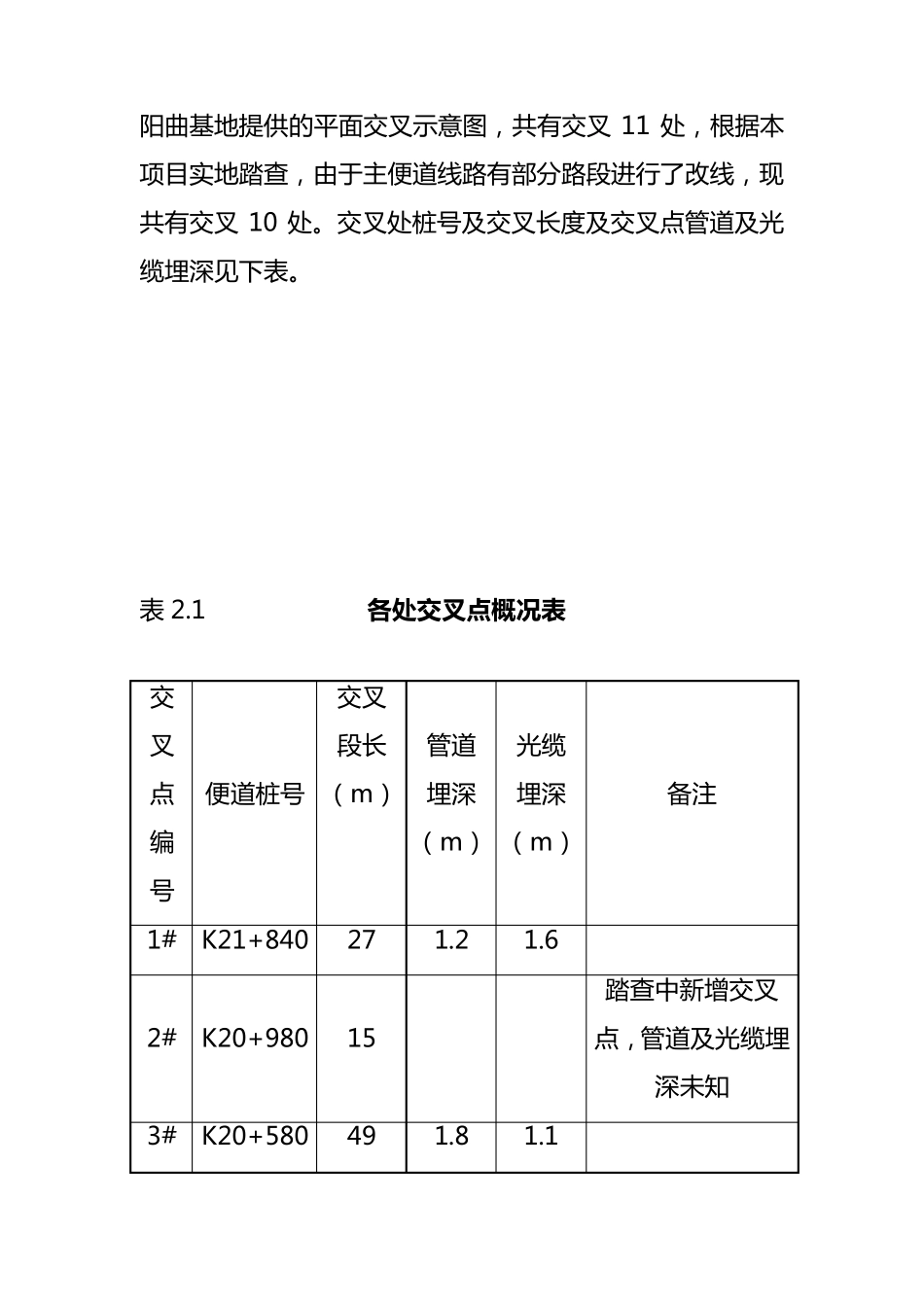
岢 临高速 LJ9 合同段施工主便道 穿跨越陕京天然气管道工程方案 编制:张 炜 校核:李 永 安 徽 省 交 通 建 设 有 限 责 任 公 司 岢 临高速 LJ9 合同段项目部 2011 年 3 月 5 日 岢临高速 LJ9 合同段施工主便道穿跨越 陕京天然气管道工程方案 1.编制依据: 1.1 施 工 主 便 道 实 际 走 线 与 既 有 天 然 气 管 道 走 线 交 叉 现 状 。 1.2 JTG_B01-2003《 公 路 工 程 技 术 标 准 》 1.3 JTG F30-2003《 水 泥 混 凝 土 路 面 施 工 技 术 规 范 》 2.工程概况: 岢 岚 至 临 县 高 速 公 路 路 基 、桥隧工 程 施 工 第 LJ9 标 段进场后,新修筑的施 工 主 便 道 工 程 自窑头村路 口(便 道 桩号K22+177)至 周家沟口(便 道 桩号 K18+800)路 段长约3.4km,沿线 多处与 既 有 的陕京天 然 气 管 道 交 叉 或并行。 根据中石油北京天 然 气 管 道 有 限公 司山西输气 管 理处阳 曲 基 地 提 供 的 平 面 交 叉 示 意 图 , 共 有 交 叉11 处 , 根 据 本项 目 实 地 踏 查 , 由 于 主 便 道 线 路 有 部 分 路 段 进 行 了 改 线 , 现共 有 交 叉10 处 。交 叉 处 桩号及交 叉 长度及交 叉 点管道 及光缆埋深见下表。 表 2.1 各 处 交叉点概况表 交叉点 编号 便 道 桩号 交 叉 段 长 (m) 管道 埋深 (m) 光缆 埋深 (m) 备注 1# K21+840 27 1.2 1.6 2# K20+980 15 踏 查 中新增交 叉点, 管道 及光缆埋深未知 3# K20+580 49 1.8 1.1 4# K19+960 43 1.2 0.9 5# K19+900 20 1.6 1.2 6# K19+700 90 1.0 1.7 7# K19+300 13 1.0 2.0 8# 由 于 便 道 改 线 , 未与 管 线 交 叉 9# K18+980 90 11# K18+900 20 1.0 1.2 12# K18+820 15 1.0 1.4 根 据 天 然 气 公 司 要 求 , 结 合 现 场 实 际 情 况 , 针 对 管 道 与便 道 交 叉 地 方 , 采 用0.3m 厚 现 浇 钢 筋 混 凝 土 盖 板 对 交 叉 点下 的 管 道 进 行 防 护 , 防 护 长 度 按 照 交 叉 段 长 约 382m, 宽 度按 照4m 设 置 。 共 需 浇 筑C30 二 级 配 盖 板 混 凝 土4...

1、当您付费下载文档后,您只拥有了使用权限,并不意味着购买了版权,文档只能用于自身使用,不得用于其他商业用途(如 [转卖]进行直接盈利或[编辑后售卖]进行间接盈利)。
2、本站所有内容均由合作方或网友上传,本站不对文档的完整性、权威性及其观点立场正确性做任何保证或承诺!文档内容仅供研究参考,付费前请自行鉴别。
3、如文档内容存在违规,或者侵犯商业秘密、侵犯著作权等,请点击“违规举报”。

碎片内容

跨天然气管道方案

您可能关注的文档

确认删除?
VIP
微信客服
  • 扫码咨询
会员Q群
  • 会员专属群点击这里加入QQ群
客服邮箱
回到顶部