电脑桌面
添加小米粒文库到电脑桌面
安装后可以在桌面快捷访问

学校粘帖钢板加固工程检验批质量验收记录VIP专享VIP免费

学校粘帖钢板加固工程检验批质量验收记录_第1页
1/17
学校粘帖钢板加固工程检验批质量验收记录_第2页
2/17
学校粘帖钢板加固工程检验批质量验收记录_第3页
3/17
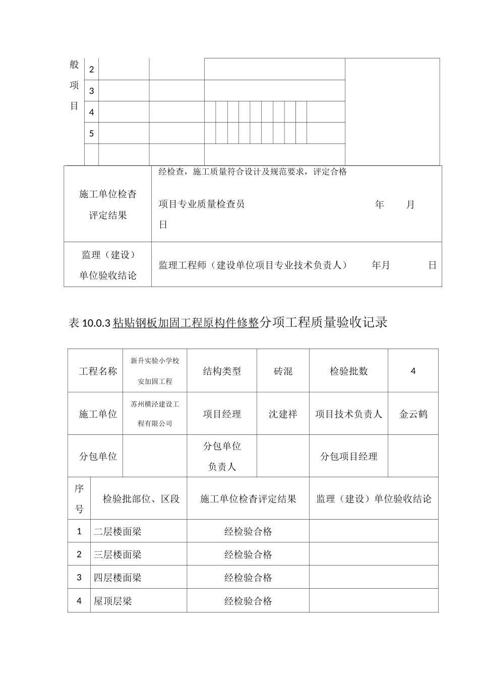
表10.0.1 粘贴钢板加固工程检验批质量验收记录工程名称新升实验小学校安加固工程分项工程名称原构件修整验收部位施工单位苏州横泾建设工程有限公司专业工长钟刚项目经理沈建祥分包单位分包项目经理施工班组长魏仁志批号及批量见证取样人员执行标准名称及编号建筑结构加固工程施工质量验收规范(GB50550-2010)检查项目质量验收规范的规定(条文号)施工单位自杳评定记录监理(建设)单位验收记录主控项目1原构件修整3.0.5 条原构件装刷层己全部铲除干净、表面清理干净,露出骨料新面,符合设计及规范要求。23456789—一1般项目2345施工单位检杳评定结果经检查,施工质量符合设计及规范要求,评定合格项目专业质量检查员日年月监理(建设)单位验收结论监理工程师(建设单位项目专业技术负责人)年月日表 10.0.3 粘贴钢板加固工程原构件修整分项工程质量验收记录工程名称新升实验小学校安加固工程结构类型砖混检验批数4施工单位苏州横泾建设工程有限公司项目经理沈建祥项目技术负责人金云鹤分包单位分包单位负责人分包项目经理序号检验批部位、区段施工单位检杳评定结果监理(建设)单位验收结论1二层楼面梁经检验合格2三层楼面梁经检验合格3四层楼面梁经检验合格4屋顶层梁经检验合格5678检查结论经检验合格项目专业技术负责人年月日验收结论监理工程师(建设单位项目专业技术负责人)年月日表10.0.1 粘贴钢板加固工程检验批质量验收记录工程名称新升实验小学校安加固工程分项工程名称界面处理验收部位施工单位苏州横泾建设工程有限公司专业工长钟刚项目经理沈建祥分包单位分包项目经理施工班组长魏仁志批号及批量见证取样人员执行标准江苏省中小学校舍抗震加固工程施工质量验收规则(试行)名称及编号检查项目质量验收规范的规定(条文号)施工单位自查评定记录监理(建设)单位验收记录主控项目1砼基层处理6.5.6 条构件砼打磨砼表面无松动骨料和粉尘经检查砼基层处理符合设计及规范要求2钢板处理6.5.7 条钢板除锈处理,处理符合设计及规范要求3456789般项目1专用胶粘剂6.5.8 条粘合剂应按产品说明书配制使用,搅拌均匀,无气泡,初粘度符合要求,配好的胶液防护措施得当。2钢板粘贴6.5.9 条按产品说明书涂刷底胶345施工单位检杳评定结果经检查,主控项目和一般项目均符合设计及规范要求,评定合格项目专业质量检查员年月日监理(建设)单位验收结论监理工程师(建设单位项目专业技术负责人)年月日表 10.0.3 粘贴钢板加固工程界面处理...

1、当您付费下载文档后,您只拥有了使用权限,并不意味着购买了版权,文档只能用于自身使用,不得用于其他商业用途(如 [转卖]进行直接盈利或[编辑后售卖]进行间接盈利)。
2、本站所有内容均由合作方或网友上传,本站不对文档的完整性、权威性及其观点立场正确性做任何保证或承诺!文档内容仅供研究参考,付费前请自行鉴别。
3、如文档内容存在违规,或者侵犯商业秘密、侵犯著作权等,请点击“违规举报”。

碎片内容

学校粘帖钢板加固工程检验批质量验收记录

确认删除?
VIP
微信客服
  • 扫码咨询
会员Q群
  • 会员专属群点击这里加入QQ群
客服邮箱
回到顶部