电脑桌面
添加小米粒文库到电脑桌面
安装后可以在桌面快捷访问

室内游泳池恒温方案设计VIP免费

室内游泳池恒温方案设计_第1页
1/3
室内游泳池恒温方案设计_第2页
2/3
室内游泳池恒温方案设计_第3页
3/3
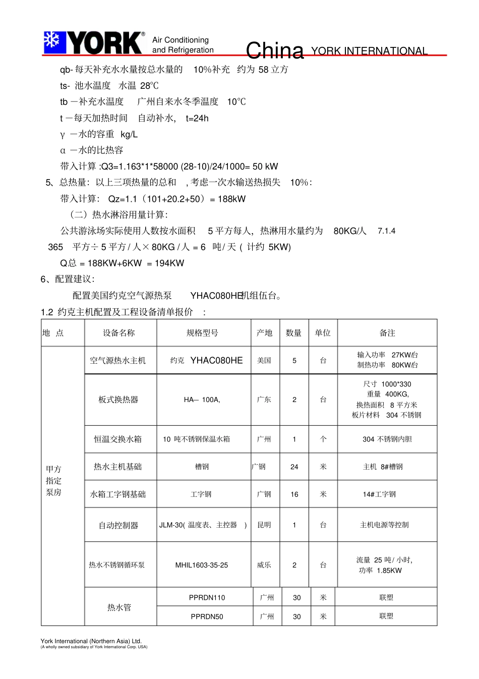
China YORK INTERNATIONAL York International (Northern Asia) Ltd. (A wholly owned subsidiary of York International Corp. USA)Air Conditioning and Refrigeration室内游泳池热泵方案1.1 客户基本情况我公司通过前期对贵公司沟通,根据贵单位提供相关数据及现场情况分析: 热水现况:贵公司室内游泳池: 约 365 平方 *1.6M=584 立方,按26~28℃恒温,参考“室内泳池热负荷”的计算方法来进行计算。(一)耗热量的计算: 1 、游泳初次加热时间: (24H~48H)Q初=V×1000×(T1-T2)/T /860 其中: v —池水总容积T1—池水温度水温 28℃T2—广州自来水冬季温度10℃T—加热时间带入计算 Q初=584×1000×(28-10)/30 /860 = 407kw 584×1000×(28-10)/(400KW ×860) = 30H 2 、水面蒸发损失的热量 :Q1=1.163υ (0.0174 υ f+0.0229)(Pb-Pq)F*760/B kW (7.12.) 其中: Q1—池面蒸发损失热量 kW v—与池水温度相等时,水的蒸发汽化潜热(kal/kg)此值查 581.4 vf —池水面上风速:取风速0.5m/s Pb—与池水温度相等时的饱和空气的水蒸汽分压力mmHg Pq—空气的水蒸气分压力mmHg F—池水表面积 365 B—当地的大气压力 mmHg 根据广州气象参数,查焓湿图,数据如下:vf = 0.5m/s, Pb=28.3mmHg Pq=15.6mmHg ;υ =581.4(kal/kg) B=744225 mmHg 带入计算: Q1=1.163*581.4(0.0174*0.5+0.0229)(28.3-15.6)*365*760/744225= 101kw 3 、池底和池壁损失的热量、水面传导损失的热量管道和设备损失的热量应按游泳池水表面蒸发损失的热量的 20%计算确定 :Q2 =Q1×20% 带入计算: Q2 =Q1×20%=101kw×20%= 20.2kW 4 、补充水加热所需的热量:Q3=α γ qb(ts-tb)/t kJ/h 其中: Qb-补充水加热所需的热量 kJ/h China YORK INTERNATIONAL York International (Northern Asia) Ltd. (A wholly owned subsidiary of York International Corp. USA)Air Conditioning and Refrigerationqb- 每天补充水水量按总水量的10%补充 约为 58 立方ts- 池水温度水温 28℃tb -补充水温度广州自来水冬季温度10℃t -每天加热时间自动补水, t=24h γ -水的容重 kg/L α -水的比热容带入计算 :Q3=1.163*1*58000 (28-10)/24/1000= 50 kW 5、总热量:以上三项热量的总和, 考虑一次水输送热损失10%:带入计算: Qz=1.1(101+20.2+50)= 188kW...

1、当您付费下载文档后,您只拥有了使用权限,并不意味着购买了版权,文档只能用于自身使用,不得用于其他商业用途(如 [转卖]进行直接盈利或[编辑后售卖]进行间接盈利)。
2、本站所有内容均由合作方或网友上传,本站不对文档的完整性、权威性及其观点立场正确性做任何保证或承诺!文档内容仅供研究参考,付费前请自行鉴别。
3、如文档内容存在违规,或者侵犯商业秘密、侵犯著作权等,请点击“违规举报”。

碎片内容

室内游泳池恒温方案设计

确认删除?
VIP
微信客服
  • 扫码咨询
会员Q群
  • 会员专属群点击这里加入QQ群
客服邮箱
回到顶部