电脑桌面
添加小米粒文库到电脑桌面
安装后可以在桌面快捷访问

106项水质监测指标VIP免费

106项水质监测指标_第1页
1/14
106项水质监测指标_第2页
2/14
106项水质监测指标_第3页
3/14
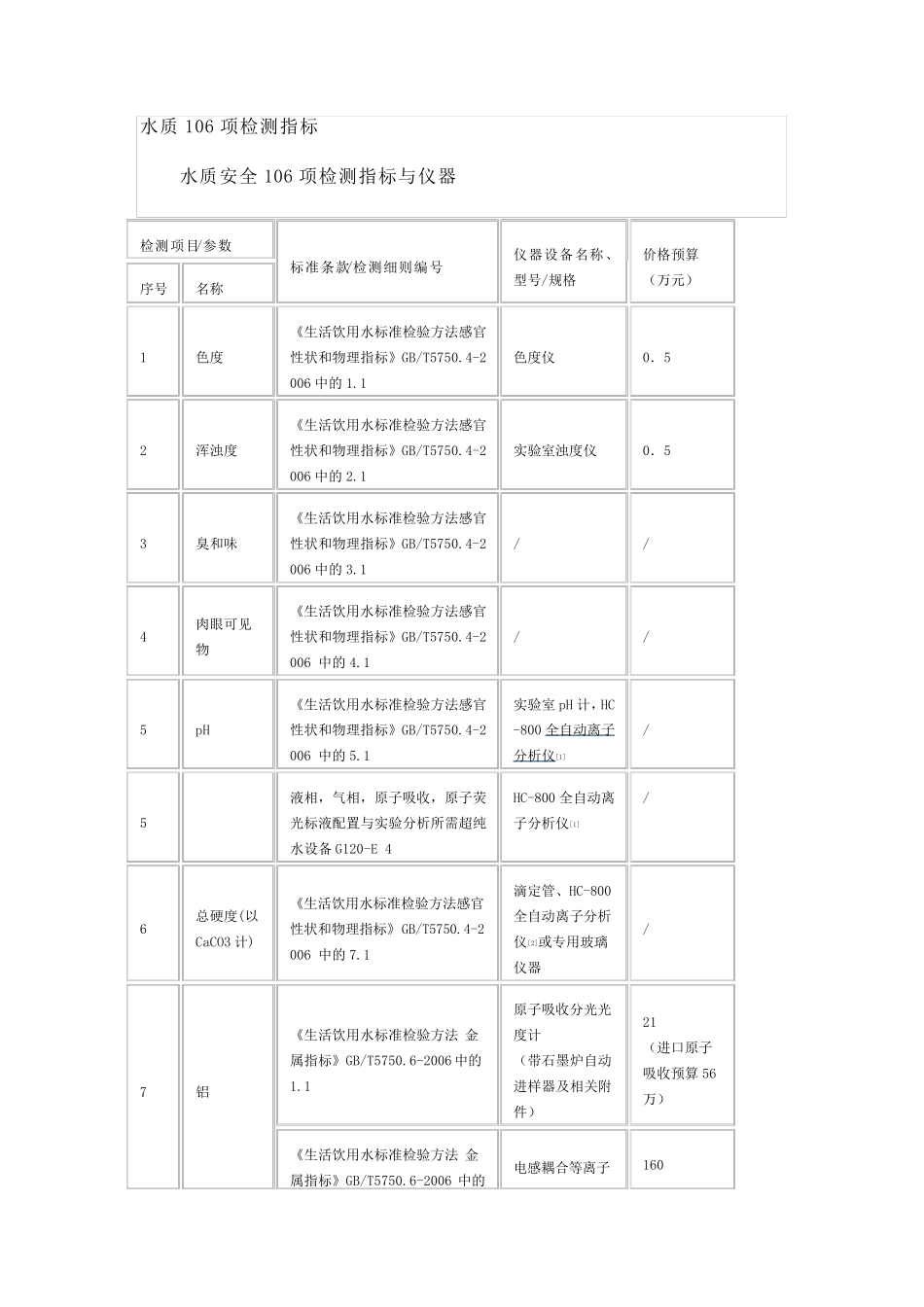
水质106 项检测指标 水质安全106 项检测指标与仪器 检测项目/参数 标准条款/检测细则编号 仪器设备名称、 型号/规格 价格预算 (万元) 序号 名称 1 色度 《生活饮用水标准检验方法感官性状和物理指标》GB/T5750.4-2006 中的 1.1 色度仪 0.5 2 浑浊度 《生活饮用水标准检验方法感官性状和物理指标》GB/T5750.4-2006 中的 2.1 实验室浊度仪 0.5 3 臭和味 《生活饮用水标准检验方法感官性状和物理指标》GB/T5750.4-2006 中的 3.1 / / 4 肉眼可见物 《生活饮用水标准检验方法感官性状和物理指标》GB/T5750.4-2006 中的 4.1 / / 5 pH 《生活饮用水标准检验方法感官性状和物理指标》GB/T5750.4-2006 中的 5.1 实验室 pH 计,HC-800 全自动离子分析仪[1] / 5 液相,气相,原子吸收,原子荧光标液配置与实验分析所需超纯水设备G120-E 4 HC-800 全自动离子分析仪[1] / 6 总硬度(以CaCO3 计) 《生活饮用水标准检验方法感官性状和物理指标》GB/T5750.4-2006 中的 7.1 滴定管、HC-800全自动离子分析仪[2]或专用玻璃仪器 / 7 铝 《生活饮用水标准检验方法 金属指标》GB/T5750.6-2006 中的1.1 原子吸收分光光度计 (带石墨炉自动进样器及相关附件) 21 (进口原子吸收预算 56万) 《生活饮用水标准检验方法 金属指标》GB/T5750.6-2006 中的电感耦合等离子160 1.5 体质谱仪/7500a 8 铁 《生活饮用水标准检验方法 金属指标》GB/T5750.6-2006 中的2.4 电感耦合等离子体质谱仪 / 《生活饮用水标准检验方法 金属指标》GB/T5750.6-2006 中的2.2 原子吸收分光光度计 (带石墨炉自动进样器及相关附件) / 9 铜 《生活饮用水标准检验方法 金属指标》GB/T5750.6-2006 中的4.6 原子吸收分光光度计 (带石墨炉自动进样器及相关附件) / 10 锰 《生活饮用水标准检验方法 金属指标》GB/T5750.6-2006 中的3.6 电感耦合等离子体质谱仪/7500a / 《生活饮用水标准检验方法 金属指标》GB/T5750.6-2006 中的3.2 原子吸收分光光度计 (带石墨炉自动进样器及相关附件) / 11 锌 《生活饮用水标准检验方法 金属指标》GB/T5750.6-2006 中的5.6 原子吸收分光光度计 (带石墨炉自动进样器及相关附件) / 12 挥发酚类(以苯酚计) 《生活饮用水标准检验方法感官性状和物理指标》GB/T5750.4-2006 中的 9.1 紫外可见分光光度计 TU19 7 / 13 阴离子合...

1、当您付费下载文档后,您只拥有了使用权限,并不意味着购买了版权,文档只能用于自身使用,不得用于其他商业用途(如 [转卖]进行直接盈利或[编辑后售卖]进行间接盈利)。
2、本站所有内容均由合作方或网友上传,本站不对文档的完整性、权威性及其观点立场正确性做任何保证或承诺!文档内容仅供研究参考,付费前请自行鉴别。
3、如文档内容存在违规,或者侵犯商业秘密、侵犯著作权等,请点击“违规举报”。

碎片内容

106项水质监测指标

您可能关注的文档

确认删除?
VIP
微信客服
  • 扫码咨询
会员Q群
  • 会员专属群点击这里加入QQ群
客服邮箱
回到顶部