电脑桌面
添加小米粒文库到电脑桌面
安装后可以在桌面快捷访问

10KV架空线路知识VIP免费

10KV架空线路知识_第1页
1/7
10KV架空线路知识_第2页
2/7
10KV架空线路知识_第3页
3/7
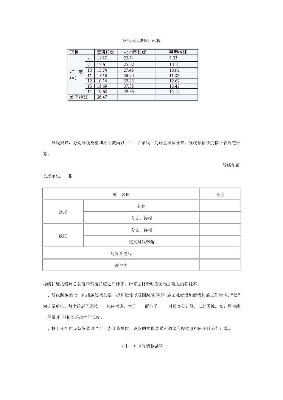
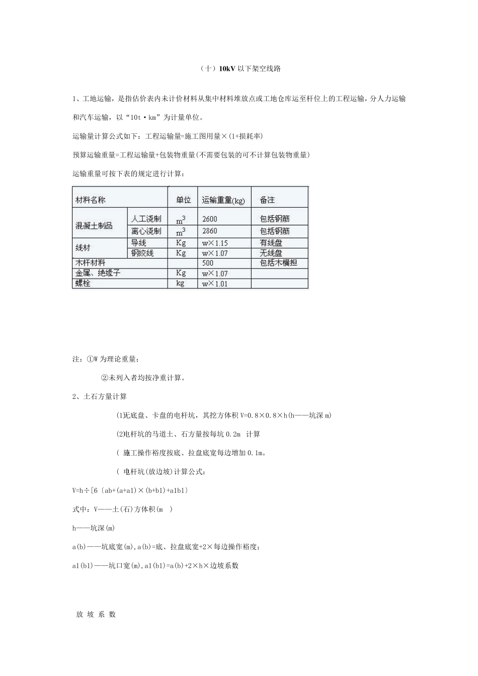
(十)10kV 以下架空线路 1、工地运输,是指估价表内未计价材料从集中材料堆放点或工地仓库运至杆位上的工程运输,分人力运输和汽车运输,以“10t·km”为计量单位。 运输量计算公式如下:工程运输量=施工图用量×(1+损耗率) 预算运输重量=工程运输量+包装物重量(不需要包装的可不计算包装物重量) 运输重量可按下表的规定进行计算: 注:①W 为理论重量; ②未列入者均按净重计算。 2、土石方量计算 (1)无底盘、卡盘的电杆坑,其挖方体积 V=0.8×0.8×h(h——坑深 m) (2)电杆坑的马道土、石方量按每坑 0.2m3计算 (3)施工操作裕度按底、拉盘底宽每边增加 0.1m。 (4)电杆坑(放边坡)计算公式: V=h÷[6〔ab+(a+a1)×(b+b1)+a1b1〕] 式中:V——土(石)方体积(m3) h——坑深(m) a(b)——坑底宽(m),a(b)=底、拉盘底宽+2×每边操作裕度; a1(b1)——坑口宽(m),a1(b1)=a(b)+2×h×边坡系数 放 坡 系 数 注:a.土方量计算公式亦适用于拉线坑; b.双接腿杆坑按带底盘的土方量计算; c.木杆按不带底盘的土方量计算。 3.各类土质的放坡系数按下表计算 各类土质的放坡系数 土质 普通土、水坑 坚土 松砂石 泥水、流砂、岩石 放坡系数 1∶0.3 1∶0.25 1∶0.2 不放坡 4、冻土厚度大于300mm时,冻土层的挖方量按挖坚土项目,其基价乘以系数2.5。 其他土层仍按土质性质执行本册估价表。 5、杆坑土质按一个坑的主要土质而定,如一个坑大部分为普通土,少量为坚土,则该坑应全部按普通土计算。 6、带卡盘的电杆坑,如原计算的尺寸不能满足卡盘安装时,因卡盘超长而增加的土(石)方量另计。 7、底盘、卡盘、拉线盘按设计用量以“块”为计量单位。 8、杆塔组立,分别杆塔形式和高度按设计数量以“根”为计量单位。 9、拉线制作安装按施工图设计规定,分别不同形式 ,以“组”为计量单位。 10、横担安装按施工图设计规定,分不同形式和截面,以“根”为计量单位,估价表按单根拉线考虑,若安装V型、Y型或双拼型拉线时,按2 根计算。拉线长度按设计全根长度计算,设计无规定时可按下表计算。 拉线长度单位:m /根 11、导线架设,分别导线类型和不同截面以“1km/单线”为计量单位计算。导线预留长度按下表规定计算。 导线预留长度单位:m/根 项目名称 长度 高压 转角 2.5 分支、终端 2.0 低压 分支、终端 0.5 交叉跳线转角 1.5 与设备连线 0.5 进户线 2.5 导线长度按线路总长度和预留长度之和计算...

1、当您付费下载文档后,您只拥有了使用权限,并不意味着购买了版权,文档只能用于自身使用,不得用于其他商业用途(如 [转卖]进行直接盈利或[编辑后售卖]进行间接盈利)。
2、本站所有内容均由合作方或网友上传,本站不对文档的完整性、权威性及其观点立场正确性做任何保证或承诺!文档内容仅供研究参考,付费前请自行鉴别。
3、如文档内容存在违规,或者侵犯商业秘密、侵犯著作权等,请点击“违规举报”。

碎片内容

10KV架空线路知识

小辰8+ 关注
实名认证
内容提供者

出售各种资料和文档

确认删除?
VIP
微信客服
  • 扫码咨询
会员Q群
  • 会员专属群点击这里加入QQ群
客服邮箱
回到顶部