电脑桌面
添加小米粒文库到电脑桌面
安装后可以在桌面快捷访问

10KV高压柜(出线柜、变压器)检查表VIP免费

10KV高压柜(出线柜、变压器)检查表_第1页
1/20
10KV高压柜(出线柜、变压器)检查表_第2页
2/20
10KV高压柜(出线柜、变压器)检查表_第3页
3/20
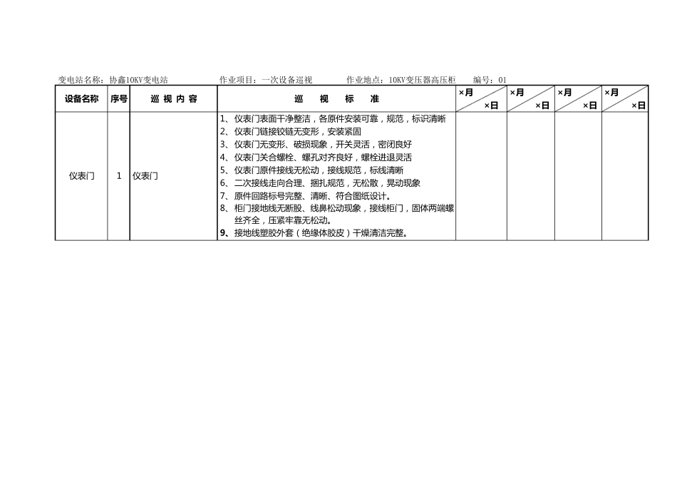
变电站名称:协鑫10KV变电站 作业项目:一次设备巡视 作业地点:10KV变压器高压柜 编号:01 设 备 名 称 序 号 巡 视 内 容 巡 视 标 准 ×月 ×日 ×月 ×日 ×月 ×日 ×月 ×日 仪 表 门 1 仪 表 门 1、 仪 表 门 表 面干净整洁,各原件安装可靠,规范,标识清晰 2、 仪 表 门 链接铰链无变形,安装紧固 3、 仪 表 门 无变形、破损现象,开关灵活,密闭良好 4、 仪 表 门 关合螺栓、螺孔对齐良好,螺栓进退灵活 5、 仪 表 门 原件接线无松动,接线规范,标线清晰 6、 二次接线走向合理、捆扎规范,无松散,晃动现象 7、 原件回路标号完整、清晰、符合图纸设计。 8、 柜门 接地线无断股、线鼻松动现象,接线柜门 ,固体两端螺丝齐全,压紧牢靠无松动。 9、 接地线塑胶外套(绝缘体胶皮)干燥清洁完整。 设 备 名 称 序 号 巡 视 内 容 巡 视 标 准 ×月 ×日 ×月 ×日 ×月 ×日 ×月 ×日 2 保 护 装 置 及 压 板 1、 保 护 装 置 显示正常,三相电流显示与负荷相适,三相平衡无动作,报警。电压 显示正常10~11KV,三相平衡 2、 装 置 运行指示灯常亮,动作、告警、非电量、备用指示无动作 3、 装 置 内部参数设置 正确,保 护 定值、控制字、软压 板 与定值单相符(详见定值清单) 4、 硬压 板 位置 与实际运行状态相符 (第一排:保 护 跳高压 开关、高压 过流、保 护 联跳低压 开关、温度保 护 跳闸在投运位置 ;装 置 检修压 板 在退出位置 第二排:装 置 检修压 板 ,比率差动压 板 在退出位置 ;保 护 跳低压 侧开关,保 护 联跳高压 侧开关,复压 开出压 板 在投入位置 ) 5、断路器未储能,后面柜门未关好,手车不到位或解备时报控制回路断线并报警灯亮。 3、 远方就地转换开关 1、 远方就地开关完好,安装接线无松动 2、 远方就地开关标识正确、清晰 3、 远方就地开关在就地位置(监控后台操作时投远方) 4、 4、 开关跳合闸控制开关 1、 控制开关完好,安装接线无松动 2、 控制开关标识正确、清晰 3、 控制开关合后位置(高压开关在合闸),若高压开关在跳闸时控制开关在跳后位置 设 备 名 称 序 号 巡 视 内 容 巡 视 标 准 ×月 ×日 ×月 ×日 ×月 ×日 ×月 ×日 5 指 示 灯 1、 红绿指 示 完好,安装接线无松...

1、当您付费下载文档后,您只拥有了使用权限,并不意味着购买了版权,文档只能用于自身使用,不得用于其他商业用途(如 [转卖]进行直接盈利或[编辑后售卖]进行间接盈利)。
2、本站所有内容均由合作方或网友上传,本站不对文档的完整性、权威性及其观点立场正确性做任何保证或承诺!文档内容仅供研究参考,付费前请自行鉴别。
3、如文档内容存在违规,或者侵犯商业秘密、侵犯著作权等,请点击“违规举报”。

碎片内容

10KV高压柜(出线柜、变压器)检查表

确认删除?
VIP
微信客服
  • 扫码咨询
会员Q群
  • 会员专属群点击这里加入QQ群
客服邮箱
回到顶部