电脑桌面
添加小米粒文库到电脑桌面
安装后可以在桌面快捷访问

13超长塔吊附着杆的设计、制作及安拆VIP免费

13超长塔吊附着杆的设计、制作及安拆_第1页
1/10
13超长塔吊附着杆的设计、制作及安拆_第2页
2/10
13超长塔吊附着杆的设计、制作及安拆_第3页
3/10
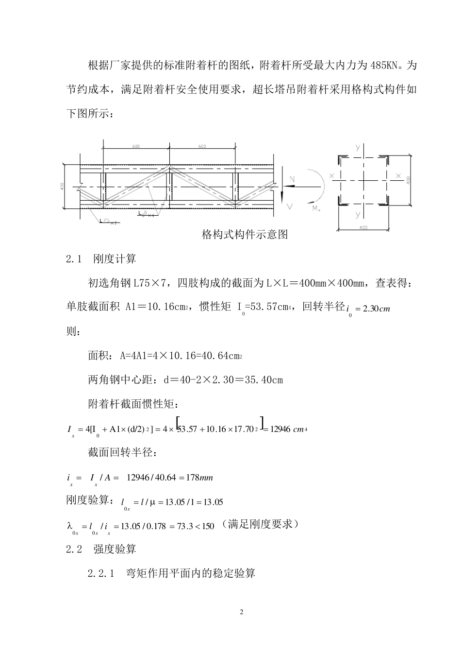
1 超长塔机附着杆设计、制作及安拆 西 南 分 公 司 郭 新 贺 宫 敬 海 1 前 言 在 附 着 自 升 式 塔 机 起 重 机 的 实 际 应 用 中 , 厂 家 提 供 的 标 准 附 着 杆 的 长度 在4 米 左 右 。 但 在 实 际 使 用 中 , 由 于 建 筑 物 本 身 的 形 状 或 受 施 工 场 地 限制 , 塔 吊 附 着 杆 的 长 度 超 过 标 准 长 度 , 有 些 甚 至 达4 倍 以 上 , 因 此 需 要 重新 加 工 制 作 附 着 杆 。 2 超 长 附 着 杆 的 设 计 以 铁 二 院 测 绘 综 合 楼 为 例 : 铁 二 院 测 绘 综 合 楼 建 筑 面 积 30018m2, 地 上19 层 , 地 下 一 层 , 建 筑 高 度70.2m, 采 用 川 建C6024 高 塔 , 由 于 场 地 限 制塔 吊 中 心 线 距 离 外 墙 12.55m, 其 附 着 杆 长 度 达 14.07m, 如 下 图 所 示 。 经 与厂 家 协 商 , 厂 家 只 提 供 标 准 附 着 杆 的 加 工 图 , 为 满 足 现 场 需 求 , 必 须 另 行制 作 附 着 杆 。 铁 二 院 测 绘 综 合 楼 工 程 塔 吊 平 面 布 置 图最大荷载±236KN最大荷载±430KN最大荷载±485KN2 根据厂家提供的标准附着杆的图纸,附着杆所受最大内力为485KN。为节约成本,满足附着杆安全使用要求,超长塔吊附着杆采用格构式构件如下图所示: 格构式构件示意图 2.1 刚度计算 初选角钢L75×7,四肢构成的截面为L×L=400mm×400mm,查表得:单肢截面积 A1=10.16cm2,惯性矩 I0=53.57cm4,回转半径cmi30.20  则: 面积:A=4A1=4×10.16=40.64cm2 两角钢中心距:d=40-2×2.30=35.40cm 附着杆截面惯性矩: 42201294670.1716.1057.534](d /2)A1[I4cmIx 截面回转半径: mmAIixx17864.40/12946/ 刚度验算:05.131/05.13/0llx 1503.73178.0/05.13/00xxxil(满足刚度要求) 2.2 强度验算 2.2.1 弯矩作用平面内的稳定验算 ×75 ×43 KNN4 8 5 mKNqlMx•9 0.1 30 5.1 32.14)6.04.00 3.02.10 3.00 8.0(818122 查表得6 7 7.0x(b 类截面) KNNEANxEx5.4 4 8 94 4 8 9 5 3 73.7 31 06 4.4 01 00 2.61 4.322...

1、当您付费下载文档后,您只拥有了使用权限,并不意味着购买了版权,文档只能用于自身使用,不得用于其他商业用途(如 [转卖]进行直接盈利或[编辑后售卖]进行间接盈利)。
2、本站所有内容均由合作方或网友上传,本站不对文档的完整性、权威性及其观点立场正确性做任何保证或承诺!文档内容仅供研究参考,付费前请自行鉴别。
3、如文档内容存在违规,或者侵犯商业秘密、侵犯著作权等,请点击“违规举报”。

碎片内容

13超长塔吊附着杆的设计、制作及安拆

您可能关注的文档

确认删除?
VIP
微信客服
  • 扫码咨询
会员Q群
  • 会员专属群点击这里加入QQ群
客服邮箱
回到顶部