电脑桌面
添加小米粒文库到电脑桌面
安装后可以在桌面快捷访问

PE管材生产工艺VIP免费

PE管材生产工艺_第1页
1/24
PE管材生产工艺_第2页
2/24
PE管材生产工艺_第3页
3/24
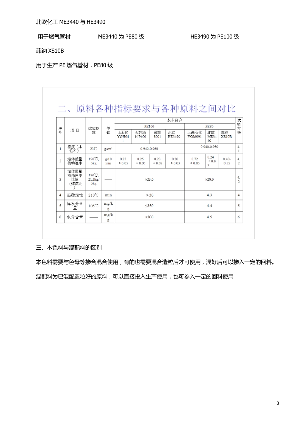
2 第 一 章 、 原料 根据 PE 原料的类型和分级数我公司所用材料有 PE80、PE100。根据厂家可分为: 1、上海石化 YGH041 及 YGH041T; 2、大韩油化 P600; 3、台塑 8001; 4、北欧化工 ME3440 与 HE3490; 5、菲纳 XS10B 上海石化 YGH041 及 YGH041T 该材料主要用于 PE 的所有给水管材 大韩油化 P600 台塑 8001 用于 D90~D250 规格的 PE 给水管材 3 北 欧 化 工 ME3440 与 HE3490 用 于 燃 气 管 材 ME3440 为 PE80 级 HE3490 为 PE100 级 菲 纳 XS10B 用 于 生 产 PE 燃 气 管 材 , PE80 级 三 、本色料与 混配料的区别 本色料需要与 色母等掺合混合使用 , 有的也需要混合造粒后才可使用 , 混好后可以掺入一定的回料。 混配料为 已混配造粒好的原料, 可以直接投入生 产 使用 , 也可参入一定的回料使用 4 第 二 章 、设备 一 、PE 生产所需的设备 1、吸料设备 2、干燥设备 3、生产设备 4、辅助设备 二、各设备的组成与作用以及注意要点 1、吸料设备 吸料设备由管路和气泵组成。 吸料设备主要是把已混配好的原料吸入干燥器进行干燥,经过干燥后再吸进料斗中。 吸料器吸料时要防止吸料口堵住,以免吸不出料而导致生产断料,因此吸料口要经常进行清理 2、干燥设备 5 主 要 由 脱 湿 器 、加热器 、烘干箱组成。 原料经过加热器 加热后的空气在烘干箱中烘干,水份通过脱 湿 器 进行排放,从而使原料干燥的进入料斗中 干燥设备的温度需根据原料的挥发份进行设定,挥发份越高温度设定相对较高 3、生产设备 生产设备主 要 引出装置由 挤压系统、传动系统和加热冷却系统、真空定型系统组成。 (1)、挤压系统包括螺杆、机筒、料斗、机头、和模具,塑料通过挤压系统而塑化成均匀的熔体,并在这一过程中所建立压力下,被螺杆连续的挤出机头。 a.螺杆:是挤塑机的最主 要 部件,它直接关系到挤塑机的应用范围和生产率,由 高强度耐腐蚀的合金钢制成。 b.机筒:是一金属圆筒,一般用耐热、耐压强度较高、坚固耐磨、耐腐蚀的合金钢或内衬合金钢的复合钢管制成。机筒与螺杆配合,实现对塑料的粉碎、软化、熔融、塑化、排气和压实,并向成型系统连续均匀输送胶料,一般机筒的长度为其直径的 15~30 倍,以使塑料得到充分加热和充分塑化为原则。 c.料斗:料斗底部装有截断装置,以便调整和切断料流,料斗的侧面装...

1、当您付费下载文档后,您只拥有了使用权限,并不意味着购买了版权,文档只能用于自身使用,不得用于其他商业用途(如 [转卖]进行直接盈利或[编辑后售卖]进行间接盈利)。
2、本站所有内容均由合作方或网友上传,本站不对文档的完整性、权威性及其观点立场正确性做任何保证或承诺!文档内容仅供研究参考,付费前请自行鉴别。
3、如文档内容存在违规,或者侵犯商业秘密、侵犯著作权等,请点击“违规举报”。

碎片内容

PE管材生产工艺

您可能关注的文档

确认删除?
VIP
微信客服
  • 扫码咨询
会员Q群
  • 会员专属群点击这里加入QQ群
客服邮箱
回到顶部