电脑桌面
添加小米粒文库到电脑桌面
安装后可以在桌面快捷访问

PTA装置概况与流程说明VIP免费

PTA装置概况与流程说明_第1页
1/27
PTA装置概况与流程说明_第2页
2/27
PTA装置概况与流程说明_第3页
3/27
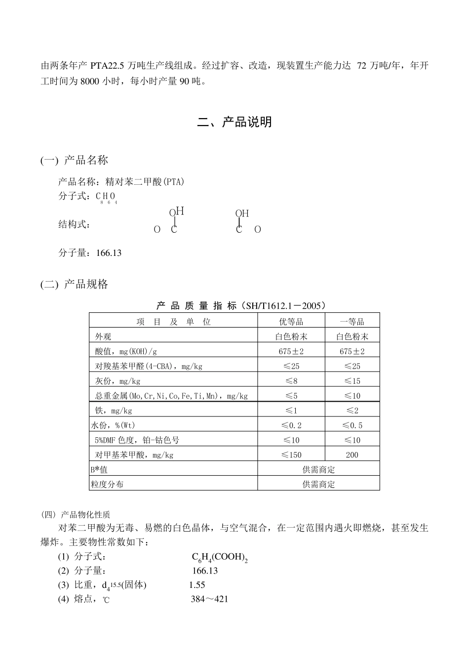
一、装置概况 (一)概况 本装置是以对二甲苯为原料生产纤维级精对苯二甲酸的成套装置,简称精对苯二甲酸(PTA)装置。PTA 为精对苯二甲酸的英文名称Purified Terephthalic Acid 的缩写。 本装置是成套引进装置,合同情况如下: 合同号:CGD—78416 签字日期:1978 年 12 月 22 日 生效日期:1979 年 1 月 22 日 承包商:西德法兰克福/(梅因)鲁奇矿物油技术有限公司 专利商:美国标准油公司(印第安那)的阿莫柯化学公司 生产规模:年产45 万吨精对苯二甲酸 价格:设备材料及技术服务费 305,495,200DM 专利费 19,466,667US$ 工程投资 61105.46 万元 本装置产品主要作为聚酯原料,与仪征化纤公司同期向西德吉玛公司引进的54 万吨/年聚酯装置相配套。由于 1981 年国民经济调整,装置一度停缓建,1983 年 11 月我方与卖方签订了《修改合同协议书》,延续合同关系至1985 年 10 月。1985 年 6 月装置正式动工兴建,并于 89年 9 月试车一次成功。1995 年 PTA 装置逐步 实 施 改造 至1997 年形 成了60 万吨/年的规模并达标。2012 年 3 月,新 一轮 的PTA 节 能 改造 项 目 正式开 工。 PTA 装置由精对苯二甲酸生产装置区 、 公用 区 及灰 浆 沉 降 区 三 部 分 组 成。生产装置区 包括中 央 控 制 室 、 总 降 变 配电 站 、 贮 罐 区 、 脱 离 子 水 生产系统 、 氢 氮 压 缩及贮 存 系统 等 设施 。公用区 包括 循 环 冷 却 水 系统 、 设备维修站 、 综 合维修站 、 化学品仓 库 、 压 缩空 气 站 、 堆 场 等 。装置占 地 总 面 积 17.9 万平 方米 。 PTA 装置共 引进设备 1202 台 ,工艺 管 道 22.4 万米 ,引进仪表 9568 台 (件 ),调节 控 制 回 路630 余 套。PTA60 万吨改造 时 ,改造 和 新 增 设备 290 台 件 ,增 加 工艺 配管 2 万米 ,阀 门 700 台 ,铺 设电 缆 50000 米 ,增 加 仪表 调节 回 路 100 条 ,电 气 设备 200 台 。经改造 后 仪表 控 制 系统 全 部改为DCS 控 制 。新 一轮 的PTA 节 能 改造 项 目 ,改造 和 新 增 设备 122 台 (套),增 加 工艺 配管 16263米 ,阀 门 1407 台 ,铺 设电 缆 、 光 缆 125610 米 ,增 加 仪表 设备 757 台 。 (二) 生...

1、当您付费下载文档后,您只拥有了使用权限,并不意味着购买了版权,文档只能用于自身使用,不得用于其他商业用途(如 [转卖]进行直接盈利或[编辑后售卖]进行间接盈利)。
2、本站所有内容均由合作方或网友上传,本站不对文档的完整性、权威性及其观点立场正确性做任何保证或承诺!文档内容仅供研究参考,付费前请自行鉴别。
3、如文档内容存在违规,或者侵犯商业秘密、侵犯著作权等,请点击“违规举报”。

碎片内容

PTA装置概况与流程说明

确认删除?
VIP
微信客服
  • 扫码咨询
会员Q群
  • 会员专属群点击这里加入QQ群
客服邮箱
回到顶部