电脑桌面
添加小米粒文库到电脑桌面
安装后可以在桌面快捷访问

室内装饰工程质量控制一览表VIP免费

室内装饰工程质量控制一览表_第1页
1/3
室内装饰工程质量控制一览表_第2页
2/3
室内装饰工程质量控制一览表_第3页
3/3
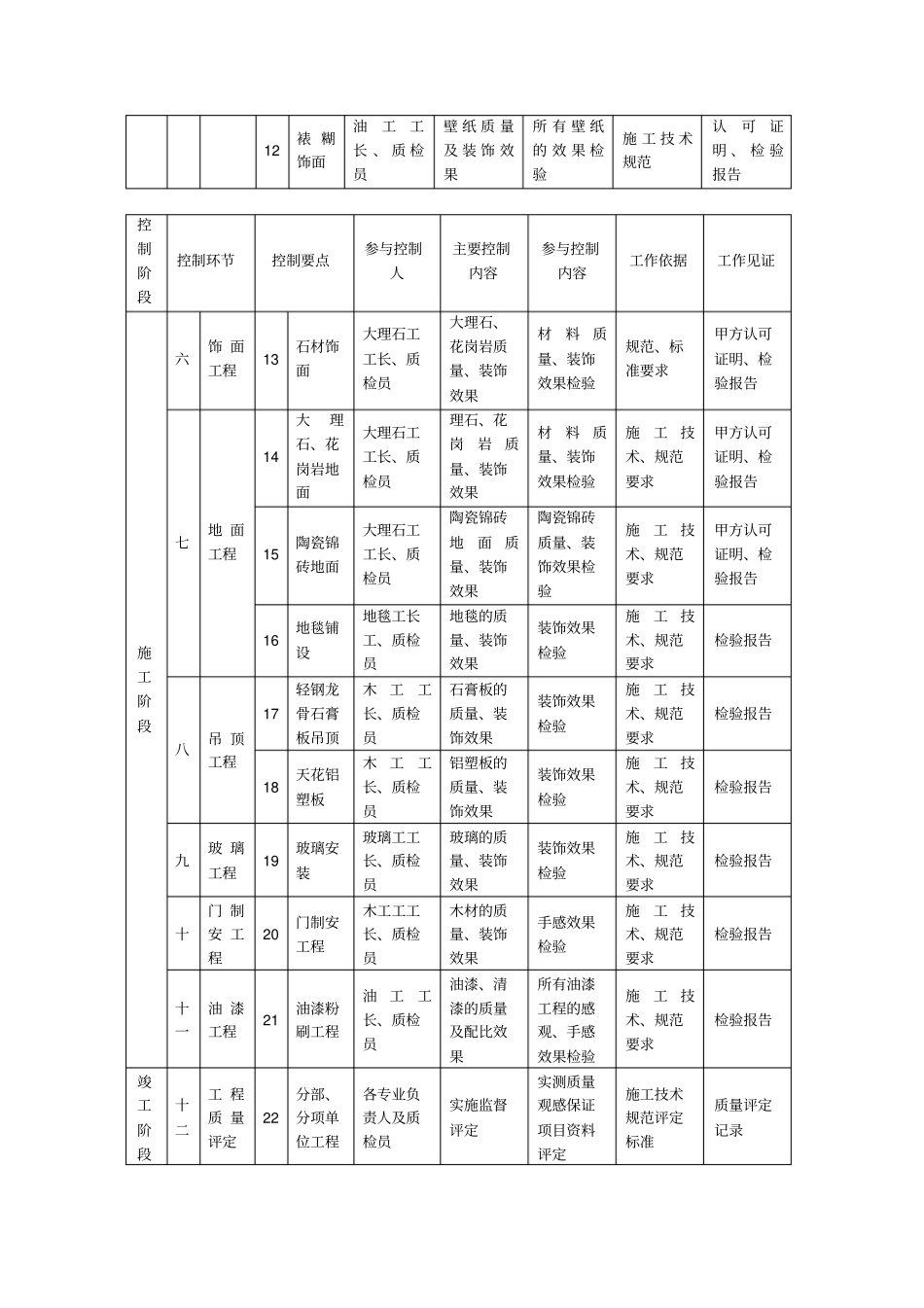
控制阶段控制环节控制要点参与控制人主要控制内容参与控制内容工作依据工作见证准备阶段一设 计交 底与 图纸 会审1设 计交 底内容项目经理 、 技 术负 责 人 、班组了 解 设 计意 图 , 提出问题解 问 题 的办法施 工 图 及技术文件设 计 技 术交 底 与 会议记录2图 纸会审项目经理 、 技 术负 责 人 、班组对 图 纸 的完 整 性 、准 确 性 、合 法 性 、可 行 性 进行会审及 时 进 行图纸会审施 工 图 及技术文件图 纸 会 审会议记录二制 定施 工艺 文件3施 工组 织设计各 专 业 工长按 企 业 标准 进 行 编制并会审分 期 及 时编制规 范 施 工图标准批 准 认 可的 施 工 组织计划4分 段施 工方案各 工 种 工程监理组织审批编写规 范 施 工图标准批 准 的 专题 施 工 方法三施 工材 料机 具设备5分 部工 程材 料需 用计划工 长 材 料员审核报批编制计划规 范 、 定额批 准 的 材料计划四材 料进场6材 料进 场计划材料员编 制 材 料平 衡 计 划组织进货建帐立卡材料预算材 料 计 划表7材 料验收工 长 、 材料员、审 查 材 料平 衡 计 划组织进货有 无 合 格证定货合同 、 材 料预算材 料 验 收单五开 工报告8材 料保 管发放领 料 员 、材料员、建领料卡 、 核 对材 料 名 称规格核 对 合 格证及数量限 额 领 料及 供 应 计划进 货 单 、收料单施工阶段六饰 面工程9确 认施 工条件各 专 业 工程师人员到位、材料、工具到位考 勤 、 物料分类施 工 准 备工作计划批 准 的 开工报告10木 饰面木工工长 、 质 检员材料质量 、 装 饰效果合 格 证 及木 饰 面 装饰效果规 范 、 标准要求认可证明 、 检 验报告11釉 面砖 饰面理石工长 、 质 检员釉 面 砖 质量 装 饰 要求及规范合 格 证 及釉 面 砖 面装饰效果施 工 技 术规范认可证明 、 检 验报告12裱 糊饰面油工工长 、 质 检员壁 纸 质 量及 装 饰 效果所 有 壁 纸的 效 果 检验施 工 技 术规范认可证明 、 检 验报告控制阶段控制环节控制要点参与控制人主要控制内容参与控制内容工作依据工作见证施工阶段六饰 面工程13石材饰面大理石工工长、质检员大理石、花岗岩质量、装饰效果材料质量、装饰效果检验规范、标准要求甲方认可证明...

1、当您付费下载文档后,您只拥有了使用权限,并不意味着购买了版权,文档只能用于自身使用,不得用于其他商业用途(如 [转卖]进行直接盈利或[编辑后售卖]进行间接盈利)。
2、本站所有内容均由合作方或网友上传,本站不对文档的完整性、权威性及其观点立场正确性做任何保证或承诺!文档内容仅供研究参考,付费前请自行鉴别。
3、如文档内容存在违规,或者侵犯商业秘密、侵犯著作权等,请点击“违规举报”。

碎片内容

室内装饰工程质量控制一览表

您可能关注的文档

文库响当当+ 关注
实名认证
内容提供者

该用户很懒,什么也没介绍

确认删除?
VIP
微信客服
  • 扫码咨询
会员Q群
  • 会员专属群点击这里加入QQ群
客服邮箱
回到顶部