电脑桌面
添加小米粒文库到电脑桌面
安装后可以在桌面快捷访问

农村机耕道技术条件VIP免费

农村机耕道技术条件_第1页
1/7
农村机耕道技术条件_第2页
2/7
农村机耕道技术条件_第3页
3/7
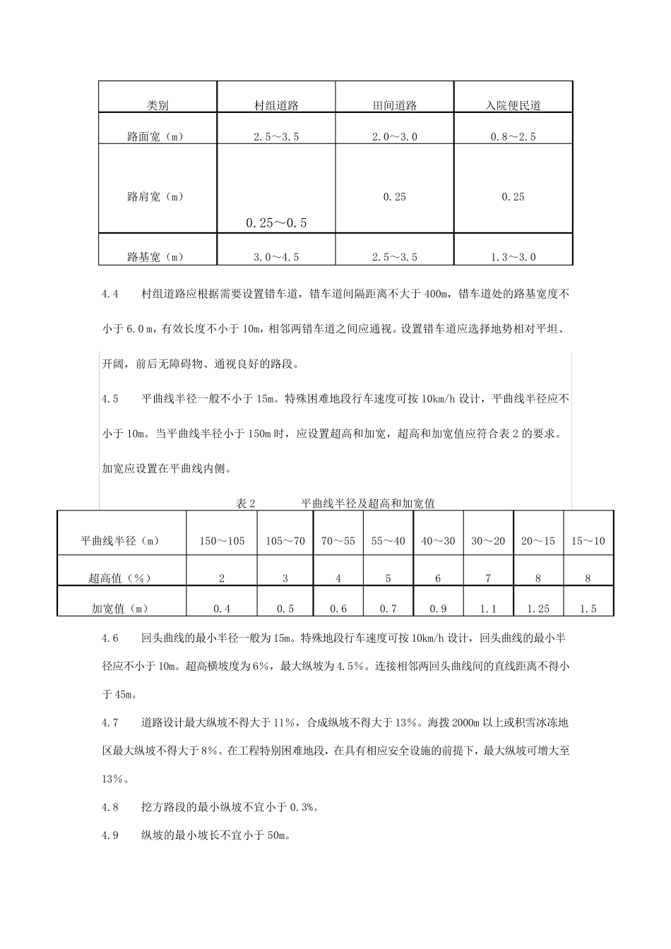
附件: 农村机耕便民道通用技术条件(试行) 1 范围 本标准规定了农村机耕便民道的术语和定义、路线、路基、路面、下田坡道、桥梁、涵洞及配套设施等的通用技术要求。 本标准适用于新建和改建农村机耕便民道。改建农村机耕便民道的局部路段受条件限制时,对本标准的个别指标,经过技术经济比较,可作合理变动。 2 规范性引用文件 下列文件对于本文件的应用是必不可少的。凡是注日期的引用文件,仅所注日期的版本适用于本文件。凡是不注日期的引用文件,其最新版本(包括所有的修改单)适用于本文件。 JTG B01 公路工程技术标准 JTG D30 公路路基设计规范 JTG D40 公路水泥混凝土路面设计规范 JTG D60 公路桥涵设计通用规范 JTG D61 公路圬工桥涵设计规范 JTG D63 公路桥涵地基与基础设计规范 JTG F10 公路路基施工技术规范 JTJ 034 公路路面基层施工技术规范 JTJ 041 公路桥涵施工技术规范 3 术语和定义 下列术语和定义适用于本标准。 3.1 农村机耕便民道 指行政村内,主要用于农业机械和其它行走机械通行的农村道路,包括村组道路、田间道路和入院便民道。 3.1.1 村组道路 连接村与村民小组、相邻村民小组之间的道路。 3.1.2 田间道路 通达田间主要用于农业机械通行和农业生产运输的道路。 3.1.3 入院便民道 通达村民聚居院落的道路。 3.2 砂石路面 由碎石、天然砂砾、泥结碎(砾)石、矿渣和炉渣等稳定性较好的加固土铺筑的路面。 3.3 硬化路面 使用水泥混凝土、块石(片石)等材料铺筑的路面。 3.4 硬化路肩 使用水泥、块石(片石)和砂石等材料浇筑(砌筑)的路肩。 3.5 下田坡道 连接机耕便民道与田块,供农业机械下田的坡道。 4 路线 4.1 设计为单车道,设计速度不大于 15km/h。 4.2 道路在平面和纵面上由直线和曲线组成。在设计布置平曲线及竖曲线时,应做到平面顺适、纵坡均衡、横面合理。平、纵面线形应与地形、地物及周围环境相协调,避免大挖大填和水土流失。 4.3 路基、路面、路肩宽度见表 1。 表 1 路基、路面、路肩宽度 类别 村组道路 田间道路 入院便民道 路面宽(m) 2.5~3.5 2.0~3.0 0.8~2.5 路肩宽(m) 0.25~0.5 0.25 0.25 路基宽(m) 3.0~4.5 2.5~3.5 1.3~3.0 4.4 村组道路应根据需要设置错车道,错车道间隔距离不大于400m,错车道处的路基宽度不小于6.0 m,有效长度不小于10m,相邻两错车道之间应通视。设置错车道...

1、当您付费下载文档后,您只拥有了使用权限,并不意味着购买了版权,文档只能用于自身使用,不得用于其他商业用途(如 [转卖]进行直接盈利或[编辑后售卖]进行间接盈利)。
2、本站所有内容均由合作方或网友上传,本站不对文档的完整性、权威性及其观点立场正确性做任何保证或承诺!文档内容仅供研究参考,付费前请自行鉴别。
3、如文档内容存在违规,或者侵犯商业秘密、侵犯著作权等,请点击“违规举报”。

碎片内容

农村机耕道技术条件

确认删除?
VIP
微信客服
  • 扫码咨询
会员Q群
  • 会员专属群点击这里加入QQ群
客服邮箱
回到顶部