电脑桌面
添加小米粒文库到电脑桌面
安装后可以在桌面快捷访问

土方回填土工程检验批质量验收记录表VIP免费

土方回填土工程检验批质量验收记录表_第1页
1/7
土方回填土工程检验批质量验收记录表_第2页
2/7
土方回填土工程检验批质量验收记录表_第3页
3/7
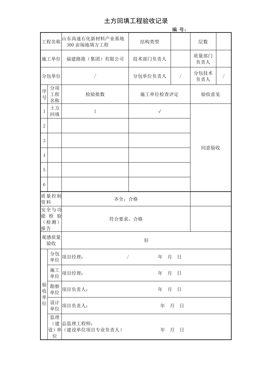
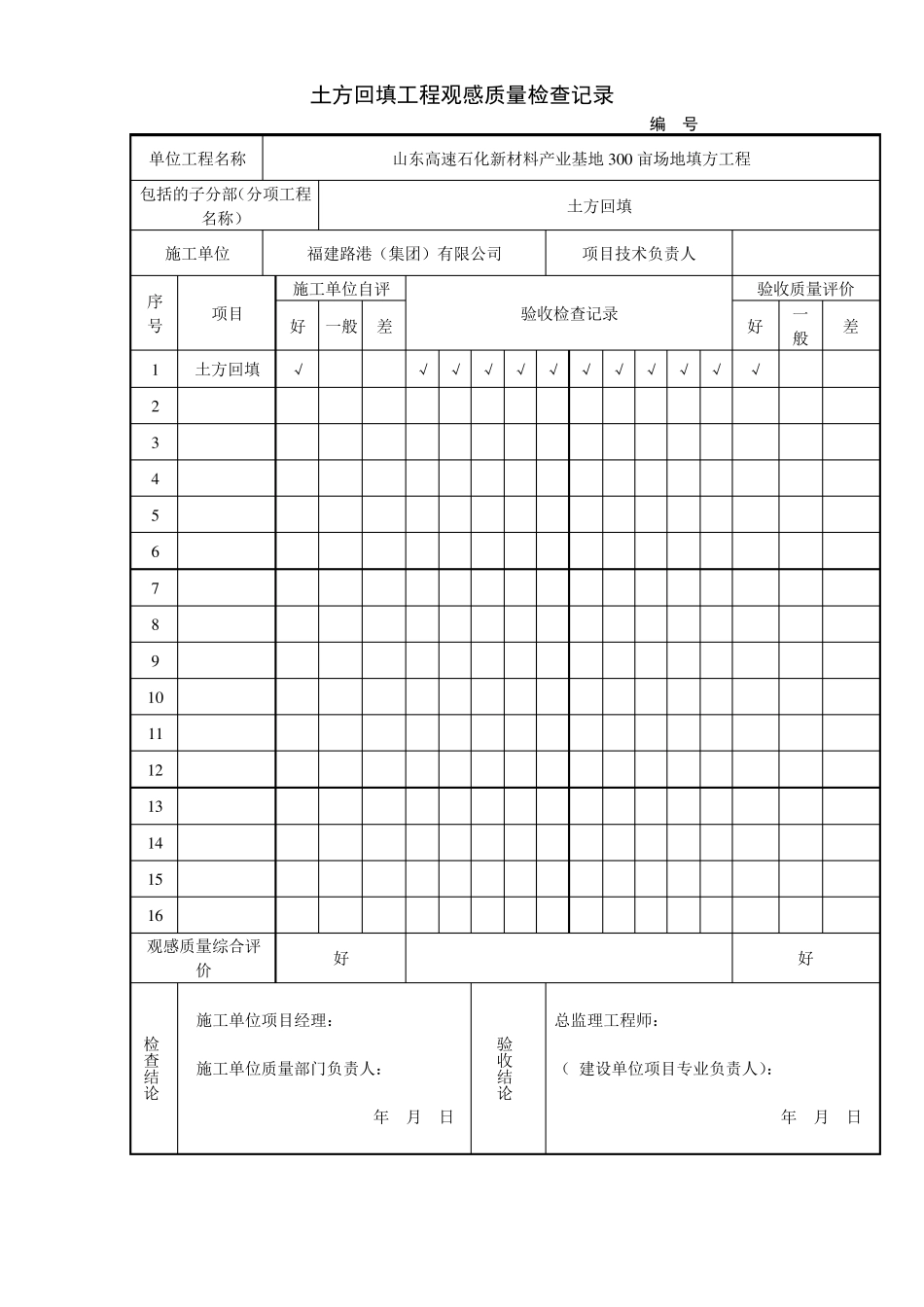
土方回填工程验收记录 编 号: 工程名称 山东高速石化新材料产业基地 300 亩场地填方工程 结构类型 层数 施工单位 福建路港(集团)有限公司 技术部门负责人 质量部门 负责人 分包单位 / 分包单位负责人 / 分包技术 负责人 / 序号 分项工程名称 检验批数 施工单位检查评定 验收意见 1 土方回填 1 √ 同意验收 2 3 4 5 6 质量控制资料 齐全,合格 安全与功能 检验(检测)报告 符合要求,合格 观感质量验收 好 验收单位 分包单位 项目经理: / 年 月 日 施工单位 项目经理: 年 月 日 勘察单位 项目负责人: 年 月 日 设计单位 项目负责人: 年 月 日 监理(建设)单位 总监理工程师: (建设单位项目专业负责人) 年 月 日 土方回填工程观感质量检查记录 编 号 单位工程名称 山东高速石化新材料产业基地3 0 0 亩场地填方工程 包括的子分部(分项工程名称) 土方回填 施工单位 福建路港(集团)有限公司 项目技术负责人 序号 项目 施工单位自评 验收检查记录 验收质量评价 好 一般 差 好 一般 差 1 土方回填 √ √ √ √ √ √ √ √ √ √ √ √ 2 3 4 5 6 7 8 9 1 0 1 1 1 2 1 3 1 4 1 5 1 6 观感质量综合评价 好 好 检查结论 施工单位项目经理: 施工单位质量部门负责人: 年 月 日 验收结论 总监理工程师: ( 建设单位项目专业负责人): 年 月 日 土方工程 分项工程质量验收记录 编 号 工程名称 山东高速石化新材料产业基地 3 0 0 亩场地填方工程 结构类型 检验批数 1 施工单位 福建路港(集团)有限公司 项目经理 项目技术负责人 分包单位 / 分包单位负责人 / 分包项目经理 / 序号 检验批部位、区段 施工单位检查评定结果 监理(建设)单位验收意见 1 土方回填 √ 2 3 4 5 6 7 8 9 10 11 12 13 14 15 16 17 检查结论 项目专业技术负责人: 合格 年 月 日 验收结论 监理工程师: (建设单位项目专业技术负责人) 年 月 日 注:本表由施工项目专业质量检查员填写。 土方回填工程检验批质量验收记录表 编 号: 单位(子单位)工程名称 山东高速石化新材料产业基地300 亩场地填方工程 分部(子分部)工程名称 土方回填 验收部位 施工单位 福建路港(集团)有限公司 项目经理 分包单位 / 分包项目经理 / 施工...

1、当您付费下载文档后,您只拥有了使用权限,并不意味着购买了版权,文档只能用于自身使用,不得用于其他商业用途(如 [转卖]进行直接盈利或[编辑后售卖]进行间接盈利)。
2、本站所有内容均由合作方或网友上传,本站不对文档的完整性、权威性及其观点立场正确性做任何保证或承诺!文档内容仅供研究参考,付费前请自行鉴别。
3、如文档内容存在违规,或者侵犯商业秘密、侵犯著作权等,请点击“违规举报”。

碎片内容

土方回填土工程检验批质量验收记录表

小辰7+ 关注
实名认证
内容提供者

出售各种资料和文档

确认删除?
VIP
微信客服
  • 扫码咨询
会员Q群
  • 会员专属群点击这里加入QQ群
客服邮箱
回到顶部