电脑桌面
添加小米粒文库到电脑桌面
安装后可以在桌面快捷访问

土石坝单元工程质量验收表格VIP免费

土石坝单元工程质量验收表格_第1页
1/52
土石坝单元工程质量验收表格_第2页
2/52
土石坝单元工程质量验收表格_第3页
3/52
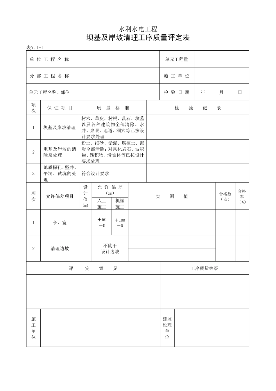
八、碾压式土石坝及砌石坝工程 单元工程质量评定表 (共有51个表式) 本部分的表格系根据水利部、能源部颁发的《水利水电基本建设工程单元工程质量评定标准》SL38—92、《碾压式土石坝施工技术规范》SDJ213—83、《混凝土面板坝堆石坝施工规范》SL49—94、《土石坝碾压式沥青混凝土防渗墙施工规范》SD220—87及《浆砌石坝施工技术规范》SD120—84编制。适用于大中型碾压式土石坝、浆砌石坝工程及虽不属于大中型工程,但坝高大于50米的浆砌石坝工程。其他工程可参照使用。 单元工程或工序质量检验内容按表中所列内容由施工单位自检,建设(监理)单位复核。 检测数量及单元工程、工序质量等级评定标准按照《水利水电基本建设工程单元工程质量等级评定标准》SL38—92规定执行。 表中加“△”者为主要工序。凡在“质量标准”栏中有“设计规定”、“符合设计”者,应注明设计具体规定(要求)。 水利水电工程 土石坝坝基及岸坡处理单元工程质量评定表 表7.1 单 位 工 程 名 称 单元工程量 分 部 工 程 名 称 施 工 单 位 单元工程名称、部位 评 定 日 期 年 月 日 项 次 工 序 名 称 工 序 质 量 等 级 1 △坝基及岸坡清理 2 防渗体岩基及岸坡开挖 3 △坝基及岸坡地质构造处理 4 △坝基及岸坡渗水处理 评 定 意 见 单元工程质量等级 全部工序质量达合格标准,其中 达到优良标准。 施 工 单 位 建监 设理 单 位 水利水电工程 坝基及岸坡清理工序质量评定表 表7.1-1 单 位 工 程 名 称 单元工程量 分 部 工 程 名 称 施 工 单 位 单元工程名称、部位 检 验 日 期 年 月 日 项 次 保 证 项 目 质 量 标 准 检 验 记 录 1 坝基及岸坡清理 树木、草皮、树根、乱石、坟墓以及各种建筑物全部清除。水井、泉眼、地道、洞穴等已按设计要求处理 2 坝基及岸坡的清除及处理 粉土、细砂、淤泥、腐植土、泥炭全部清除;对风化岩石、坡积物、残积物、滑坡体等已按设计要求处理 3 地质探孔、坚井、平洞、试坑的处理 符合设计要求 项 次 允许偏差项目 设计值 (m) 允 许 偏 差 (cm) 实 测 值 合格数 (点) 合格率 (%) 人工 施工 机械 施工 1 长、宽 +50 -0 +100 -0 2 清理边坡 不陡于 设计边坡 评 定 意 见 工序质量等级 施 工 单 位 建监 设理 单 位 水利水电工程 防渗体岩基...

1、当您付费下载文档后,您只拥有了使用权限,并不意味着购买了版权,文档只能用于自身使用,不得用于其他商业用途(如 [转卖]进行直接盈利或[编辑后售卖]进行间接盈利)。
2、本站所有内容均由合作方或网友上传,本站不对文档的完整性、权威性及其观点立场正确性做任何保证或承诺!文档内容仅供研究参考,付费前请自行鉴别。
3、如文档内容存在违规,或者侵犯商业秘密、侵犯著作权等,请点击“违规举报”。

碎片内容

土石坝单元工程质量验收表格

确认删除?
VIP
微信客服
  • 扫码咨询
会员Q群
  • 会员专属群点击这里加入QQ群
客服邮箱
回到顶部