电脑桌面
添加小米粒文库到电脑桌面
安装后可以在桌面快捷访问

地下停车库设计规定VIP免费

地下停车库设计规定_第1页
1/6
地下停车库设计规定_第2页
2/6
地下停车库设计规定_第3页
3/6
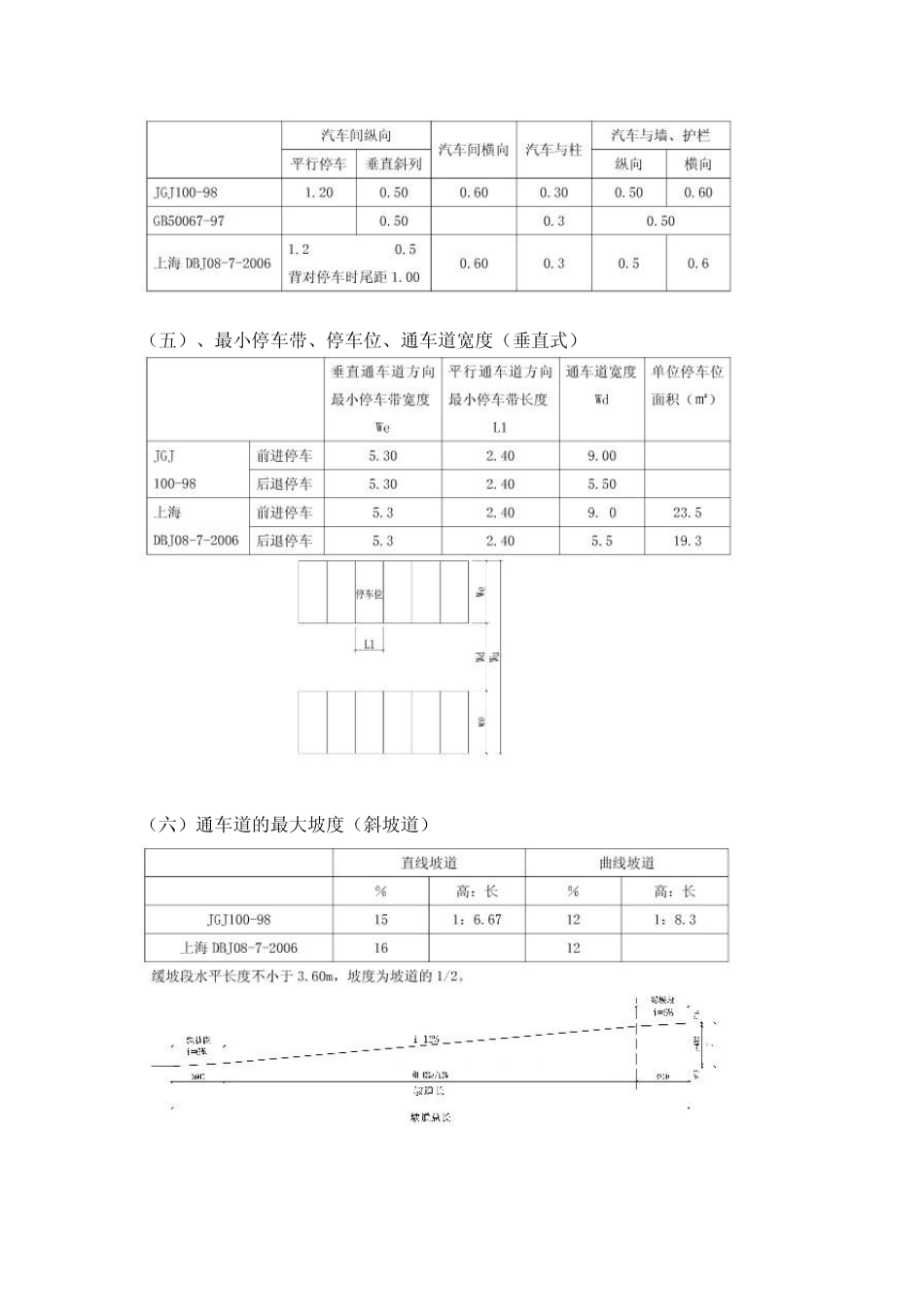
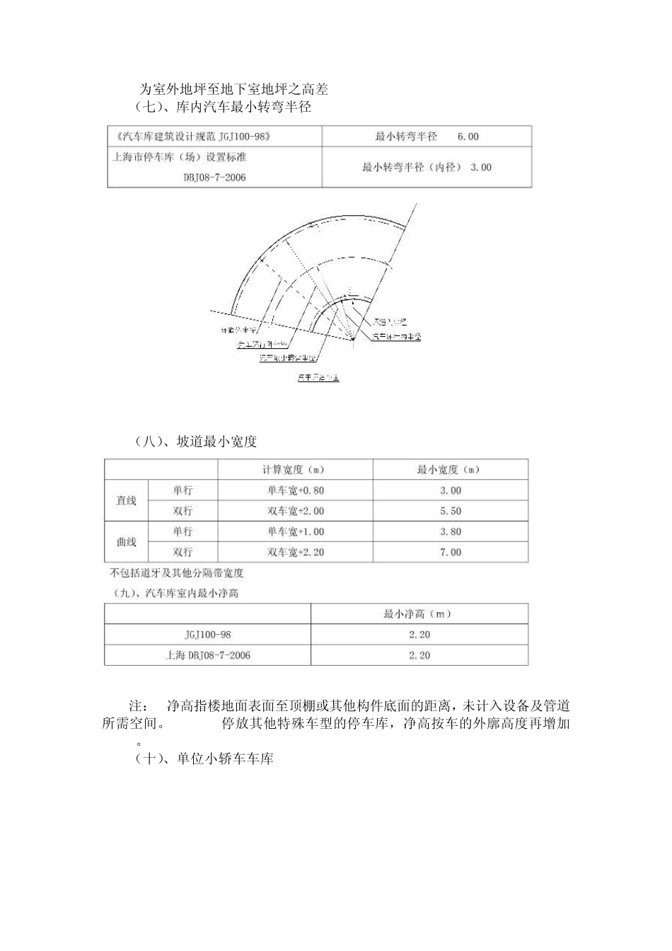
地下停车库设计规定 地下停车库设计规定 (小型车、坡道式) 整理依据: 1.《汽车库建筑设计规范》JGJ100-98 2.《汽车库、修车库、停车场设计防火规范》GB50067-97 3.上海市工程建设规范《建筑工程交通设计及停车库(场)设置标准》DBJ08-7-2006 4.中华人民共和国《工程建设标准强制性条文》(房屋建筑部分 停车库设计要点停车库设计要点停车库设计要点停车库设计要点 设计范围仅限于居住区或公共建筑之地下停车库,车型为小型车(小轿车)。 (一)、防火分类及耐火等级(GB50067-97.3.0.1;3.0.3) (二)、设计车型外廓尺寸(m) (三)防火分隔 地下汽车库防火分区最大允许建筑面积为 2000.00㎡。 注: 1.室内地坪低于室外地坪高度超过该层汽车库净高 1/3且不超过净高1/2的汽车库,防火分区最大允许建筑面积不应超过 2500㎡。 2.复式汽车库的防火分区最大允许建筑面积应按本规定值减少 35%。 汽车库内设有自动灭火系统时,其防火分区的最大允许建筑面积可按本规定增加一倍。 防火墙上如需设门、通道口,应设置甲级防火门和耐火极限不低于 3.00h的防火卷帘。 汽车坡道两侧应用防火墙与停车区隔开,坡道出入口应采用水幕、防火卷帘或甲级防火门与停车区隔开,但汽车库与坡道上均设有自动灭火系统时,不受此限。 (四)、汽车与汽车、柱、墙或护栏之间的最净距 (五)、最小停车带、停车位、通车道宽度(垂直式) (六)通车道的最大坡度(斜坡道) h为室外地坪至地下室地坪之高差+0.08m (七)、库内汽车最小转弯半径 (八)、坡道最小宽度 注:1.净高指楼地面表面至顶棚或其他构件底面的距离,未计入设备及管道所需空间。 2.停放其他特殊车型的停车库,净高按车的外廓高度再增加0.20m。 (十)、单位小轿车车库 (十一)、安全疏散 1. 汽车疏散出口 1-1 GB50067-97要求: (1)汽车疏散出口应不少于两个,但停车数小于100辆的地下车库,可设一个。 (2)汽车疏散坡道的宽度不应小于4m,双车道不宜小于7m。 (3)两个汽车疏散出口之间的间距不应小于10m,两个坡道毗邻设置时,应采用防火墙隔开。 (4)汽车库的车道应满足一次出车的要求(即汽车在启动后不需要调头、倒车而直接驶出汽车库)。 (5)坡道的通过能力一般按每小时通过约300台小轿车设计。 1-2 JGJ100-98要求: (1)各汽车出入口之间的净距应大于15m (2)出入口的宽度:双向行驶时,不应小于7m 单向行驶时,不应小于5m (3)当需...

1、当您付费下载文档后,您只拥有了使用权限,并不意味着购买了版权,文档只能用于自身使用,不得用于其他商业用途(如 [转卖]进行直接盈利或[编辑后售卖]进行间接盈利)。
2、本站所有内容均由合作方或网友上传,本站不对文档的完整性、权威性及其观点立场正确性做任何保证或承诺!文档内容仅供研究参考,付费前请自行鉴别。
3、如文档内容存在违规,或者侵犯商业秘密、侵犯著作权等,请点击“违规举报”。

碎片内容

地下停车库设计规定

小辰7+ 关注
实名认证
内容提供者

出售各种资料和文档

确认删除?
VIP
微信客服
  • 扫码咨询
会员Q群
  • 会员专属群点击这里加入QQ群
客服邮箱
回到顶部