电脑桌面
添加小米粒文库到电脑桌面
安装后可以在桌面快捷访问

地下工程防水材料的质量指标VIP免费

地下工程防水材料的质量指标_第1页
1/9
地下工程防水材料的质量指标_第2页
2/9
地下工程防水材料的质量指标_第3页
3/9
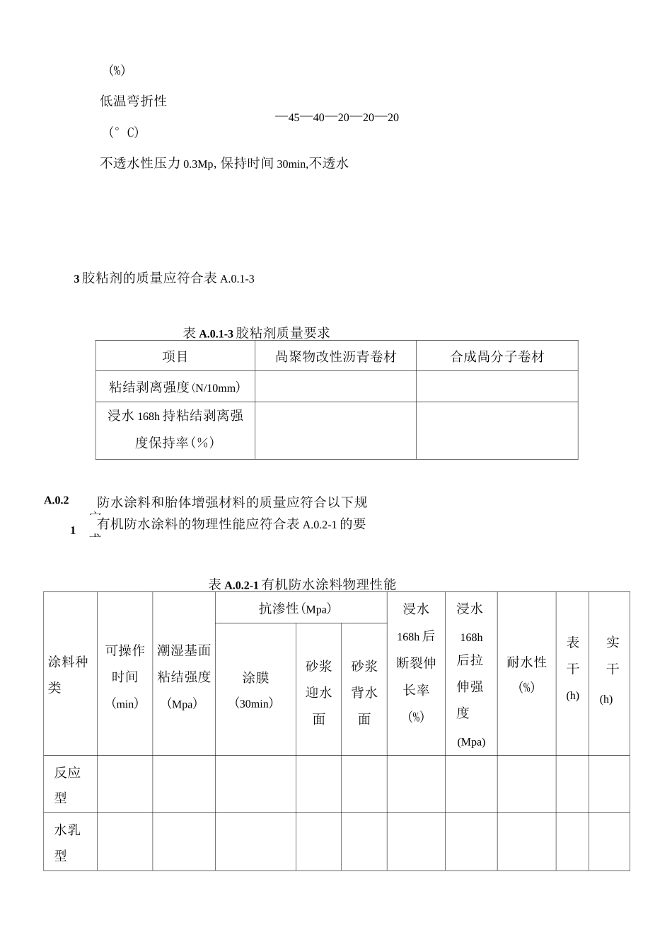
地下工程防水材料的质量指标附录 A 地下工程防水材料的质量指标A.0.1 防水卷材和胶粘剂的质量应符合以下规定:1 高聚物改性沥青防水卷材的主要物理性能应符合表 A.0.1-1 的要求。表 A.0.1-1 高聚物改性沥青防水卷材主要物理性能项目性能要求聚酯胎体卷材玻纤毡胎体卷材聚乙烯膜胎体卷材拉伸性能拉力(N/50mm)三(横向)三(纵向)三(横向)三(纵向)三(横向)最大拉力时延伸率(%)三(纵横向)——三(纵横向)低温柔度(°C)<—153mm 厚,r=15mm;4mm 厚,r=25mm;3s 弯 180,无裂纹不透水性压力 0.3Mpa 保持时间 30min,不透水2 合成高分子防水卷材的主要物理性能应符合表 A.0.1-2 的要求。表 A.0.1-2 合成高分子防水卷材主要物理性能项目性能要求硫化橡胶类非硫化橡胶类合成树脂类纤维胎增强类JL1JL2JF3JS1拉伸强度(MPa)断裂伸长率(%)低温弯折性—45—40—20—20—20(°C)不透水性压力 0.3Mp,保持时间 30min,不透水3 胶粘剂的质量应符合表 A.0.1-3表 A.0.1-3 胶粘剂质量要求项目咼聚物改性沥青卷材合成咼分子卷材粘结剥离强度(N/10mm)浸水 168h 持粘结剥离强度保持率(%)A.0.2防水涂料和胎体增强材料的质量应符合以下规定:1有机防水涂料的物理性能应符合表 A.0.2-1 的要求。表 A.0.2-1 有机防水涂料物理性能涂料种类可操作时间(min)潮湿基面粘结强度(Mpa)抗渗性(Mpa)浸水168h 后断裂伸长率(%)浸水168h后拉伸强度(Mpa)耐水性(%)表干(h)实干(h)涂膜(30min)砂浆迎水面砂浆背水面反应型水乳型聚合物水三三三泥注:耐水性是指在浸水 168h 后材料的粘结强度及砂浆抗渗性的保持率。2 无防水涂料的物理性能应符合表 A.0.2-2 的要求。表 A.0.2-2 无机防水涂料物理性能涂料种类抗折强度(Mpa)粘结强度(Mpa)抗渗性(Mpa)冻融循环水泥基防水涂料>4>4>0.8>D50水泥基渗透结晶型防水涂料>0.8>D503 胎体增强材料质量应符合表 A.0.2-3 的要求。表 A.0.2-3 胎体增强材料质量要求项目聚酯无纺布化纤无纺布玻纤网布外观均匀无团状,平整无折皱拉力(宽 50)纵向(N)横向(N)延伸率纵向(%)横向(%)A.0.3 塑料板的主要物理性能应符合表 A.0.3 的要求。表 A.0.3 塑料板主要物理性能项目性能要求EVAECBPVCPE拉抻强度(Mpa)1111断裂延伸率(%)50452040不透水性 24h(Mpa)三0.0.0.0.低温弯折性—————2.2.2.02.0热处理尺寸变化率(%)注:EVA—乙烯醋酸乙烯共聚物;ECB—乙烯共聚物沥青;PVC—...

1、当您付费下载文档后,您只拥有了使用权限,并不意味着购买了版权,文档只能用于自身使用,不得用于其他商业用途(如 [转卖]进行直接盈利或[编辑后售卖]进行间接盈利)。
2、本站所有内容均由合作方或网友上传,本站不对文档的完整性、权威性及其观点立场正确性做任何保证或承诺!文档内容仅供研究参考,付费前请自行鉴别。
3、如文档内容存在违规,或者侵犯商业秘密、侵犯著作权等,请点击“违规举报”。

碎片内容

地下工程防水材料的质量指标

确认删除?
VIP
微信客服
  • 扫码咨询
会员Q群
  • 会员专属群点击这里加入QQ群
客服邮箱
回到顶部