电脑桌面
添加小米粒文库到电脑桌面
安装后可以在桌面快捷访问

工程机械图片说明详细分类VIP免费

工程机械图片说明详细分类_第1页
1/50
工程机械图片说明详细分类_第2页
2/50
工程机械图片说明详细分类_第3页
3/50
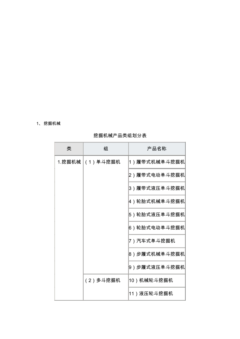
工 程 机 械 1、 挖 掘 机 械 2、 铲 土 运 输 机 械 3、 工 程 起 重 机 械 4、 机 动 工 业 车 辆 5、 压 实 机 械 6、 路 面 机 械 7、 桩 工 机 械 8、 混 凝 土 机 械 9、 钢 筋 加 工 机 械 10、 装 修 机 械 11-12、 凿 岩 机 械 与 气 动 工 具 13、 工 程 机 械 专 用 零 部 件 14、 其 它 专 用 工 程 机 械 1、 挖 掘 机 械 挖 掘 机 械 产 品 类 组 划 分 表 类 组 产 品 名 称 1.挖 掘 机 械 ( 1) 单 斗 挖 掘 机 1) 履 带 式 机 械 单 斗 挖 掘 机 2) 履 带 式 电 动 单 斗 挖 掘 机 3) 履 带 式 液 压 单 斗 挖 掘 机 4) 轮 胎 式 机 械 单 斗 挖 掘 机 5) 轮 胎 式 液 压 单 斗 挖 掘 机 6) 轮 胎 式 电 动 单 斗 挖 掘 机 7) 汽 车 式 单 斗 挖 掘 机 8) 步 履 式 机 械 单 斗 挖 掘 机 9) 步 履 式 液 压 单 斗 挖 掘 机 ( 2) 多 斗 挖 掘 机 10) 机 械 轮 斗 挖 掘 机 11) 液 压 轮 斗 挖 掘 机 12) 电 动 轮 斗 挖 掘 机 13) 机 械 链 斗 挖 掘 机 14) 液 压 链 斗 挖 掘 机 15) 电 动 链 斗 挖 掘 机 ( 3) 多 斗 挖 沟 机 16) 机 械 轮 斗 挖 沟 机 17) 液 压 轮 斗 挖 沟 机 18) 电 动 轮 斗 挖 沟 机 19) 机 械 链 斗 挖 沟 机 20) 液 压 链 斗 挖 沟 机 21) 电 动 链 斗 挖 沟 机 ( 4) 斗 轮 挖 掘 机 22) 机 械 斗 轮 挖 掘 机 23) 液 压 斗 轮 挖 掘 机 24) 电 动 斗 轮 挖 掘 机 ( 5) 挖 掘 装 载 机 25) 挖 掘 装 载 机 ( 6) 滚 切 挖 掘 机 26) 滚 切 挖 掘 机 ( 7) 铣 切 挖 掘 机 27) 铣 切 挖 掘 机 ( 8) 掘 进 机 28) 盾 构 掘 进 机 29) 顶 管 掘 进 机 30) 隧 道 掘 进 机 31) 涵 洞 掘 进 机 ( 9)特 殊 用 途 挖 掘 机 32) 水 陆 两 用 挖 掘 机 33) 隧 道 挖 掘 机 34) 湿 地 挖 掘 机 35) 船 用 挖 掘 机 挖 掘 机 在 矿 山 特 别 是 露 天...

1、当您付费下载文档后,您只拥有了使用权限,并不意味着购买了版权,文档只能用于自身使用,不得用于其他商业用途(如 [转卖]进行直接盈利或[编辑后售卖]进行间接盈利)。
2、本站所有内容均由合作方或网友上传,本站不对文档的完整性、权威性及其观点立场正确性做任何保证或承诺!文档内容仅供研究参考,付费前请自行鉴别。
3、如文档内容存在违规,或者侵犯商业秘密、侵犯著作权等,请点击“违规举报”。

碎片内容

工程机械图片说明详细分类

您可能关注的文档

小辰8+ 关注
实名认证
内容提供者

出售各种资料和文档

确认删除?
VIP
微信客服
  • 扫码咨询
会员Q群
  • 会员专属群点击这里加入QQ群
客服邮箱
回到顶部