电脑桌面
添加小米粒文库到电脑桌面
安装后可以在桌面快捷访问

工程监理质量评估报告VIP免费

工程监理质量评估报告_第1页
1/6
工程监理质量评估报告_第2页
2/6
工程监理质量评估报告_第3页
3/6
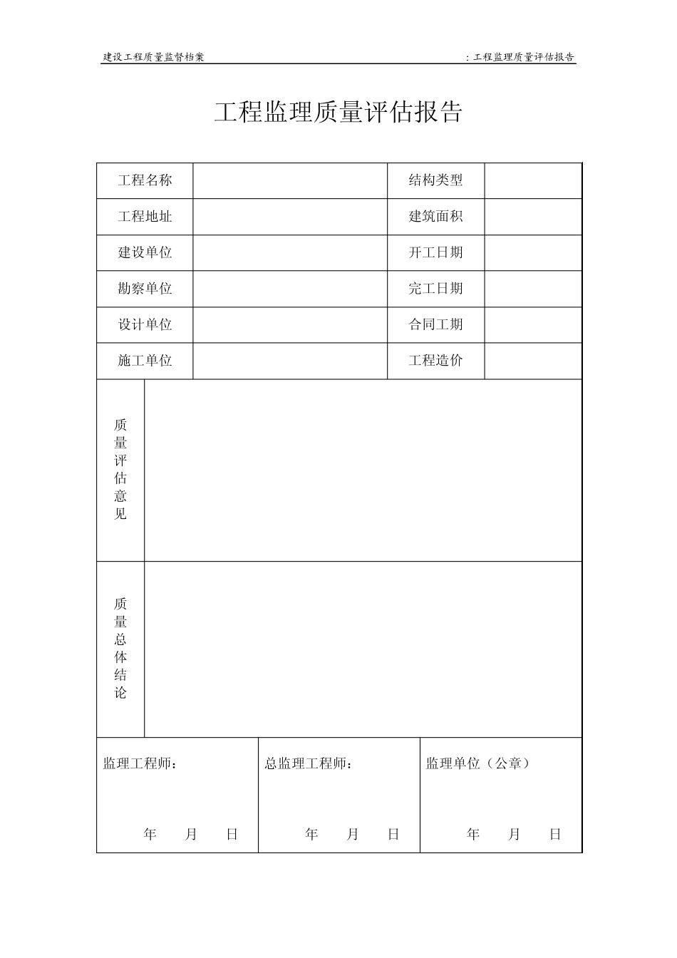
建设工程质量监督档案 ZJ20.3:工程监理质量评估报告 工程监理质量评估报告 工程名称 结构类型 工程地址 建筑面积 建设单位 开工日期 勘察单位 完工日期 设计单位 合同工期 施工单位 工程造价 质 量 评 估 意 见 质 量 总 体 结 论 监理工程师: 年 月 日 总监理工程师: 年 月 日 监理单位(公章) 年 月 日 建设工程质量监督档案 ZJ20.3:工程监理质量评估报告 公用事业建设工程 监理评估报告 工程名称 建设单位 监理单位 施工单位 开工日期 竣工日期 年 月 日 建设工程质量监督档案 ZJ20.3:工程监理质量评估报告 公用事业建设工程监理评估报告 1 .工程概况(监理范围内): 2.施工过程中遇到的质量问题(包括发生的质量事故或问题,以及采取的措施): 建设工程质量监督档案 ZJ20.3:工程监理质量评估报告 3.施工过程中发生的工程变更情况(包括变更内容、变更原因、变更依据以及变更后对工程质量和结构安全的影响): 4.监理所做的工作(包括涉及工程质量和运营安全的重要部位和关键工序的抽查情况): 建设工程质量监督档案 ZJ20.3:工程监理质量评估报告 5.监理对本工程的质量评价: 6.本工程是否还存在无法整改的质量隐患: 总监(签名) 年 月 日 监理公司法人代表签名 年 月 日 监理公司(公章) 建设工程质量监督档案 ZJ20.3:工程监理质量评估报告

1、当您付费下载文档后,您只拥有了使用权限,并不意味着购买了版权,文档只能用于自身使用,不得用于其他商业用途(如 [转卖]进行直接盈利或[编辑后售卖]进行间接盈利)。
2、本站所有内容均由合作方或网友上传,本站不对文档的完整性、权威性及其观点立场正确性做任何保证或承诺!文档内容仅供研究参考,付费前请自行鉴别。
3、如文档内容存在违规,或者侵犯商业秘密、侵犯著作权等,请点击“违规举报”。

碎片内容

工程监理质量评估报告

您可能关注的文档

小辰8+ 关注
实名认证
内容提供者

出售各种资料和文档

确认删除?
VIP
微信客服
  • 扫码咨询
会员Q群
  • 会员专属群点击这里加入QQ群
客服邮箱
回到顶部