电脑桌面
添加小米粒文库到电脑桌面
安装后可以在桌面快捷访问

工程量清单、用VIP免费

工程量清单、用_第1页
1/13
工程量清单、用_第2页
2/13
工程量清单、用_第3页
3/13
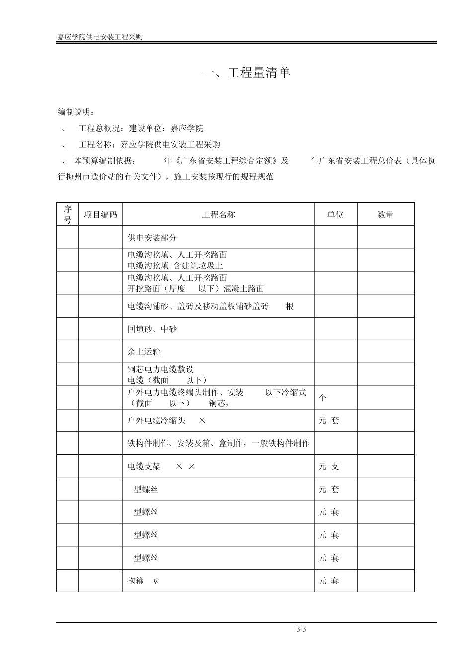
嘉应学院供电安装工程采购 3 -1 工 程 量 清 单、用 户 需 求 书 及 图 纸 嘉应学院供电安装工程采购 3 -2 目 录 一、工程量清单 二、用户需求书 三、图纸(无) 嘉应学院供电安装工程采购 3 -3 一、工程量清单 编制说明: 1、 工程总概况:建设单位:嘉应学院 2、 工程名称:嘉应学院供电安装工程采购 3、 本预算编制依据: 2006年《广东省安装工程综合定额》及2006年广东省安装工程总价表(具体执行梅州市造价站的有关文件),施工安装按现行的规程规范 序号 项目编码 工程名称 单位 数量 供电安装部分 1 电缆沟挖填、人工开挖路面 电缆沟挖填 含建筑垃圾土 m3 10.78 2 电缆沟挖填、人工开挖路面 开挖路面(厚度mm以下)混凝土路面250 m2 5 3 电缆沟铺砂、盖砖及移动盖板铺砂盖砖1-2根 100m 1 4 回填砂、中砂 10m3 .68 5 余土运输 100m3 .12 6 铜芯电力电缆敷设 电缆(截面mm2以下)120 100m .4 7 户外电力电缆终端头制作、安装10KV以下冷缩式(截面mm2以下)120铜芯,*1.2 个 2 户外电缆冷缩头 3×70 元/套 2.04 8 铁构件制作、安装及箱、盒制作,一般铁构件制作 100kg .35 电缆支架 1.5×5×650 元/支 6 U型螺丝 130 元/套 2 U型螺丝 190 元/套 2 U型螺丝 300 元/套 1 U型螺丝 280 元/套 1 抱箍 ¢80 元/套 3 嘉应学院供电安装工程采购 3 -4 9 铁构件制作、安装及箱、盒制作,一般铁构件安装 块 2660 10 电缆保护管敷设 无混凝土基础暗敷钢管(公称直径mm以下)100 10m .6 镀锌钢管 100×3000 元/付 2 11 工地运输 汽车运输 装卸 10t .44 12 工地运输 汽车运输 运输 10t/km 3.52 13 施工定位 单杆 基 2 14 土石方工程 坚土 10m3 .254 15 单杆 混凝土杆(m以内)9 根 2 ¢150×9米 元/根 2 16 10kV以下横担安装 铁、木横担 单根 组 2 引线担 L60×6×1800 元/支 1 母线担 L60×6×1800 元/支 1 U型螺丝 150 元/套 2 撑铁 ¢16×700 元/支 2 抱箍 ¢150 元/套 2 针式瓷瓶 P-20T 元/支 6 螺丝 M16×120 元/支 6 17 10kV以下横担安装 瓷横担 承力杆 组 2 瓷横担 SC-210 元/支 6 18 绝缘护套及电力设施编号牌安装 防护盒 10个 1 30°出线防护盒-变压器低压 CY-T05 元/只 4 30°出线防护盒-变压器低压 CY-T05 元/只 3 电缆端子...

1、当您付费下载文档后,您只拥有了使用权限,并不意味着购买了版权,文档只能用于自身使用,不得用于其他商业用途(如 [转卖]进行直接盈利或[编辑后售卖]进行间接盈利)。
2、本站所有内容均由合作方或网友上传,本站不对文档的完整性、权威性及其观点立场正确性做任何保证或承诺!文档内容仅供研究参考,付费前请自行鉴别。
3、如文档内容存在违规,或者侵犯商业秘密、侵犯著作权等,请点击“违规举报”。

碎片内容

工程量清单、用

您可能关注的文档

小辰7+ 关注
实名认证
内容提供者

出售各种资料和文档

确认删除?
VIP
微信客服
  • 扫码咨询
会员Q群
  • 会员专属群点击这里加入QQ群
客服邮箱
回到顶部