电脑桌面
添加小米粒文库到电脑桌面
安装后可以在桌面快捷访问

文化空间工程质量创优策划VIP免费

文化空间工程质量创优策划_第1页
1/37
文化空间工程质量创优策划_第2页
2/37
文化空间工程质量创优策划_第3页
3/37
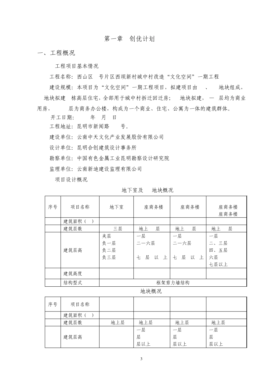
1 山区7号片区西坝新村城中村改造 “文化空间”一期项目 创 优 策 划 方 案 审定: 审批: 审核: 编制: 云南建工第五建设有限公司 第四直管部文化空间项目部 二 0一二年三月一日 2 目 录 第一章 创优计划 ...................................................... 3 一、工程概况 .......................................................... 3 二、工程质量目标 ...................................................... 3 三、“四新技术”新技术、新工艺、新材料和新设备推广应用计划 ....... 4 四、安全文明标化与绿色施工策划 ..................... 错误!未定义书签。 五、项目组织机构设臵及职责 .......................................... 5 六、参与工程建设各方责任主体单位的职责和义务 ...................... 9 第二章 创优措施 .................................................... 13 一、创优工程实施措施 ................................................ 13 二、创优工程总体措施 ................................................ 14 三、创优保障措施 ..................................................... 14 四、主要分部、分项工程质量创优控制标准 ............................ 20 (一)地基及基础工程 ................................................ 20 (二)主体结构工程 ................................................... 22 (三)屋面工程 ....................................................... 24 (四)楼地面工程 ..................................................... 26 (五)门窗工程 ....................................................... 29 (六)装修工程 ....................................................... 30 (七)注意事项 ....................................................... 31 五、施工管理措施 ..................................................... 32 六、安全文明施工实施措施 ............................................ 36 3 第一章 创优计划 一、工程概况 1.工程项目基本情况 工程名称:西山区7号片区西坝新村城中村改造“文化空间”一期工程 建设规模:本项目为“文化空间”一期工程项目,拟建项目由A1、A2地块组成,A1地块拟建5栋高层...

1、当您付费下载文档后,您只拥有了使用权限,并不意味着购买了版权,文档只能用于自身使用,不得用于其他商业用途(如 [转卖]进行直接盈利或[编辑后售卖]进行间接盈利)。
2、本站所有内容均由合作方或网友上传,本站不对文档的完整性、权威性及其观点立场正确性做任何保证或承诺!文档内容仅供研究参考,付费前请自行鉴别。
3、如文档内容存在违规,或者侵犯商业秘密、侵犯著作权等,请点击“违规举报”。

碎片内容

文化空间工程质量创优策划

您可能关注的文档

小辰9+ 关注
实名认证
内容提供者

出售各种资料和文档

确认删除?
VIP
微信客服
  • 扫码咨询
会员Q群
  • 会员专属群点击这里加入QQ群
客服邮箱
回到顶部