电脑桌面
添加小米粒文库到电脑桌面
安装后可以在桌面快捷访问

消防员防护装备2VIP免费

消防员防护装备2_第1页
1/11
消防员防护装备2_第2页
2/11
消防员防护装备2_第3页
3/11
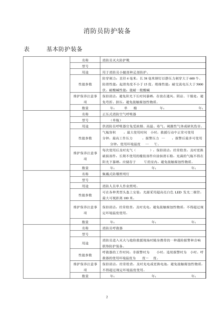
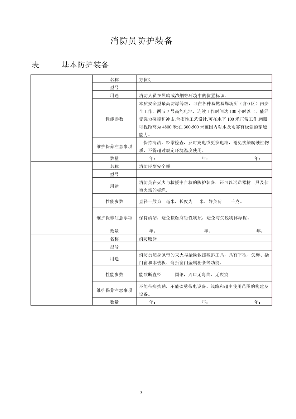
1 消防员防护装备 表 1-1 基本防护装备 名称 消防头盔 型号 欧式 用途 用于保护消防员自身的头部、颈部免受坠落物冲击和穿透以及热辐射、火焰、点击和侧向挤压伤害的防护器具。 性能参数 四级减震功能设计,材料中加入阻燃剂、荧光粉、具有很强的抗烧性,同时夜光效果明显,可连续发光 1 2 小时以上。 维护保养注意事项 轻拿轻放,避免接触腐蚀性物质,避免与坚硬物质摩擦、碰撞和划伤,不得随意拆卸部件,经常检查,保持清洁。 数量 2010年: 30 2011年: 2012年: 名称 消防员灭火防护服 型号 用途 保护消防员免受高温、蒸汽、热水、热物体以及其他危险物品伤害。 性能参数 灭火防护服使用年限一般为2 -3 年,分为末经防水、阻燃处理、经防水处理和经防水、阻燃处理三种。 维护保养注意事项 洗涤水温不超过35℃,不可用油类洗涤污渍,不得高温下暴晒或火烤,存放在透气、干燥、清洁处,不得接触腐蚀性物质。 数量 2010年: 0 2011年: 2012年: 名称 消防手套 型号 用途 用于消防员手部及腕部防护。 性能参数 保持清洁,避免阳光下长时间暴晒,存放在通风、阴凉、干燥处,避免接触腐蚀性物质。 维护保养注意事项 1、做好清洁保养工作。2、避免在阳光下长时间暴晒或翻里晾晒;应存放在阴凉通风干燥处,并避免重物压。 数量 2010年: 30 2011年: 2012年: 名称 消防安全腰带 型号 用途 用于登梯作业和逃生自救 。 性能参数 工作拉力:4 5 0 0 牛。极限拉力:1 2 0 0 0 牛。冲击重量:1 2 0 公斤,冲击高度 2 米。 维护保养注意事项 不宜接触 120℃以上高温、明火、强酸、苯酚等化学溶剂以及尖锐物体,避免阳光下暴晒或火烤,经常检查,保持清洁。 数量 2010年:26 2011年: 2012年: 2 消防员防护装备 表 1-2 基本防护装备 名称 消防员灭火防护靴 型号 用途 用于消防员小腿部和足部防护。 性能参数 防穿刺力:直径 4 毫米,长 38 毫米钢钉以静压力刺穿大于 600 牛。防滑性能:起滑角度不小于 15 度。绝缘性能:耐交流电压大于 5000伏。耐酸碱性能:能耐一般酸碱 维护保养注意事项 保持清洁,避免阳光下长时间暴晒,存放在通风、阴凉、干燥处,避免弯折、挤压,避免接触腐蚀性物质。 数量 2010年: 28 单 10棉 2011年: 2012年: 名称 正压式消防空气呼吸器 型号 6.8L(单瓶) 用途 供消防员呼吸器官免受浓烟、高温、毒气...

1、当您付费下载文档后,您只拥有了使用权限,并不意味着购买了版权,文档只能用于自身使用,不得用于其他商业用途(如 [转卖]进行直接盈利或[编辑后售卖]进行间接盈利)。
2、本站所有内容均由合作方或网友上传,本站不对文档的完整性、权威性及其观点立场正确性做任何保证或承诺!文档内容仅供研究参考,付费前请自行鉴别。
3、如文档内容存在违规,或者侵犯商业秘密、侵犯著作权等,请点击“违规举报”。

碎片内容

消防员防护装备2

您可能关注的文档

确认删除?
VIP
微信客服
  • 扫码咨询
会员Q群
  • 会员专属群点击这里加入QQ群
客服邮箱
回到顶部